题目列表(包括答案和解析)

 0  122783  122791  122797  122801  122807  122809  122813  122819  122821  122827  122833  122837  122839  122843  122849  122851  122857  122861  122863  122867  122869  122873  122875  122877  122878  122879  122881  122882  122883  122885  122887  122891  122893  122897  122899  122903  122909  122911  122917  122921  122923  122927  122933  122939  122941  122947  122951  122953  122959  122963  122969  122977  447348 

28.(14分)某化学课外活动小组研究硝酸与金属M的反应,进行如图所示的实验,实验现象及相关数据如下:

()A中为一定浓度的硝酸与金属M片发生反应,生成的气体通过B、C后,由C进入D的是两种单质气体,且体积之比为

(b)将D加热一段时间后,E中干燥的红色石蕊试纸逐渐变蓝。(设实验前,装置中的空气已排尽;气体的体积均在同温同压下测定)

 

已知实验中的液体药品均足量。请回答:

(1)该套装置中有不完善之处,还应在E装置后补充              

(2)若向反应后的A中加入足量的固体,产生使湿润的红色石蕊试纸变蓝的气体,试写出A中逸出该气体的反应的离子方程式                

(3)经查阅资料,工业上通常用溶液吸收的混合气体,有关的反应为:

,若A中产生的气体含,则B中生成的的物质的量之比为            

(4)写出D中可能发生反应的化学方程式                   

试题详情

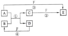
27.(16分)A、B、C、D、

E、F是中学常见的六种

物质,相互转化关系如右

图所示(反应条件未标出)。  

其中反应①是置换反应。

   (1)若A、D都是短周期元

素形成的非金属单质,且A、

D所含元素同主族,则反应①

的化学方程式是:                       

(2)若A是常见的金属单质,D、F是气态单质,则反应②在水溶液中进行的离子方程式是:                               

 (3)若B、C、F都是气态单质且B呈黄绿色,D为双核18电子的分子,A、B、C、D所含元素原子序数之和为25,则反应③的化学方程式是:             

(4)若A、D为短周期元素单质,且元素A和D既不同周期也不同主族,③和④两个反应中都有红棕色气体生成,则反应④的化学方程式:            

试题详情

26.(14分)在一定温度下,把8体积和4体积通入一个有活塞的体积可变的容器中,活塞一端与大气相通(如图所示)。容器内发生下列反应:当反应达到平衡后,测得混合气体为10体积。

  

(1)反应达到平衡时的转化率为        

(2)保持上述温度不变,设分别代表初始加入的气体的体积,如果反应过程达到平衡时,混合气体的体积仍为10体积且各物质的含量与上述平衡相同,那么:

①若,则     。在此情况下反应起始时正反应速率将     (填“大于”、“小于”或“等于”)逆反应速率。

②若欲使起始时正反应速率大于逆反应速率,则的取值范围为       

(3)在反应容器中,若起始时值均与(2)相同,但须控制平衡时混合气体为9体积,则可采取的措施是         ,原因是               

                           

试题详情

25.(20分)如图所示,光滑绝缘平台距水平地面高,地面与竖直绝缘光滑圆形轨道在A点连接,A点距竖直墙壁,整个装置位子水平向右的匀强电场中。现将质量为、电荷量为的带正电荷的小球(可视为质点),从平台上的端点N由静止释放,小球离开平台后恰好切入半径为的圆形轨道,并沿圆形轨道运动到P点射出。图中点是圆轨道的圆心,B、C分别是圆形轨道的最低点和最高点,之间夹角为53°,取,求:

   (1)电场强度E的大小。

   (2)运动过程中,小球的最大速度  

(结果保留根号)。

   (3)小球对圆形轨道的最小压力。

试题详情

24.(19分)在图甲中,直角坐标系的Ⅰ、Ⅲ象限内有匀强磁场,第Ⅰ象限内的磁感应强度大小为2B,第Ⅲ象限内的磁感应强度大小为B,磁感应强度的方向均垂直于纸面向里。半径为,圆心角为90°的扇形导线框以角速度点在纸面内逆时针 匀速转动,导线框回路电阻为R.

   (1)求导线框中感应电流的最大值.

   (2)在图乙中画出导线框匀速转动一周的时间内感应电流随时间变化的图象.(规定与图甲中线框的位置相对应的时刻为,且线框中顺时针方向的电流为正) 

   (3)求线框匀速转动时电流的有效值.

 

试题详情

23.(16分)一小铁球每次都从同一点A处自由下落(空气阻力不计),下落过程中依次通过并遮挡两个光电门B、C,从而触发光电计时器,第一次遮光(B处)开始计时,第二次遮光(C处)停止计时。第一次下落时B、C间高度差为,计时器记录时间为,现保持光电门C位置不动,改变光电门B的位置,使B、C间高度差为,计时器记录时间为。求重力加速度的表达式。

试题详情

22.(17分)

(1)下列有关高中物理实验的描述中,正确的是   (   )

A.在用打点计时器“研究匀变速直线运动”的实验中,通过纸带上打下的一系列点迹,可求出纸带上任意两个点迹之间的平均速度

B.在“验证力的平行四边形定则”的实验中,拉橡皮筋的细绳要适当长些,并且实验时要使弹簧测力计与木板平面平行,同时保证弹簧的轴线与细绳在同一直线上

C.在“用单摆测定重力加速度”的实验中,如果摆长的测量及秒表的读数均无误,而测得的值明显偏大,其原因可能是将全振动的次数误计为

D.在“验证动量守恒定律”的实验中,要用天平测出两个碰撞小球的质量

(2)如图所示,利用一只电压表、一个电阻箱和一个电键,测量一个电池组的电动势和内电阻。

①画出实验电路图。

②用笔画线代替导线将所给器材连接成实验电路。

③实验中需要记录的数据有:        

用记录的实验数据可求出电动势的表达式

       ,内电阻的表达式     

试题详情

21.矩形滑块由上、下两层不同的材料组成,将其放在光滑的水平面上,如图所示。质量为的子弹以速度水平射向滑块,若射击上层,则子弹刚好不穿出滑块;若射击下层,则子弹整个儿刚好嵌入滑块。则下列说法正确的是(   )

A.两次射击中滑块均做匀加速运动,加速度相同

B.两次射击中滑块加速运动的时间相同         

C.两次射击中滑块所受冲量一样大

D.面次射击过程中,系统产生的热量相等

第Ⅱ卷(非选择题,共174分)

试题详情

20.两细束平行单色光的间距为,斜射到一块矩形 

玻璃砖的同一表面上.已知在玻璃中的传播速度

设经玻璃砖两次折射后出射光线的间距为,则下列说法正确的是(   )

   A.可能等于零      B.不可能小于

C.不可能等于零     D.不可能大于

试题详情

19.AB和CD为圆上两条相互垂直的直径,圆心为。将电量分别为的两个点电荷放在圆周上,其位置关于AB对称且间距等于圆的半径,如图所示。要使圆心处的电场强度为零,可在圆周上再放一个适当的点电荷Q,则该点电荷Q(   )

   A.应放在A点,   B.应放在B点,

   C.应放在C点,  D.应放在D点,

试题详情


同步练习册答案