题目列表(包括答案和解析)

 0  123276  123284  123290  123294  123300  123302  123306  123312  123314  123320  123326  123330  123332  123336  123342  123344  123350  123354  123356  123360  123362  123366  123368  123370  123371  123372  123374  123375  123376  123378  123380  123384  123386  123390  123392  123396  123402  123404  123410  123414  123416  123420  123426  123432  123434  123440  123444  123446  123452  123456  123462  123470  447348 

23、(16分)如图所示,位于竖直平面内的光滑轨道,由一段斜的直轨道和与之相切的圆形轨道连接而成,圆形轨道的半径为R。一质量为m的小物块从斜轨道上某处由静止开始下滑,然后沿圆形轨道运动。要求物块能通过圆形最高点,且在该最高点与轨道间的压力不能超过5mg(g为重力加速度)。求物块初始位置相对于圆形轨道底部的高度h的取值范围。

试题详情

22.实验题(18分)

(1)用游标为50分度的卡尺测量某圆筒的外径时,卡尺上的示数如图6所示,可读出圆筒的外径为___________ mm.

(2).如图所示,某同学让重锤做自由落体运动,通过测量打点计时器在纸带上打下的点痕来测量当地的重力加速度.该同学在实验时得到6条纸带,在每条纸带上取6个点,如图所示为其中一条,每两个相邻的时间间隔均为T=0.02s.其中1、2、3点相邻,4、5、6点相邻,在3点和4点之间还有若干个点.s1是1、3两点的距离,sSAN3是4、6两点的距离,s2是2、5两点的距离.

(1)测出s1s2s3后,计算点2速度的表达式是v2     ,计算点5速度的表达式是v5     ,计算重力加速度的表达式是g     

(2)该同学测得的数据是s1=4.00cm,s2=19.10cm,s3=8.74cm,根据数据求出重力加速度g       

试题详情

21. 如图所示,在的空间中有恒定的匀强磁场,磁感应强度的方向垂直于 平面向里,大小为.现有一质量为、电量为的带正电粒子,从在轴上的某点P沿着与x轴成300角的方向射入磁场。不计重力的影响,则下列有关说法中正确的是

A.只要粒子的速率合适,粒子就可能通过坐标原点

  B.粒子一定不可能通过坐标原点

  C.粒子在磁场中运动所经历的时间可能为

D.粒子在磁场中运动所经历的时间可能为

第Ⅱ卷(非选择题,共174分)

试题详情

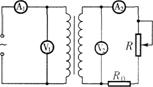
20. 街头通过降压变压器给用户供电的示意图如图所示.变压器输入电压是市区电网的电压,可忽略其波动.输出电压通过输电线输送给用户,输电线的电阻用R0,表示,输电线消耗的电功率用P0表示,变阻器R表示用户的总电阻,P表示用户的总功率,当用电器增加时,相当于R的阻值减小,滑动片向下移(R始终大于R0).当用户的用电器增加时,图中电流表示数I1I2P0P变化为

A.I1变大,I2变大

B.I1变小,I2变小

C.P0变大,P变大

D.P0变小,P变小

试题详情

19.如图所示,一带负电的质点在固定的正的点电荷作用下绕该正电荷做匀速圆周运动,周期为T0,轨道平面位于纸面内,质点的速度方向如图中箭头所示。现加一垂直于轨道平面的匀强磁场,已知轨道半径不因此而改变,则   

A.若磁场方向指向纸里,质点运动的周期将大于T0

B.若磁场方向指向纸里,质点运动的周期将小于T0

C.若磁场方向指向纸外,质点运动的周期将大于T0

D.若磁场方向指向纸外,质点运动的周期将小于T0

试题详情

18.关于热现象和热学规律,有以下说法(   )

A、布朗运动就是液体分子的运动

B、物体的温度越高,分子平均动能越大

C、分子间的距离增大,分子间的引力增大,分子间的斥力减小

D、第二类永动机不可能制成的原因是违反了能量守恒定律

试题详情

17.假设月球的直径不变,密度增为原来的2倍,“嫦娥一号”卫星绕月球做匀速圆周运动的半径缩小为原来的一半,则下列物理量变化正确的是  (   )

A.“嫦娥一号”卫星的向心力变为原来的一半

B、“嫦娥一号”卫星的向心力变为原来的8倍

C、“嫦娥一号”卫星绕月球运动的周期与原来相同

D、“嫦娥一号”卫星绕月球运动的周期变为原来的1/4

试题详情

16.如图,P是一偏振片,P的透振方向(用带有箭头的实线表示)为竖直方向。下列四种入射光束中,哪几种照射P时能在P的另一侧观察到透射光(   )

A.太阳光

B.沿竖直方向振动的光

C.沿水平方向振动的光

D.沿与竖直方向成45°角振动的光

试题详情

15.一列横波在x轴上传播,在x=0与x=1cm的两点的振动图线分别如图中实线和虚线所示。由此可以得出 (    ) 

A.波长一定是4cm

B.波的周期一定是4s

C.波的振幅一定是2cm

D.波的传播速度一定是1cm/s

试题详情

14.已知能使某金属产生光电效应的极限频率为V0。则下列判断正确的是(   )

   A.当用频率为2V0的光照射该金属时,一定能产生光电子

   B.当用频率为2V0的光照射该金属时,产生的光电子的最大初动能为2hV0

   C.当照射光频率大于V0时,若频率增大,则光电子的最大初动能也增大

   D.当照射光频率大于V0时,若频率增大一倍,则光电子的最大初动能也增大一倍

试题详情


同步练习册答案