题目列表(包括答案和解析)

 0  124167  124175  124181  124185  124191  124193  124197  124203  124205  124211  124217  124221  124223  124227  124233  124235  124241  124245  124247  124251  124253  124257  124259  124261  124262  124263  124265  124266  124267  124269  124271  124275  124277  124281  124283  124287  124293  124295  124301  124305  124307  124311  124317  124323  124325  124331  124335  124337  124343  124347  124353  124361  447348 

3.下列集合图形中能够比较直观体现概念之间正 

确关系的是(   )

试题详情

2.图示根尖的结构及细胞分裂和分化的情况。相 

关叙述正确的是(   )

(A)观察细胞质壁分离时可选择a和b区细胞

(B)观察根尖有丝分裂时应选择c区细胞

(C)①过程所经历的时间明显比②过程长

(D)③和④过程中细胞核遗传物质发生了改变

试题详情

1.下列各项大小(或多少)顺序排列不符合X>Y>Z的是(   )

(A)淀粉(X)、麦芽糖(Y)、葡萄糖(Z)分子质量的大小

(B)洋葱表皮细胞短时间浸泡在蒸馏水(X)、0.2mol/L蔗糖溶液(Y)、0.4mol/L蔗糖溶液(Z)中的原生质体的体积大小

(C)玉米的胚(X)、胚乳(Y)、卵细胞(Z)的染色体数

(D)森林生态系统中,生产者(X)、初级消费者(Y)、次级消费者(Z)所同化的能量

试题详情

10.(共16分)在一容积为4 L的密闭容器中,加入0.4mol的N2和1.2mol的H2,在一定条件下发生如下反应:

N2(g)+3H2(g)2NH3(g )  △H<0 ,

反应中NH3的物质的量浓度变化情况如右图:

  (1)根据上图,计算从反应开始到平衡时,平均反应速率v(NH3)

为______________mol/(L·min)。

  (2)该反应的化学平衡常数表达式K________________________

随温度的升高,K值将   (填“增大”、“减小”“不变”)

  (3)反应达到平衡后,第5分钟末,保持其它条件不变,若改变反应温度,则NH3的物

质的量浓度不可能为___________。

        a.0.20 mol/L               b.0.12 mol/L    

        c.0.10 mol/L               d.0.08 mol/L

  (4)反应达到平衡后,第5分钟末,保持其它条件不变,若只把容器的体积缩小一半,平衡___________________移动(填“向逆反应方向”、“向正反应方向”或“不”),化学平衡常数___________(填“增大”、“减小”或“不变”)。

  (5)在第5分钟末将容器的体积缩小一半后,若在第8分钟末达到新的平衡(此时NH3的浓度约为0.25 mol/L),请在上图中画出第5分钟末到此平衡时NH3浓度的变化

曲线。

  (6)在三个相同容器中各充入1 molN2和3molH2,在某一不同条件下反应并达到平衡,

氨的体积分数随时间变化曲线如下图。下列说法正确的是       (填序号) 。

A.图Ⅰ可能是不同压强对反应的影响,且P2>P1

B.图Ⅱ可能是不同压强对反应的影响,且P1>P2

C.图Ⅲ可能是不同温度对反应的影响,且T1>T2

D.图Ⅱ可能是同温同压下,催化剂性能对反应的影响,且1>2

试题详情

9.(共16分)某研究性学习小组将一定浓度Na2CO3溶液滴入CuSO4溶液中得到沉淀。

甲同学认为两者反应生成只有CuCO3一种沉淀;

乙同学认为这两者相互促进水解反应,生成Cu(OH)2一种沉淀;

丙同学认为生成CuCO3和Cu(OH)2两种沉淀。(已知:CuCO3和Cu(OH)2均不带结晶水)

Ⅰ.(1)写出Na2CO3溶液水解的离子方程式      

  (2)在探究沉淀物成分前,须将沉淀从溶液中分离并净化。具体操作为

①过滤 ②      (填操作名称)③干燥。

Ⅱ.请用下图所示装置,选择必要的试剂,定性探究生成物的成分。

  (1)各装置连接顺序为                    

  (2)装置C中装有试剂的名称是              

  (3)能证明生成物中有CuCO3的实验现象是           

Ⅲ.若CuCO3和Cu(OH)2两者都有,可通过下列所示装置的连接,进行定量分析来测定其组成。

  (1)装置C中碱石灰的作用是          ,实验开始时和实验结束时都要通入处理过的过量的空气,其作用分别是:         、        

  (2)若沉淀样品的质量为m g,装置B质量增加了n g,则沉淀中CuCO3的质量分数为:

                ×100%

试题详情

8.(共17分)已知有机物A分子由C、H、O三种元素组成,质谱显示A的分子离子峰质荷比

为120,0.1molA在足量的氧气中充分燃烧后生成0.8mol CO2  和7.2g H2O;A可以发生银镜反应,其苯环上的一卤代物有三种。

  (1)A的分子式是     ,A中含氧官能团的名称是     ,A的结构简式为     

现有如下转化关系:

其中D能使溴的四氯化碳溶液褪色,F继续被氧化生成G,G的相对分子质量为90。

  (2)C可能具有的化学性质有       (填序号)。

① 能与H2发生加成反应 

② 能在碱性溶液中发生水解反应 

③ 能与甲酸发生酯化反应

④ 能与Ag(NH3) 2OH溶液发生银镜反应 ⑤能与氢氧化钠溶液反应

        A.①②③    B.①③⑤    C.①②③⑤    D.②③④⑤

  (3) ① 写出C→D的化学反应方程式           ;反应类型为      

② 在催化剂条件下,C生成高聚物的化学方程式           

③ G与足量NaHCO3溶液反应的化学方程式               

  (4)C的同分异构体有多种,其中符合下列要求的有机物有两种:

①属于酯类化合物  

②遇三氯化铁溶液显紫色  

③与新制氢氧化铜悬浊液共热可生成红色沉淀 

④苯环上的一卤代物只有一种

写出其中一种有机物的结构简式     ,核磁共振氢谱显示该分子中含有   种氢原子。

试题详情

6.下列说法正确的是                                               (   )

   A.强碱性溶液中,Na+、ClO、S2-、NO3能大量共存

   B.金属铁吸氧腐蚀的正极反应为:4OH-4 e- = O2↑+ 2H2O

   C.在K2S溶液中加入AgCl固体时反应的离子方程式为:2AgCl+ S2- = 2Cl-+ Ag2S↓

D.已知乙醇和乙烯的燃烧热分别为1366.8 kJ· mol1和1411.0 kJ· mol1  ,则乙烯水化制乙醇的热化学方程式为:    ;ΔH = + 44.2 kJ· mol1

第Ⅱ卷

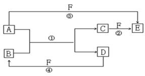
  (1)若A、D、F都是短周期的非金属单质,且A、D所含元素同主族,A、F所含元素同周期,已知D单质在电子工业中有重要作用,则D的原子结构示意图为       ;物质E的结构式为      ;反应①的化学方程式为_____________________________。

  (2)若A是常见金属单质,D是气态非金属单质,F是液态非金属单质,反应①、②都在溶液中进行,写出A在周期表中的位置          ;用电子式表示B的形成过程      物质C与等物质的量的Cl2在溶液中反应的离子反应方程式为             

  (3)若A、D为常见金属单质,A、D分别与F的浓溶液在加热条件下才能发生反应, 写

出反应④的化学方程式                 ;足量的A与溶液B充分反应后,生成物C中金属阳离子的检验方法为                ;若以惰性电极电解B的水溶液,当阴极增重3.2g时,阳极生成气体的体积在标准状况下为    L。

试题详情

5.现有常温下的四种溶液:                                         

溶液编号




溶液名称
氨水
氢氧化钠溶液
醋酸
盐酸
离子浓度
pH=11
mol/L
mol/L
mol/L

下列有关叙述正确的是                                           (   )

    A.等体积的四种溶液分别加水稀释10倍后,其pH大小顺序为②>①>④>③

   B.将①、④两种溶液按一定体积混合,所得溶液的pH=6,则该溶液中不存在NH3· H2O

    C.等体积的①、②两种溶液分别与④完全中和反应时,所需④溶液溶质的物质的量相等

   D.在③、④中分别加入少量醋酸钠晶体至常温后溶液的pH均增大,均不变

试题详情

4.下列各溶液中,微粒的物质的量浓度关系正确的是                       (   )

   A.0.1mol/LNaHCO3溶液中:c(H+)+c(H2CO3)= c(CO32-)+c(OH)

   B.将稀氨水逐滴加入稀硫酸中,当溶液呈中性时,c(SO42-)>c(NH4 +)

   C.相同温度下,物质的量浓度相同的Ba(OH)2溶液和氨水中c(OH)之比是2:1

  D.常温下,0.1mol/L某一元酸(HA)溶液中c(OH)/ c(H+)=1×10-8,该溶液中由水电离出的c(H+)=1×10-3 mol·L-1

试题详情

3.下列有关实验的说法不正确的是                                     (   )

   A.用质谱法可测定有机物的相对分子质量

   B.苯酚不慎沾到皮肤上,应立即用酒精洗涤

     C.读取滴定管内液体的体积,先平视后俯视导致读数偏小

   D.除去乙酸乙酯中的少量乙酸,可以加入乙醇和浓硫酸加热,使乙酸全部转化为乙酸乙酯

试题详情


同步练习册答案