题目列表(包括答案和解析)

 0  124180  124188  124194  124198  124204  124206  124210  124216  124218  124224  124230  124234  124236  124240  124246  124248  124254  124258  124260  124264  124266  124270  124272  124274  124275  124276  124278  124279  124280  124282  124284  124288  124290  124294  124296  124300  124306  124308  124314  124318  124320  124324  124330  124336  124338  124344  124348  124350  124356  124360  124366  124374  447348 

32.(14分)小鼠基因敲除技术获得2007年诺贝尔奖,该技术采用基因工程、细胞工程、杂交等手段使小鼠体内的某一基因失去功能,以研究基因在生物个体发育和病理过程中的作用。例如现有基因型为BB的小鼠,要敲除基因B,可先用体外合成的突变基因b取代正常基因B,使BB细胞改变为Bb细胞,最终培育成为基因敲除小鼠。

(1)基因敲除过程中外源基因是否导入受体细胞,可利用重组质粒上的       检测。如果被敲除的是小鼠抑癌基因,则可能导致细胞内的         被激活,使小鼠细胞发生癌变。

(2)通过基因敲除,得到一只AABb小鼠。假设棕毛基因A、白毛基因a、褐齿基因B和黄齿基因b均位于常染色体上,现要得到白毛黄齿新类型小鼠,用来与AABb小鼠杂交的纯合亲本的基因型是       ,杂交子代的基因型是     。让F1代中双杂合基因型的雌雄小鼠相互交配,子代中带有b基因个体的概率是      。不带B基因个体的概率是      

(3)在上述F1代中只考虑齿色这对性状,假设这对性状的遗传属X染色体伴性遗传,则表现黄齿个体的性别是      ,这一代中具有这种性别的个体基因型是     

试题详情

31.(10分)回答下列与细胞有关的实验问题。

(1)下列4项实验中,需保持细胞生理活性的有__________(填序号)。

   ①观察叶绿体和原生质的流动

   ②观察洋葱鳞片叶内表皮细胞中DNA的分布

   ③探究酵母菌的呼吸方式

   ④红细胞中血红蛋白的提取和分离

(2)按下面步骤进行质壁分离实验。

   步骤一:在洁净的载玻片中央加一滴清水,取一片藓类小叶,盖上盖玻片。

   步骤二:从盖玻片一侧滴入0.3g/mL的蔗糖溶液,在盖玻片的另一侧用吸水纸吸引。这样重复几次,使盖玻片下面的藓类小叶浸润在0.3/mL的蔗糖溶液中。

   步骤三:在显微镜下观察,结果如图所示。

①上图中A、B处的颜色分别是     ___________

②如果上述实验步骤二中从盖玻片的一侧滴入的是加有伊红(植物细胞不吸收的红色染料)的0.3g/mL的蔗糖溶液,则在显微镜下观察到A、B处颜色分别是___________、___________。

③如果将步骤二中浸润在0.3g/mL的蔗糖溶液中的藓类小叶的装片,放在80℃条件下处理一段时间(装片中的藓类小叶保持在0.3/mL的蔗糖溶液中)。在显微镜下清晰地观察到细胞结构后,为更准确地判断A处颜色,对显微镜的操作方法是____________________、__________________。

如果A处呈绿色,可能的原因是________________________________________。

试题详情

30.(18分,每空2分)

   硫酸铜是一种应用极其广泛的化工原料.某课外兴趣小组将适量浓硝酸分多次加到铜粉与稀硫酸的混合物中,加热使之反应完全(装置如题29图I、图Ⅱ所示),通过蒸发、结晶得到硫酸铜晶体,并同时测定硫酸铜晶体中结晶水的含量.

(1)怎样检查图I装置的气密性                          

(2)图I中分液漏斗内装的液体是               

(3)图Ⅱ是图Ⅰ的改进装置,与图I相比,图Ⅱ装置的明显优点是         

                              ,(可不答满).

(4)课外兴趣小组同学在测定胆矾晶体中结晶水的含量时.测得有关数据如下表:

加热前质量高☆考♂资♀源?网
加热后质量
m1(容器)
m2(容器+晶体)
m3(容器+无水CuSO4)
5.4g
7.9g高☆考♂资♀源?网
6.8g高☆考♂资♀源?网

①为完成测定,题29图Ⅲ中还缺少的仪器名称是             

②判断样品已恒重的方法是                       

③测定所得胆矾中结晶水含量的实验中,称量操作至少进行   次。

④课外兴趣小组的测定结果x值(与相比)     (填“偏高”、“偏低”、“不变”),可能的原因是         。(填字母序号)

a.加热温度过高          b.胆矾晶体的颗粒较大

c.加热后放在空气中冷却      d.胆矾晶体部分风化

试题详情

29.(12分,方程式3分)

(1)H2O2的水溶液为二元弱酸,科学家对H2O2结构的认识经历了较为漫长的过程,最初他们提出了两种观点:

a

(式中O→O表示共用电子对由前一个氧原子提供)和  b.H-O-O-H

①请用电子式表示b的结构                        

②写出H2O2在水溶液中的电离方程式                    

(2)①用单质碘和氯酸钾可以制得碘酸钾,其中涉及的一个反应为:

I2 + KClO3 + H2O → KH(IO3)2 + KCl + Cl2↑.因此有人认为I2的氧化性强于氯气,你    (填“同意”或“不同意”)该观点,理由是               

②用电化学方法也可以制碘酸钾.原理是以石墨为阳极,不锈钢为阴极,以碘化钾溶液为电解质溶液,在一定电流和温度下进行电解(同时不断搅拌电解质溶液)其电解总反应式为:,试写出阳极的电极反应式  

                       

试题详情

28、(16分)乙偶姻是一个极其重要的香料品种。乙偶姻(相对分子质量为88)中只含有C、H、O三种元素,其原子个数比为2:4:1 ,乙偶姻中含有碳氧双键。与乙偶姻有关的反应如下:

   

高☆考♂资♀源?网

 

已知:

  (1)乙偶姻的分子式为___________。

  (2)X是乙偶姻的同分异构体,属于酯类,写出其所有可能结构简式_______     _。

  (3)写出反应①、③的反应类型:① ___________、③ ___________。

  (4)A的一氯代物只有一种。写出下列物质的结构简式:

A ___________________、乙偶姻 __________________、C_________________。

  (5)写出D → E反应的化学方程式_______________________________________。

试题详情

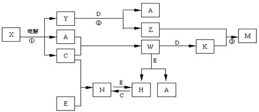
27.(14分,每空2分) A.B.C.D.E是中学化学常见单质,构成它们的元素的原子序数分别为α、b. c.d.е;且3 (a+b) = 2 (a+c) = 3 (d-a);X、Y、Z、M、N、W、H、K是常见化合物,X是B和C的化合产物,它们之间有如下转化关系(图中反应物和产物中的H2O已略去): 高☆考♂资♀源?网

  (1)Y的电子式为     ,构成D单质的元素在周期表中位于   周期   族高☆考♂资♀源?网

  (2)反应③的离子方程式为                        E的氧化物与D在一定条件下反应的化学方程式为:                   .

  (3)固体N常温下即挥发,183℃升华,几乎溶于所有的有机溶剂和H2O中,据此判断 N为         型晶体

  (4)25℃时,PH=5的W和N的水溶液中由H2O电离出来的H+离子浓度之比为      

试题详情

26.(22分)质量为m,长为L的矩形绝缘板放在光滑水平面上,另有一质量为m,带电量为q的小物块沿板的上表面以某一初速度从左端A水平向右滑上该板,整个装置处于竖直向下,足够大的匀强电场中,小物块沿板运动至右端B恰好停在板上.若强场大小不变而方向反向,当小物块仍由A端以相同的初速度滑上板面,则小物块运动到距A端的距离为板长2/3处时,就相对于板静止了。

⑴通过计算说明小物块带何种电荷?匀强电场场强的大小E是多少?

⑵撤去电场,在绝缘板上距A端为处固定一质量可以忽略的挡板,小物块以相同初速度滑上绝缘板,与该挡板发生弹性正碰,求至少多大时,小物块不会从绝缘板上掉下。

高☆考♂资♀源?网

试题详情

25. (18分)如图所示,直线MN下方无磁场,上方空间存在两个匀强磁场,其分界线是半径为R的半圆,两侧的磁场方向相反且垂直于纸面,磁感应强度大小都为B,现有一质量为m、电荷量为q的带负电微粒从P点沿半径方向向左侧射出,最终打到Q点,不计微粒的重力。求:

(1)微粒在磁场中运动的周期;

(2)从P点到Q点,微粒的运动速度大小及运动时间;

试题详情

24.(14分)杂技演员在进行“顶杆”表演时如图甲所示,用的是一根质量可忽略不计的长竹竿,质量为50kg的演员自杆顶由静止开始下滑,滑到杆底时速度正好为零,已知竹竿底部与下面顶杆人肩部间有一感应器,如图乙所示为传感器显示的顶杆人肩部的受力情况,取g=10m/s2,求:竹竿的长度.

试题详情

23.(12分)在测定一节干电池的电动势和内阻的实验中,备有下列器材:

A.待测干电池(电动势约为1.5V,内阻约为4Ω)

B.电压表V1(量程0~2V,内阻约为2000Ω)

C.电压表V2(量程0~6V,内阻约为6000Ω)

D.电阻箱R1(最大电阻99.9Ω,额定电流1A)

E.滑动变阻器R2(最大电阻20Ω,额定电流2A)

F.滑动变阻器R3(最大电阻200Ω,额定电流1A)

G.电键一个,导线若干

(1)为方便且能较准确地进行测量,电压表应选择       ,电阻箱或滑动变阻器应选择       (填写器材前面的字母)。

(2)请在下面所给方框内,画出利用所选器材测量干电池的电动势和内阻的实验电路图。

高☆考♂资♀源?网

(3)某同学在实验中得到了多组路端电压和外电阻的数据,对所得数据进行处理后,在坐标纸上做出了如下图线:

由图得出,干电池的电动势E=      V,内阻r=      Ω(结果保留两位有效数字)。

试题详情


同步练习册答案