题目列表(包括答案和解析)

 0  164599  164607  164613  164617  164623  164625  164629  164635  164637  164643  164649  164653  164655  164659  164665  164667  164673  164677  164679  164683  164685  164689  164691  164693  164694  164695  164697  164698  164699  164701  164703  164707  164709  164713  164715  164719  164725  164727  164733  164737  164739  164743  164749  164755  164757  164763  164767  164769  164775  164779  164785  164793  447348 

15、如图所示电路11,下列分析正确的是(  )

A、S1断开,S2、S3闭合,电路总电阻最大

B、S3断开,S1、S2闭合,电路总电阻最小     C、S3闭合,S1、S2断开,L1、L2并联

D、S1闭合,S2、S3断开,L1、L2串联

试题详情

14、如图10,已知L的电阻为20,R是阻值0-80的滑动变阻器,电源电压6V保持不变。在滑片滑动过程中,电压表、电流表示数的变化范围是(  )

A、0-1.2V  0.06-0.3A       B、6-1.2V  0.30-0.06A

C、0-4.8V  0.3-0.06A       D、6-4.8V  0.06-0.3A

试题详情

13、如图9,电源电压U恒定,当滑动变阻器的滑片P在分别在右端中间和左端时,电流表示数I1、I2、I3,则它们的关系是(  )

A、I1=I2=I3    B、I1>I2>I3     C、I1<I2<I3     D、I1=I2+I3

试题详情

12、将一根长为的均匀电阻切成两段后,再并联使用,想使并联后的总电阻最大,那么在如下四种切法中,应选用(  )

A、/2  /2   B、/3  2/3    C、/10  9/10   D、/100  99/100

试题详情

11、如图8是小明连接的“电流跟电压、电阻的关系”实验电路图,闭合开关S,电流表,电压表可能出现的现象是(  )

A、电流表电压表数均为零

B、电流表和电压表指针迅速发生最大偏转,电表损坏

C、电流表示数为零,电压表示数接近电源电压

D、电流表示数0.4A,电压表示数为3V

试题详情

10、某同学在做测小灯泡发光时电阻的实验时,将实物连成如图7所示情况,开关S闭合时会发生的情况是(  )

A、电流表会烧坏          B、电压表被烧坏

C、小灯泡被烧           D、电流表,电压表不会烧坏但灯L不发光

试题详情

9、如图6灯L1、L2的电阻R1、R2之比为3:2,当开关S闭合时,电流表A1与A2的示数之比为(  )

A、3:2     B、2:3      C、2:5      D、5:2

试题详情

8、如图5,R1=4,R3=20,开关S闭合时,电压表V1示数为5V,V2示数为9V,则R2的阻值为(  )

A、4      B、16     C、18      D、20

试题详情

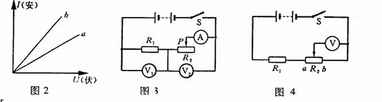
7、如图4所示,电源电压保持12V不变,R1=30,变阻器R2的阻值变化范围是0-20。开关S闭合,当变阻器滑片P由a端滑至b端过程中电压表示数的变化范围为(  )

A、7.2V-0V   B、4.8V-0V    C、4.8V-7.2V   D、4.8V-12V

试题详情

6、两电阻R1、R2并联时总电阻为4,接入电路中时,它们通过的电流I1:I2=1:2,则R1、R2的阻值分别为(  )

A、1,3   B、2.7,1.3  C、6,12   D、12,6

试题详情


同步练习册答案