题目列表(包括答案和解析)

 0  165359  165367  165373  165377  165383  165385  165389  165395  165397  165403  165409  165413  165415  165419  165425  165427  165433  165437  165439  165443  165445  165449  165451  165453  165454  165455  165457  165458  165459  165461  165463  165467  165469  165473  165475  165479  165485  165487  165493  165497  165499  165503  165509  165515  165517  165523  165527  165529  165535  165539  165545  165553  447348 

17.(9分)有一个小灯泡上标有“3V 0.2A”的字样,现要描绘并研究其伏安特性曲线,有下列器材可供选用:             

    A.电压表(0-3V, 内阻约2)                

    B.电压表((0-15V,内阻约5)

    C.电流表((0-0.3A,内阻约2)               

    D.电流表(0-6A,  内阻约0.5)

    E.滑动变阻器(10,1A)       F.滑动变阻器(1000,0.3A)

    G.直流电源(6V,内阻不计)另有开关一个、导线若干。

  (1)实验中电压表应选__________,电流表应选 ________,滑动变阻器应选_____________.(只填器材的字母代号)。

  (2)在下面的虚线框中画出实验电路图。

  (3)利用实验中得到实验数据在下图(3)所示的I-U坐标系中,描绘得出了小灯泡的伏安特性曲线。根据此图给出的信息,若把该灯泡接到一个电动势为3.0伏,内阻为10Ω的直流电源时小灯泡消耗的实际功率约为_______________ 。 (结果保留两位有效数字)

试题详情

16.(6分)如图为“探究电磁感应现象”的实验装置。

    如果在闭合电键时发现灵敏电流计的指针向右偏了一下,那么合上电键后可能出现的情况有:

    I.将原线圈迅速插入副线圈时,灵敏电流计指针将____________。(填“向右偏”、“向左偏”或“不偏转”)

    II.原线圈插入副线圈后,将滑动变阻器触头迅速向左拉时,灵敏电流计指针___________。(填“向右偏”、“向左偏”或“不偏转”)

试题详情

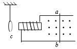
15.如图所示,金属导轨上的导体棒ab在匀强磁场中沿导

轨做下列哪种运动时,铜制线圈c中将有感应电流产生

且被螺线管吸引                        (   )

    A.向右做匀速运动              

    B.向左做减速运动

    C.向右做减速运动              

    D.向右做加速运动

试题详情

14.某电场的分布如图所示,带箭头的实线为电场线,虚线

为等势线。A、B、  C三点的电场强度分别为EAEB

EC,电势分别为φAφBφC,关于这三点的电场强

度和电势的关系,下列判断中正确的是   (   )

    A.EA< EB, φB=φC             

    B.EA> EB, φA>φB

    C.EA> EB, φA<φB             

    D.EA= EC, φB=φC

试题详情

13.在变电站里,经常要用交流电表去监测电网上的强电流或高电压,所用的器材叫互感器。如下所示的四个图中,能正确反应其工作原理的是                               (   )

试题详情

12.在电能输送过程中,若输送的电功率一定,则在输电线上损耗的功率        (   )

    A.随输电线电阻的增大而增大

    B.和输电线上电流强度成正比

    C.和输送电压成正比

    D.和输送电压的平方成正比

试题详情

11.一个按正弦规律变化的交流电的图象如图所示,根据图象

可以知道                               (   )

    A.该交流电流的频率是0.02Hz

    B.该交流电流的有效值是14.14A

    C.该交流电流的瞬时值表示式是i=20sin0.02t(A)

    D.该交流电流的周期是0.02s

试题详情

10.如图所示的四个图中,分别标明了通电导线在磁场中的电流方向、磁场方向以及通电导线所受磁场力的方向,其中正确的是                                           (   )

试题详情

9.关于磁感应强度B的概念,下列说法中正确的是                        (   )

    A.根据磁感应强度B的定义式B=F/IL可知,磁感应强度B与F成正比,与IL成反比

    B.一小段通电导线放存磁感应强度为零处,它所受的磁场力一定为零

    C.一小段通电导线在某处不受磁场力作用,该处的磁感应强度一定为零

    D.磁场中某处磁感应强度的方向,与通电导线在该处所受磁场力的方向相同

试题详情

8.对电磁感应现象,下列说法中正确的是                               (   )

    A.只要有磁通量穿过回路,回路中就有感应电流

    B.只要闭合回路在做切割磁感线运动,回路中就有感应电流

    C.只要穿过闭合回路的磁通量足够大,回路中就有感应电流

    D.只要穿过闭合回路的磁通量发生变化,回路中就有感应电流

试题详情


同步练习册答案