题目列表(包括答案和解析)

 0  168500  168508  168514  168518  168524  168526  168530  168536  168538  168544  168550  168554  168556  168560  168566  168568  168574  168578  168580  168584  168586  168590  168592  168594  168595  168596  168598  168599  168600  168602  168604  168608  168610  168614  168616  168620  168626  168628  168634  168638  168640  168644  168650  168656  168658  168664  168668  168670  168676  168680  168686  168694  447348 

11、(12分)小玲同学平时使用带弹簧的圆珠笔写字,她想估测里面小弹簧在圆珠笔尾端压紧情况下的弹性势能的增加量。请你帮助她完成这一想法。

   ⑴写出实验所用的器材:_______________________。

⑵写出实验的步骤和所要测量的物理量(用字母量表示)(要求能符合实际并尽量减少误差)。

   ⑶弹性势能的增加量的表达式__________。(用测得量表示)

试题详情

10、(6分)下图是一个汽车车门报警装置逻辑电路图,图中的两个按钮开关分别装在汽车的两扇门上。只要打开任意一扇门,即电路中任何一个开关处于断开状态,发光二极管就发光报警。清你根据报警装置的要求,在电路图的虚线框内画出门电路符号,并完成该门电路的真值表。

试题详情

9、一物体沿直线运动,其图像如图所示,已知在前内合外力对物体做的功为,则(    )

、从第末到第末合外力做功为

、从第末到第末合外力做功为

、从第末到第末合外力做功为

、从第末到第末合外力做功为

第Ⅱ卷(非选择题  共89分)

试题详情

8、下图是验证楞次定律实验的示意图,竖直放置的线圈固定不动,将磁铁从线圈上方插入或拔出,线圈和电流表构成的闭合回路中就会产生感应电流。各图中分别标出了磁铁的极性、磁铁相对线圈的运动方向以及线圈中产生的感应电流的方向等情况,其中表示正确的是   (    )

试题详情

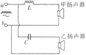
7、“二分频’’音箱内有高、低两个扬声器。音箱要将扩音机送来的含有不同频率的混合音频电流按高、低段分离出来,送往相应的扬声器,以便使电流所携带的音频信号按原比例还原成高、低频的机械振动。右图为音箱的电路简化图,高低频混合电流由端输入,是线圈,是电容器,则(    )

、甲扬声器是低音扬声器;

的作用是阻碍低频电流通过乙扬声器;

、乙扬声器的振幅一定大;

的作用是阻碍高频电流通过甲扬声器;

试题详情

6、两个小球质量分别为,由两轻质弹簧连接(如图所示),处于平衡状态,下列说法正确的是(    )

、将球上方弹簧剪断的瞬时,的加速度为零,的加速度为零;

、将球上方弹簧剪断的瞬时,的加速度不为零,的加速度为零;

、将球下方弹簧剪断的瞬时,的加速度不为零,的加速度为零;

、将球下方弹簧剪断的瞬时,的加速度不为零,的加速度不为零;

试题详情

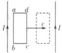
5、如图所示,矩形线圈放在两同向且电流强度相等的直线电流之间,它们都在同一平面内,矩形线圈从左向右匀速运动到虚线位置过程中,回路中的感应电流方向为(    )

、先

、先

、一直是

、一直是

试题详情

4、如图所示,在真空中有两个正点电荷,分别置于两点,处点电荷的电荷量大于处点电荷的电荷量,连线的中垂线上的两点,现将一负电荷点沿中垂线移动到点,在此过程中,下列说法正确的是(    )

的电势能逐渐减小;

的电势能逐渐增大;

的电势能先增大后减小;

、以上均不正确;

试题详情

3、如图所示,在一次救灾工作中,一架沿水平直线飞行的直升飞机,用悬索(重力可忽略不计)救护困在湖水中的伤员。在直升飞机和伤员以相同的水平速度匀速运动的同时,悬索将伤员提起,在某一段时间内,之间的距离以(式中为直升飞机离地面的高度,各物理量的单位均为国际单位制单位)规律变化,则在这段时间内,下面判断中正确的是(不计空气作用力)(    )

、悬索的拉力小于伤员的重力;

、悬索成倾斜直线;

、伤员做速度减小的曲线运动;

、伤员做加速度大小、方向均不变的曲线运动;

试题详情

2、下列关于光的认识,正确的是(    )

、光的干涉和衍射不仅说明了光具有波动性,还说明了光是横波;

、拍摄玻璃橱窗内的物品时,往往在镜头前加一个偏振片以增加透射光的强度;

、爱因斯坦提出的光子说否定了光的波动说;

、全息照片往往用激光来拍摄,主要是利用了激光的相干性;

试题详情


同步练习册答案