题目列表(包括答案和解析)

 0  168688  168696  168702  168706  168712  168714  168718  168724  168726  168732  168738  168742  168744  168748  168754  168756  168762  168766  168768  168772  168774  168778  168780  168782  168783  168784  168786  168787  168788  168790  168792  168796  168798  168802  168804  168808  168814  168816  168822  168826  168828  168832  168838  168844  168846  168852  168856  168858  168864  168868  168874  168882  447348 

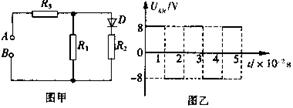
13.(10分)如图甲所示的电路中,D为二极管(正向电阻为零,反向电阻为无穷大),,当在AB间加上如图乙所示的交流电压时,求:

  (1)在0-1×10-2s时间内通过R1的电流;

  (2)1s内电阻R3所消耗的电能.

试题详情

12.(6分)为了测定和描绘“220V  40W”的白炽灯灯丝的伏安特性曲线,可以利用调压变压器供电.调压变压器上一一种自耦变压器,它只有一组线圈L,绕在闭合的环形铁芯上,输入端接在220v交流电源的火线与零线之间,输出端有一个滑动触头P,移动它的位置,就可以使输出电压在0-250V之间连续变化,如图所示,画出的是调压变压器的电路图符号.实验室备有交流电压表、交流电流表、滑动变阻器、电键、导线等实验器材.

  (1)在图中完成实验电路图.

  (2)说明按的实验电路图进行测量,如果电表内阻的影响不能忽略,

电压较高段与电压较低段相比较,哪段误差更大?为什么?

__________               _______.

试题详情

11.(4分)有一个称为“千人震”的趣味物理小实验,实验是用一节电动势为1.5V的新干电池,几根导线、开关和一个用于日光灯上的镇流器,几位做这个实验的同学手拉手成一串,另一位同学将电池、镇流器、开关用导线将它们和首、尾两位同学两个空着的手相连,如图所示,在通或断时就会使连成一串的同学都有触电感觉,该实验原理是___    ________;人有触电感觉时开关是通,还是断的瞬间______  ___,因为________          ___                                      __.

试题详情

10.在图中的(a)、(b)、(c)中除导体棒ab可动外,其余部分均固定不动,(a)图中的电容器C原来不带电,设导体棒、导轨和直流电源的电阻均可忽略,导体棒和导轨间的摩擦也不计.图中装置均在水平面内,且都处于方向垂直水平面(即纸面)向下的匀强磁场中,导轨足够长,今给导体棒ab一个向右的初速度v0,导体棒的最终运动状态是                   (   )

A.三种情况下,导体棒ab最终都  是匀速运动

B.图(a)、(c)中ab棒最终将以不同的速度做匀速运动;图(b)中ab棒最终静止

    C.图(a)、(c)中,ab棒最终将以相同的速度做匀速运动

    D.三种情况下,导体棒ab最终均静止

第Ⅱ卷(非选择题,共110分)

试题详情

9.振弦型频率传感器的结构如图所示,它由钢弦和永久磁铁两部分组成,钢弦上端用固定夹块夹紧,下端的夹块与一膜片相连接,当弦上的张力越大时,弦的固有频率越大.这种装置可以从线圈输出电压的频率确定膜片处压力的变化.下列说法正确的是(   )             A.当软铁块与磁铁靠近时,a端电势高

    B.当软铁块与磁铁靠近时,b端电势高

    C.膜上的压力较小时,线圈中感应电动势的频率高

    D.膜上的压力较大时,线圈中感应电动势的频率高

试题详情

8.如图所示,一根长导线弯成“n”形,通以电流I,正中间用不计长度的一段绝缘线悬挂一金属环C,环与导线处于同一竖直平面内,在电流I增大的过程中,下列叙述正确的是(   )

A.金属环C中无感应电流产生  

    B.金属环C中有沿逆时针方向的感应电流

    C.悬挂金属环C的竖直线拉力变大 

    D.金属环C仍能保持静止状态

试题详情

7.如图所示的两个电路,灯泡L2L3的功率均为P,且L1L2L3为相同的灯泡,匝数比为,则图(a)中L1的功率和  图(b)中L1的功率分别为(   )

    A.P、P         B.9P  

    C.、9P      D.、9P

试题详情

6.如图所示,相距为L的两条足够长的光滑平行轨道上,平行放置两根质量和电阻都相同的滑杆abcd,组成矩形闭合回路.轨道电阻不计,匀强磁场B垂直穿过整个轨道平面.开始时abcd均处于静止状态,现用一个平行轨道的恒力F向右拉ab杆,则下列说法正确的是   (   )                         

    A.cd杆向左运动

    B.cd杆向右运动

    C.abcd杆均先做变加速运动,后做匀速运动

    D.abcd杆均先做变加速运动,后做匀加速运动

试题详情

5.如图所示,MN是一根固定的通电直导线,电流方向由NM,今将一金属框abcd放在导线上,让线框的位置偏向导线的左边,两者彼此绝缘.当导线中的电流突然增大时,线框整体受力情况为                  (   )

    A.受力沿x轴正向               

    B.受力沿x轴负向

    C.受力沿y轴正向               

    D.受力沿y轴负向

试题详情

4.一直升飞机停在南半球的地磁极上空。该处地磁场的方向竖直向上,磁感应强度为B。直升飞机螺旋桨叶片的长度为l,螺旋桨转动的频率为f,顺着地磁场的方向看螺旋桨,螺旋桨按顺时针方向转动。螺旋桨叶片的近轴端为a,远轴端为b,如图所示。如果忽略a到转轴中心线的距离,用E表示每个叶片中的感应电动势,则                (   )                 

A.Eπfl2B,且a点电势低于b点电势  

 B.E=2πfl2B,且a点电势低于b点电势

C.Eπfl2B,且a点电势高于b点电势  

D.E=2πfl2B,且a点电势高于b点电势

试题详情


同步练习册答案