题目列表(包括答案和解析)

 0  168771  168779  168785  168789  168795  168797  168801  168807  168809  168815  168821  168825  168827  168831  168837  168839  168845  168849  168851  168855  168857  168861  168863  168865  168866  168867  168869  168870  168871  168873  168875  168879  168881  168885  168887  168891  168897  168899  168905  168909  168911  168915  168921  168927  168929  168935  168939  168941  168947  168951  168957  168965  447348 

22.(18分)

   (1)(4分)在用单摆测定重力加速度的实验中,下列说法正确的是

    A.测周期时,测得完成n次全振动所用时间为t,则周期为t/n

    B.在摆球经过平衡位置时开始计时,可减小总时间的测量误差

    C.如果实验中使摆角更大些,能记录更多摆动次数,可减小重力加速度的测量误差

    D.若计算摆长等于摆线长加摆球的直径,则重力加速度的测量值偏大

   (2)(14分)现要求测量一个阻值略大于50 kΩ的电阻的阻值,提供的器材如下:

    A.电压表V,已知内阻RV为50 kΩ,量程未知,但刻度清晰

V
 
K2
 
K1
 
Rx
 
R0
 
R
 
    B.定值电阻R0,其阻值已知为50 kΩ,

    C.滑动变阻器,阻值范围为0-10 Ω,额定电流为2 A

    D.滑动变阻器,阻值范围为0-100 Ω,额定电流为1 A

    E.二节干电池,其内阻很小不计

    F.单刀双掷开关一个

    G.导线若干、电键一个

   实验时测量的电原理图如图

    ①要求测量多次且精度较高,则滑动变阻器应选用      (3分)(填字母代号)

    ②其测量步骤(简述)为_____________________________________________________

  ____________________________________________________________________________

________________________________________________________________________ (4分),

计算待测电阻的表达式为Rx=_______________(用电压表指针指示的格数及字母表示)

    ③测量值比真实值_______________(填偏大、偏小、相等)

      班级        姓名          学号         分数         

试题详情

25.解:(1)根据粒子在电场中的偏转方向,可知粒子带正电,再根据左手定则判断,磁场方向垂直于纸面向外。  (4分)

(2)设带电粒子的电量为q,质量为m,盒子的边长为l,粒子在电场中沿ad方向的位移为l,沿ab方向的位移为,得,解得匀强电场的场强为      (5分)

带电粒子在磁场中作匀速圆周运动,轨道半径为R,根据牛顿第二定律得   

解得 

根据如图的几何关系

解得轨道半径为

解得  (9分)因此解得    (2分)

试题详情

24.(18分)

解:电场强度为3.00×10-3N/C时,带电液滴静止放置在水平的两平行金属板间,有:

     得    (8分)

当两极板间的电场强度减小到6.00×10-4N/C时,根据牛顿第二定律有

    又根据运动学公式  

联立求解得

   解得:        (10分)

试题详情

23.(16分)解:小球在碰撞斜面前做平抛运动。设刚要碰撞

斜面时小球速度为,由题意,的方向与竖直线的夹角

为30°,且水平分量仍为,如图所示。

由此得     (6分)

碰撞过程中,小球速度由变为反向的,碰撞时间极短,可不

计重力的冲量,由动量定理,斜面对小球的冲量为

     (6分)得      (4分)

试题详情

22.(18)(1)(6分)7.62   7.56

  (2)(12分)(a)1.5mA   143Ω

   (c)如图所示   16.8Ω  15 mA

试题详情

24.(18分)一带电液滴静止在水平放置的两平行金属板,液滴距下极板的距离为4.00×10-2

m,此时两极板间的电场强度为3.00×10-3 N/C。若不改变两极板的带电特性,只是突然将两

极板间的电场强度减小到6.00×10-4 N/C,求液滴运动到下极板所需的时间。(g=l0 m/s2)

e
 
E
 
d
 
c
 
b
 
a
 
v0
 
  25.(20分)如图所示,abcd是一个正方形的盒子,在cd边的中点有一小孔e,盒子中存在

着沿ad方向的匀强电场,场强大小为E。一粒子源不断地从a处的小孔沿ab方向向盒内发射

相同的带电粒子,粒子的初速度为v0,经电场作用后恰好从e处的小孔射出。现撤去电场,在

盒子中加一方向垂直于纸面的匀强磁场,磁感应强度大小为B(图中未画出),粒子仍恰好从

e孔射出。(带电粒子的重力和粒子之间的相互作用力均可忽略)

   (1)所加磁场的方向如何?

   (2)电场强度E与磁感应强度B的比值为多大?

高考物理套题训练冲刺卷十四

试题详情

22、(1)                    

   (2)                    

                        

v0
 
m
 
300
 
  23.(16分)如图所示,一质量为m的小球,以初速度v0沿水平方向射出,恰好垂直地射到

一倾角为30°的固定斜面上,并立即反方向弹回。已知反弹速度的大小是入射速度大小的3/4,

求在碰撞中斜面对小球的冲量大小。

 

试题详情

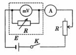
22.(18分)

   (1)(6分)在“验证机械能守恒定律”的实验中,已知打点计时器所用电源的频率为50

Hz。查得当地的重力加速度g=9.80 m/s2。测得所用的重物的质量为1.00 kg。实验中得到一条

点迹清晰的纸带(如图)。把第一个点记作0,另选连续的4个点ABCD作为测量的点。

经测量知道ABCD各点到0点的距离分别为62.99 cm、70.18 cm、77.76 cm、85.73 cm,

根据以上数据,可知重物由0点运动到C点,重力势能的减少量等于       J,动能

的增加量等于      J。(取3位有效数字)

 

(2)(12分)实验室内有一电压表mV,量程为150 mV,内阻约为150 Ω,现要将其改装

成量程为10 mA的电流表,并进行校准。为此,实验室提供如下器材:干电池E(电动势为1.5

V),电阻箱R,滑线变阻器R′,电流表(有I.5 mA,15 mA与150 mA三个量程)及开关K

要求按以下步骤完成改装:(a)先测电压表的内阻。可用如图所示的电路测量电压表的内阻。

在既不损坏仪器又能使精确度尽可能高的条件下,电路中电流表应选用的量程是     。若

合上K,调节滑线变阻器后测得电压表的读数为150 mV,电流表的读数为1.05 mA,则电压

表的内阻Rmv为     Ω。(取三位有效数字)(b)更改表盘的刻度值。(c)对改装成的

电流表进行校准,把A作为标准电流表,请你在方框中,画出对改装成的电流表进行校准的

电路原理图。要求滑线变阻器作限流使用,图中各元件要用题中给出的符号或字母标注。图

中电阻箱的取值是    (取三位有效数字),电流表应选用的量程是     

 

      班级        姓名          学号         分数         

试题详情

21.下列说法中不正确的是

   A.热量不能由低温物体传递到高温物体

   B.外界对物体做功,物体的内能必定增加

   C.第二类永动机不可能制成,是因为违反了能量守恒定律

   D.不可能从单一热源吸收热量并把内能全部转化成机械能,同时不引起其他变化

试题详情

20.水平横梁的一端A插在墙壁

内,另一端装一小滑轮B,一轻绳

的一端C固定于墙壁上,另一端跨过滑轮后悬挂一质量为m=10 kg的重物,∠CBA=30°,如

图所示,则滑轮受到绳子的作用力为(g取l0 N/kg)

   A.50 N       B.50 N      C.100 N       D.100 N

试题详情


同步练习册答案