题目列表(包括答案和解析)

 0  169736  169744  169750  169754  169760  169762  169766  169772  169774  169780  169786  169790  169792  169796  169802  169804  169810  169814  169816  169820  169822  169826  169828  169830  169831  169832  169834  169835  169836  169838  169840  169844  169846  169850  169852  169856  169862  169864  169870  169874  169876  169880  169886  169892  169894  169900  169904  169906  169912  169916  169922  169930  447348 

2.万有引力定律首次揭示了自然界中物体间一种基本相互作用的规律。以下说法正确的是 (  )

A.物体的重力不是地球对物体的万有引力引起的

B.人造地球卫星离地球越远,受到地球的万有引力越大

C.人造地球卫星绕地球运动的向心力由地球对它的万有引力提供

D.宇宙飞船内的宇航员处于失重状态是由于没有受到万有引力的作用

试题详情

1.如图,一个盛水的容器底部有一小孔。静止时用手指堵住小孔不让它漏水,假设容器在下述几种运动过程中始终保持平动,且忽略空气阻力,则(   )

A.容器自由下落时,小孔向下漏水

B.将容器竖直向上抛出,容器向上运动时,小孔向下漏水;容器向下运动时,小孔不向下漏水

C.将容器水平抛出,容器在运动中小孔向下漏水

D.将容器斜向上抛出,容器在运动中小孔不向下漏水

试题详情

8、①甲   ②ABEF  ③如图所示

 ④随着导体中的电流增大,温度升高,电阻率增大,电阻增大

试题详情

5.2Ω      

试题详情

7、 ① 加在金属丝两端的电压U,通过金属丝的电流I,

金属丝的长度L,金属丝的直径D  

 

② ACDFH      

  电路图如右图所示 

试题详情

6、(1)C;E。

   (2)如图所示。

试题详情

5、①设计图如图.

②  1)闭合开关,将电阻箱电阻调为零,调节滑动变阻器,使得电流表达到满偏;

2)不改变滑动变阻器位置,调节电阻箱阻值,使得电流表半偏,读取电阻箱R.

则电流表内阻测量值r=R.

试题详情

4、(1)、①R1、R2 ;= 

②R1、R2 ;U2、I2

(2)、

试题详情

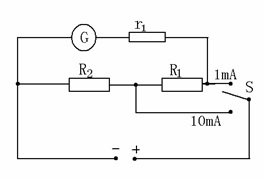
3、0.5mA  16Ω

BC

试题详情

2、①乙 ,甲图中电流约为过小,使得A无法读数。

②S1闭合后,V的示数U1;再闭合S2此时V的示数U2

  

试题详情


同步练习册答案