题目列表(包括答案和解析)

 0  169735  169743  169749  169753  169759  169761  169765  169771  169773  169779  169785  169789  169791  169795  169801  169803  169809  169813  169815  169819  169821  169825  169827  169829  169830  169831  169833  169834  169835  169837  169839  169843  169845  169849  169851  169855  169861  169863  169869  169873  169875  169879  169885  169891  169893  169899  169903  169905  169911  169915  169921  169929  447348 

1、BC

试题详情

8、有一段粗细均匀的导体,现要用实验的方法测定这种导体材料的电阻率,若已测得其长度和横截面积,还需要测出它的电阻值Rx

①有两位同学所设计的测量电路的一部分分别如图7甲、乙所示,若分别用这两个电路进行实验,则测量值比真实值偏小的应是_____图所示的电路。(选填“甲”或“乙”)

②若已知这段导体的电阻约为30Ω,要尽量精确的测量其电阻值,除了需要导线、开关以外,在以下备选器材中应选用的是     。(只填写字母代号)

A.电池(电动势14 V、内阻可忽略不计)

B.电流表(量程0-0.6 A,内阻约0.12Ω)

C.电流表(量程0-100m A,内阻约12 Ω)

D.电压表(量程0-3 V,内阻约3 kΩ)

E.电压表(量程0-15 V,内阻约15 kΩ)

F.滑动变阻器(0-10Ω,允许最大电流2.0A)

G.滑动变阻器(0-500 Ω,允许最大电流0.5 A)

③请在方框中画出测量这段导体电阻值的实验电路图(要求直接测量量的变化范围尽可能大一些)。

④根据测量数据画出该导体的伏安特性曲线如图8所示,发现MN段明显向上弯曲。若实验的操作、读数、记录和绘图描点等过程均正确无误,则出现这一弯曲现象的主要原因是                   

实验测试答案

试题详情

7、某同学做“测定金属电阻率”的实验。

① 需要通过实验直接测量的物理量有:              

                            (写出名称和符号)。

②这位同学采用伏安法测定一段阻值约为5左右的金属丝的电阻。有以下器材可供选择:(要求测量结果尽量准确)

A.电池组(3V,内阻约1);

B.电流表(0-3A,内阻约0.025)

C.电流表(0-0.6A,内阻约0.125)

D.电压表(0-3V,内阻约3k)

E.电压表(0-15V,内阻约15k)

F.滑动变阻器(0-20,额定电流1A)

G.滑动变阻器(0-1000,额定电流0.3A)

H.开关、导线。

实验时应选用的器材是       (填写各器材的字母代号)。

  请在下面的虚线框中画出实验电路图。

  这位同学在一次测量时,电流表、电压表的示数如下图所示。由图中电流表电压表读数可计算出金属丝的电阻为    

试题详情

6、在“描绘小灯泡的伏安特性曲线”的实验中,除有一标有“2.2V,0.5W”的小灯泡、导线和开关外,还有

   A. 直流电源6V(内阻不计)

   B. 直流电流表0-3A(内阻0.1Ω以下)

   C. 直流电流表0-300mA(内阻约为5Ω)

   D. 直流电压表0-3V(内阻约为15kΩ)

   E. 滑动变阻器10Ω,2A

   F. 滑动变阻器1kΩ,0.5A

   实验要求小灯泡两端的电压从零开始变化并能多测几次。

   (1)实验中电流表应选用_________,滑动变阻器应选用___________。(均用仪器前的字母表示)

   (2)在下面的虚线框中按要求画出实验电路图。

试题详情

5、要测定一块电流表A的内阻(量程0-5mA,内阻r约为500Ω),某同学在实验室找到了如下器材:

电源E(3V,内阻未知)

电压表V(0-15V,内阻约为5kΩ)

电阻箱R1(0-999.9Ω)

滑动变阻器R2(0-10Ω)

电键开关一只、导线若干

①该同学想利用半偏法测该电流表的内阻,为了测量尽量精确,请帮忙在方框中画出设计电路图;

②简要说明测量操作步骤

1)_____________                          

2)_____________                          

写出r的测量值的表达式,r=___________ 。

试题详情

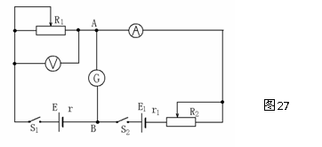
4.在电学实验中由于电压表、电流表内阻的影响,使得测量结果总存在系统误差,某校课外研究学习小组进行了消除系统误差的探究实验,某组设计里如图27所示的电路,该电路能够测量电源的电动势E和内电阻r,E1是辅助电源,A、B两点间有一灵敏电流计G.

 

(1)补充下面实验步骤:①闭合开关S1、S2,调节______使得灵敏电流计G的示数为零,这时,A、B两点的电势φA、φB的关系是φA__φB,即A、B相当于同一点,读出电流表和电压表的示数I1和U1,其中I1就是通过电源E的电流.②改变____值,重新使得灵敏电流计G的示数为零,读出_____.

(2)通过步骤①、②的测量,写出计算电源电动势和内阻的表达式.

试题详情

3.实验室有一个破损的多量程动圈式支流电流表,有“1mA”、“10mA”两挡,有一个单调双掷开关S转换,其内部电路如图25所示.若电流表的G已烧坏,但两个精密分流电阻完好,测得R1=144Ω,假如烧坏前表头G的内阻rg=160Ω,则表头G的实际满偏电流Ig=_________________,精密分流电阻R2=____________________.

现有以下备选器材用于修复:

A.   灵敏电流表G1,内阻为660Ω,满偏电流为0.2mA;

B.   灵敏电流表G2,内阻为120Ω,满偏电流为0.5mA;

C.   定值电阻r1,阻值为40Ω;

D.   定值电阻r2,阻值为100Ω;

现保留两个精密电阻不动,根据表头参数,用于修复的器材有_______和___________.(只填器材序号)

在虚线框内画出修复后的直流电流表电路原理图.

 

试题详情

2.要测量一只量程已知的电压表的内阻,现有如下器材:

  A.待测电压表(量程3V,内阻约为3kΩ);

  B.电流表(量程3A,内阻约0.01Ω);

  C.电制电阻(阻值R=2kΩ,允许通过的最大电流0.5A);

  D.电源(电动势2V,内阻值可忽略);

  E.开关两只;

  F.导线若干;

要求从图23甲、24乙电路中选择一个电路,利用这个电路完成测量.

 

①   选_____(填“甲”或“乙”)电路.你不选另一电路的理由是____________.

②   实验中需要直接测量的物理量是_________________.

电压表内阻的极端公式RV=___________.

试题详情

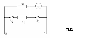
1、在图22中,R1、R2是两定值电阻,R1的阻值很小,R2的阻值很大,G是一灵敏电流计,S1、S2为开关.下列判断正确的是(    )

A.只闭合S1时,M、N之间是一个电压表

B.S1、S2都闭合时,M、N间是一个电流表

C.只闭合S2时,M、N间是一个电压表

D.S1、S2都断开时,M、N间是一个电压表

试题详情

9.消除电流表和电压表内阻对测量结果的影响

[例6]伏安法测电阻电路由于电表内阻的影响,无论电流表内接还是电流表外接都存在系统误差,为消除系统误差而设计的补偿电路如图21所示.完成下列实验步骤并写出待测电阻RX阻值的表达式.

①   先将S1闭合.

②   将S2与“1”闭合,调节R,读出电压表读数U1,安培表读数I1.

③   ________________________________.

④   根据上述测量结果,算出RX=_____________.

[答案]③将S2与“2”闭合,调节R,读出电压表读数U2,电流表读数I2

④ U1/I1-U2/I2

实验测试

试题详情


同步练习册答案