0  124353  124361  124367  124371  124377  124379  124383  124389  124391  124397  124403  124407  124409  124413  124419  124421  124427  124431  124433  124437  124439  124443  124445  124447  124448  124449  124451  124452  124453  124455  124457  124461  124463  124467  124469  124473  124479  124481  124487  124491  124493  124497  124503  124509  124511  124517  124521  124523  124529  124533  124539  124547  447090 

21.在干净的塑料杯中倒入雪碧后,饮料中不断地产生一个个小气泡。将几粒葡萄干加入饮料中,葡萄干沉入杯底。不久,有些葡萄干由于吸附了足够多的小气泡,使得它们受到的浮力_________重力,从而上升;上浮到液面后,由于小气泡破裂,导致它们受到的浮力_________重力,于是又沉入杯底.

试题详情

20.人体安全电压不高于36 V,当通过人体的电流接近30 mA时就会有生命危险据此可以推断,人体是___________(填“导体”或“绝缘体”),人体电阻约___________

试题详情

19.遇到冰冻天气,株洲大桥上汽车追尾事故频发,主要原因是,一方面,汽车在紧急刹车时,由于汽车具有_________,总要滑行一段距离才能停下来;另一方面,当路面结冰时,轮胎与地面间的摩擦变__________,汽车在紧急刹车后滑行的距离将比路面没有冰雪时长.

试题详情

18.旧白炽灯在工作时,容易在灯丝最细处熔断,这是因为与相同长度的灯丝较粗处相比,灯丝最细处

A.功率最大   B.电流最大         C.电阻最小     D.电压最小

试题详情

17.如下图所示,纸带穿过打点计时器(每隔一定时间在纸带上打下一个点)与一木块左端相连,木块在弹簧测力计作用下沿水平桌面(纸面)向右运动时,就能在纸带上打出一系列的点.图中①和②是打点计时器先后打出的两条纸带,与其对应的测力计的示数分别为F1、F2,木块运动的速度分别为,那么

   A.F1<F2<               B.F1=F2<

   C.F1=F2>               D.F1>F2>

试题详情

16.如下图所示,在大小为500 N的拉力F作用下,滑轮组将800 N的重物提升了l m.在此过程中

A.做的有用功是500 J            B.做的总功是800 J

C.滑轮组的机械效率是62.5%    D.滑轮组的机械效率是80%

试题详情

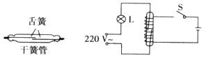
15.如下图所示,将一对磁性材料制成的弹性舌簧密封于玻璃管中,舌簧端面互叠,但留有间隙,就制成了一种磁控元件--干簧管,以实现自动控制.某同学自制了一个线圈,将它套在干簧管上,制成一个干簧继电器,用来控制灯泡的亮灭,如下图所示.干簧继电器在工作中所利用的电磁现象不包括

A.电流的磁效应           B.磁场对电流的作用

C.磁极间的相互作用        D.磁化

试题详情

14.有一盛水的圆柱形敞口容器,水面的升降可由进水管和出水管调节。在其右侧某一高度朝确定方向射出一激光束,在容器底部中央产生一个光斑,如下图所示.该光斑

A.是激光束经水面反射后形成的;若向右移动,表明水面上升

B.是激光束经水面反射后形成的;若向左移动,表明水面上升

C.是激光束经水面折射后形成的;若向左移动,表明水面下降

D.是激光束经水面折射后形成的;若向右移动,表明水面下降

试题详情

13.、b是两个由同种材料制成的金属球,它们的质量分别为128g、60g,体积分别为16 cm3、12 cm3.在这两个金属球中,如果有一个是实心的,那么

A.这个实心球是,金属的密度是8g/cm3

   B.这个实心球是,金属的密度是5g/cm3

   C.这个实心球是b,金属的密度是8g/cm3

   D.这个实心球是b.会属的密度是5g/cm3

试题详情

12.“……驻足倾听,隐隐传来‘威风锣鼓’的节奏,渐渐地鼓声、锣声变得雄壮、喧腾起来,汇成一片欢乐的海洋……”对文中“隐隐传来”的理解,不正确的是

A.空气可以传声                B.锣鼓声响度很小

C.观察者离声源很远            D.锣鼓声传播速度很小

试题详情


同步练习册答案