0  157140  157148  157154  157158  157164  157166  157170  157176  157178  157184  157190  157194  157196  157200  157206  157208  157214  157218  157220  157224  157226  157230  157232  157234  157235  157236  157238  157239  157240  157242  157244  157248  157250  157254  157256  157260  157266  157268  157274  157278  157280  157284  157290  157296  157298  157304  157308  157310  157316  157320  157326  157334  447090 

23.(15分)如图所示,是一种“动圈式话筒”的实物图、截面图和右视图,它的工作原理是话筒最前端有一层弹性膜片(图中未画出),在弹性膜片后面黏结一个较小的金属线圈,线圈处于永磁体的磁场中(磁感线沿半径辐向分布),当声波使弹性膜片前后振动时,弹性膜片会带动金属线圈切割磁感线,将声音信号转变为电信号,电信号经扩音器放大后送到扬声器,扬声器便发出放大了的声音。

已知小金属线圈的半径r0=0.01米,匝数n=20匝,电阻为r=0.5欧姆,线圈所在位置的磁感应强度B的大小均为2特斯拉。假设金属线圈在声波的作用下做简谐振动,其瞬时速度的表达式为v=0.8sinωt(米/秒),扩音器是一个阻值为R=1.5欧姆的纯电阻,求:

  (1)话筒中输出电流的最大值和有效值分虽是多少?

  (2)话筒输出功率是多少?

试题详情

22.(每空3分,共18分)

(1)为研究钢球在液体中运动时所受阻力的大小,让钢球从某一高度竖直落下进入液体中运动,用频闪照相方法拍摄钢球在不同时刻的位置,如图所示,已知钢球在液体中运动时所受阻力F=kv2,闪光照相机的闪光频率为f,图中刻度尺的最小分度为s0,钢球的质量为m,则:

     ①试定性描述钢球的运动:       

     ②由频闪照片及上述已知条件可求得阻力常数k的表达式为k=       

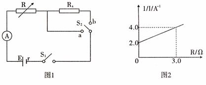
(2)某同学设计了如图1所示的电路测电源电动势E和 内阻r以及Rx的阻值。实验器材有:待测电源E,待测电阻Rx,电流表A(量程为0.6A,内阻不计),电阻箱R(0-99.99Ω),单刀单掷开关S1,单刀双掷开关S2,导线若干。

①先测电阻Rx的阻值,请将该同学的操作补充完整:闭合S1,将S2切换到a,调节电阻箱,读出其示数r1和对应的电流表示数I,     ,读出此时电阻的示数r2,则电阻Rx的表达式为Rx=    

②该同学已经测得电阻Rx=2.0Ω,继续测电源电动势E和内阻r的阻值,该同学的做法是:闭合S1,将S2切换到b,多次调节电阻箱,读出多组电阻箱示数R和对应的电流表示数I,由测得的数据,绘出了如图2所示的1/1-R图线,则电源电动势E=     v,内阻r=     Ω。

试题详情

21.已知氦离子He+能级En与量子数n的关系和氢原子能级公式类似,处于基态的氦离子He+的电离能为E=54.4eV,为使处于基态的氦离子He+处于激发态,入射光子所需的最小能量为                        (   )

    A.13.6eV         B.40.8eV         C.48.4eV         D.54.4eV

试题详情

20.矩形导线框abcd放在匀强磁场中,在外力控制下静止不动,磁感线方向与线圈平面垂直,磁感应强度B随时间变化的图像如下图1所示,t=0时刻,磁感应强度的方向垂直纸面向里,在0~4s时间内,线框ab边受力随时间变化的图像(力的方向规定以向左为正方向)可能是下图2中的                                    (   )

试题详情

19.如图所示,一个质量为m带电量为q的物体处于场强按E=E0-kt(E0、k均为大于零的常数,取水平向左为正方向)变化的匀强电场中,物体与竖直墙壁间的动摩擦因数为μ,当t=0时,物体处于静止状态。若物体所受的最大静摩擦力等于滑动摩擦力,且电场空间和墙面均足够大,下列说法正确的是                      (   )

    A.物体开始运动后加速度先增加后保持不变

    B.物体开始运动后加速度不断增加

    C.经过时间,物体运动速度达最大值

    D.经过时间物体在竖直墙壁上的位移达最大值

试题详情

18.如图所示,导热气缸开口向下,内有理想气体(不计气体分子间的相互作用力),气缸固定不动,缸内活塞可自由滑动且不漏气。活塞下挂一砂桶,砂桶装满砂子时,活塞恰好静止。现给砂桶底部钻一个小洞,细砂慢慢漏出,外部环境温度恒定,则             (   )

    A.气体压强增大,内能不变

    B.外界对气体作功的值小于气体放出的热量

    C.气体体积减小,压强增大,内能减小

    D.外界对气体做功,气体内能增加

试题详情

17.起重机的钢索将重物由地面吊到空中某个高度,其速度图像如下图1所示,则钢索拉力的功率随时间变化的图像是下图2中的                                               (   )

试题详情

15.如下图1为一列沿X轴方向传播的简谐横波在t=0时刻的波动图像,下图2为质点P的振动图像,由此可知          (   )

    A.t=0时刻,质点P的振动方向沿Y轴负方向

    B.此列波的波速为20m/s

    C.t=0.4s时刻,Q质点开始振动且振动方向沿Y轴负方向

    D.Q质点到达波峰位置时,P质点到达平衡位置

20090323
 
16.如图所示,水下光源S向水面A点发射一束光线,折射光线分成a、b两束,则(   )

    A.a、b两束光相比较,b光的波动性较强

B.用同一双缝干涉实验装置分别以a、b光做实验,a光的干涉条纹间距小于b光的干涉条纹间距

C.若保持入射点A位置不变,将入射光线顺时针旋转,则从水面上方观察,b光先消失

    D.在水中a光的速度比b光的速度小

试题详情

14.地球赤道上有一物体随地球的自转而做圆周运动,所受的向心力为F1,向心加速度为a1,线速度为v1,角速度为ω1;绕地球表面附近做圆周运动的人造卫星受的向心力为F2,向心加速度为a2,线速度为v2,角速度为ω2;地球同步卫星所受的向心力为F3,向心加速度为a3,线速度为v3,角速度为ω3;地球表面的重力加速度为g,第一宇宙速度为v,假设三者质量相等。则                                         (   )

    A.F1=F2>F3                       B.a1=a2=g>a3

    C.v1=v­2=v>v3                     D.ω132

试题详情

24.(20分)用如图所示的装置来选择密度相同、大小不同的球状纳米粒子。在电离室中使纳米粒子电离后表面均匀带正电,且单位面积的电量为q0。电离后,粒子缓慢通过小孔O1进入极板间电压为U的加速电场区域I,再通过小孔O2射入相互正交的恒定匀强电场、匀强磁场区域II,其中电场强度为E,磁感应强度为B、方向垂直纸面向外。收集室的小孔O3与O1、O2在同一条水平线上。已知纳米粒子的密度为ρ,不计纳米粒子的重力及纳米粒子间的相互作用。()

  (1)如果半径为r0的某纳米粒子恰直线O1O3射入收集室,求该粒子的速率和粒子半径r0

  (2)若半径为4r0的纳米粒子进入区域II,粒子会向哪个极板偏转?计算该纳米粒子在区域II中偏转距离为l(粒子在竖直方向的偏移量)时的动能;(r0视为已知)

  (3)为了让半径为4r0的粒子能沿直线O1O3射入收集室,可以通过改变哪些物理量来实现?提出一种具体方案。

试题详情


同步练习册答案