0  194151  194159  194165  194169  194175  194177  194181  194187  194189  194195  194201  194205  194207  194211  194217  194219  194225  194229  194231  194235  194237  194241  194243  194245  194246  194247  194249  194250  194251  194253  194255  194259  194261  194265  194267  194271  194277  194279  194285  194289  194291  194295  194301  194307  194309  194315  194319  194321  194327  194331  194337  194345  447090 

3.对于我国的电力情况的说法不妥的是(  )

A.   我国的电力供应比解放初期有了大幅提高   B.我国已经建立了较完整的电网系统

B.   我国现在的电力供应很充足,不必节约用电  D.我国的电力供应仍以火力发电为主

试题详情

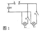
2.如图1是刚安装的家庭电路的电路图,电工师傅为了检验电路是否出现短路,在准备接入保险丝的A.B两点间先接入一盏“PZ200-15”的检验灯 (1)断开开关S1,闭合开关S2,检验灯正常发光: (2)断开开关S2,闭合开关S1,发现检验灯发光较暗, 根据以上现象,你可以判断出   (选填“L1”或“L2”或“没有”)发生短路。

试题详情

1.某种型号手机电池板上标有“3.6V 660mA·h”字样,其中“660mA·h”是    单位。节能同开发新能源同样重要,如果节约1kW·h,能供这种手机充电约    次。(每次都刚好充满电)

试题详情

4.海底核电站。海底核电站是人们随着海洋石油开采不断向深海海底发展而提出的一项大胆设想。实际上,本世纪70年代初期,独特新颖的海底核电站的蓝图已经绘制出来。此后,世界上不少国家都在积极地进行研究和实验,提出了各种设计方案。在勘探和开采深海底的石油和天然气时,需要陆地上的发电站向海洋采油平台远距离供电,为此,就要通过很长的海底电缆将电输送出去。这不仅技术上要求很高,而且要花费大量的资金,如果在采油平台的海底附近建造海底核电站,就可轻而易举地将富足的电力送往采油平台,而且还可以为其他远洋作业设施提供廉价的电源。海底核电站在原理上和陆地上的核电站基本相同,都是利用核燃料在裂变过程中产生的热量将冷却的水加热。使它变成高压蒸汽,再去推动汽轮发电机组发电。但是,海底核电站的工作条件要比陆地上的核电站苛刻得多。首先,海底核电站的所有零部件要能承受几百米深的海水所施加的巨大压力,二是要求所有设备密封性好,达到滴水不漏的程度,三是各种设备和零部件都要具有较好耐海水腐蚀和性能。因此,海底核电站所用的反应堆都是安装在耐压的堆舱里,汽轮发电机则密封在耐压舱内,而堆舱和耐压舱都固定在一个大的平台上。

试题详情

3.太阳能气流电站。利用太阳能发电的方式很多,其中最为新奇的是太阳能气流发电,由于这种电站有一个高大的“烟囱”,所以也被称作太阳能烟囱电站。太阳能电站既不烧煤,也不用油,所以确切点说应称其为太阳能气流电站。太阳能气流电站的中央,竖立着一个用波纹薄钢板卷制成的大“烟囱”,在“烟囱”的周围,是巨大的环形曲面半透明塑料大棚,在烟囱底部装有气轮发电机,当大棚内的空气经太阳曝晒后,其温度比棚外空气高约20℃。由于空气具有热升冷降的特点,再加上大“烟囱”向外排风的作用,就使热空气通过“烟囱”快速地排出去,从而驱动设在烟囱底部的汽轮发电机发电。由于太阳能气流电站占地较大,所以今后的气流电站将要建在阳光充足、地面开阔的沙漠地区,另外,塑料大棚内的地方很大,温度又较高,可利用起来作暖房,种植蔬菜和栽培早熟的农作物。太阳能气流电站的建造成功,使人类利用太阳能的技术得到进一步提高,并为利用和改造沙漠创造了良好的条件。

试题详情

2.太阳能空间电力站。在太阳能利用中,发展前景最为诱人要算在宇宙空间建立太阳能电力站的宏伟计划了。众所周知,太阳光经过大气层到达地球表面时,已经大大减弱。而到达地面的阳光,又有三分之一被反射回空间。因此,在大气层以上接收的太阳能要比在地球上接收的多4倍以上。在这种情况下,人们就萌发了一个大胆的设想:要把太阳能发电站搬到宇宙空间去,以便得到更多的太阳能。而且这样还能避免太阳能电站接收太阳光时断时续的缺点。要达到这一目的,就必须研制一种太阳能动力卫星,并把它发送到距地面3.5万公里的高空,而且与地球同步的轨道上(在这一轨道上,卫星绕地球飞行一圈的时间,正好与地球自转一周的时间相同),这样就可以用它把太阳能直接引到地球上。在动力卫星上装有巨大的太阳能电池板,能把太阳能直接转换成电能,然后再将电能转换成微波束发回地面。地面接收站通过巨型天线,可将动力卫星送回地面的微波能重新转换成电能。当然,就目前来说实现大型太阳能空间电力站计划还存在一定的技术难关。比如,一个发电能力为1000万瓦的空间电力站,它上面的太阳能电池板面积已达64平方公里,而把微波能发送到地面的列阵天线,其占用面积约达两平方公里。此外,巨大的动力卫星需要分成部件运送到太空进行组装,卫星安装后,还需要定期进行保养和检修,这说需要一咱像航天飞机一样能往返于地球和太空的运输工具。现在,担负运输任务的航天飞机已奔忙于太空和地球之间,随着航天技术的飞速发展,以及太阳能利用水平的不断提高。科学们满怀信心地预言,到本世纪末有可能通过航天飞机将第一个大型动力卫星送入轨道,为人类利用太阳能揭开新的篇章。

试题详情

1.电能的优越性. 我们生活在电的时代,电能的应用非常广泛。设想一座城市完全断了电,简直不堪设想,大大小小的工厂停产,机器停止运转,炼钢炉不能炼钢,电车不能开动,广播电机停播、自来水供应中断,楼房电梯停开,电灯不亮,入夜一片漆黑……电,它在工业、农业、交通运输、国防建设、科学研究以及日常生活中用得越来越多,电能的生产和使用的规模,已经成为社会经济发展的重要标志。

电能为什么应用这样广泛,它有什么优越性呢?

电能的来源比较广泛,自然界存在的各种形式的能如此学能、水能、风能、太阳能、核能都可以较为方便地转化为电能电池和发电机就是实现这种转化的装置。在水电站里,水能通过水轮发电机转化为电能。在火电站里,燃料的化学能通过汽轮发电机转化为电能。除了水电站和火电站,还有风力发电、地热发电、太阳能发电、核能发电等。

我国主要是利用火力和水力来发电的。到1993年,我国有30万千瓦以上的水电站、火电站共正1020座(其中水电站235座、火电站785座)。我国的社会主义现代化建设,对电的需要量日益增加。在主要煤炭产区和沿海地区,要建设一批火电站。在黄河上游和长江中上游干交流,要建设一批大型水电站(规模巨大的长江三峡水力工程正在进行)。还建设了核电站。

电能便于输送,用电线就可以把电能输送到千百里以外的地方。输送电能比输送煤、石油等燃料要方便得多。而且电能的输送损失较小。我国幅员广大,不同区域组成大的电网供电,110千伏以上的输电网络的线路长达18万千米。

电能使用起来非常方便.它能够方便地转化为其它形式的能,来满足多方面的需要,电能可以通过电动机转化为机械能,通过电热器转化为内能,通过电光源转化为光能。各种各样的用电器就是实现这种转化的装置。用电器的效率比较高。电动机的效率达90%以上,在管理科操纵方面比较简单,污染少,工作场所容易保持干净,有利于保护环境。

试题详情

第一节   电从发电厂输送到家里

试题详情

引言:前面我们学习了电磁感应现象,通过发电机我们可以大量地生产电能。比如,葛洲坝电站通过发电机把水的机械能转化为电能,发电功率可达271.5万千瓦,这么多的电能当然要输到用电的地方去,今天,我们就来学习发电机的工作原理和输送电能的有关知识。

教学内容
教师活动
学生活动
备注
一、发电机工作原理
 
一.发电机是根据什么原理制成的?
二.引导学生观察课本插图了解交流发电机的构造和工作原理。
1.交流发电机的主要构造有哪些?
2.线圈何时切割磁感线?
3.线圈中的电流方向何时改变?
4.线圈转动一周线圈中的电流方向改变几次?
三、教师展示交流发电机的活动挂图并通过闭合线圈来演示交流发电机的工作过程,让学生进一步体会和理解交流发电机的工作原理。
 
 
 
交流、合作、回答
 
 
 
观察、讨论、交流
本堂课要求学生积极参与,教师要调动学生的积极性,让学生积极讨论、交流、回答。
 
二、电能的输送
四、发电站发出的电能通过怎样的途径输送到用电单位?
五、为什么要采用高压输送电能?
教师演示高压电能输送器,让学生观察并领会高压输送电能的原因。
交流、合作、回答
观察、讨论、交流
三、高压触电及防护
六、用电器为会么不能直接使用高压呢?
七、什么叫电弧触电?
八、什么叫跨步电压触电?
九、安全用电的原则是什么?
教师演示电弧发生器和跨步电压演示器,让学生领会这两种触电方式的原因。
交流、合作、回答
 
 
观察、讨论、交流
四、练习巩固
 
 
 
 
 
 
十、课堂练习
1.发电机是根据  原理制成的。工作时将 能转化为 能。
2.手摇发电机的线圈转一圈,线圈中的电流方向改变了 次,由此可见,它产生的是  流电。
3.远距离输电应采用  ,因为这样可以减小电能在  上的损失。
4.高压输电线都架得很高,原因是( )
A.防止高压电弧触电B.防止跨步电压触电C.防止阻碍交通D.减小电能损失
 
 
 
完成练习
 
 
 
 
五、学生小结
引导学生对本节进行总结,归纳知识。
小结本节
六、课外作业
上网或查阅有关资料了解电能输送及发电机的知识。
课外调查

试题详情

交流发电机挂图、闭合线圈、交流发电机模型、电弧发生器、高压输电实验器。

试题详情


同步练习册答案