0  194383  194391  194397  194401  194407  194409  194413  194419  194421  194427  194433  194437  194439  194443  194449  194451  194457  194461  194463  194467  194469  194473  194475  194477  194478  194479  194481  194482  194483  194485  194487  194491  194493  194497  194499  194503  194509  194511  194517  194521  194523  194527  194533  194539  194541  194547  194551  194553  194559  194563  194569  194577  447090 

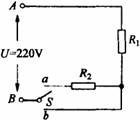
29.饮水机是一种常见的家用电器,其工作原理可简化为如图所示的电路,其中S是-个温控开关,R1为发热板,当饮水机处于加热状态时,水被迅速加热,达到预定温度时,开关S自动切换到另-挡,饮水机便处于保温状态.

(1)试确定温控开关S接a或b时,饮水机分别对应的工作状态.

(2)若饮水机加热时发热板的功率为550W,而保温时发热板的功率

为88W,求电阻R2的阻值.(不考虑温度对阻值的影响)

试题详情

28.某同学体重为500N,他想粗略地测算在单杠上做引体向上运动的功率.如图所示,他量出握拳时手臂的长度为0.6m,并测出自己连续拉上去5次所用的时间为10s,请计算:

(1)该同学在这段时间内克服重力所做的功;

(2)该同学做引体向上运动的功率.

试题详情

27.张华同学帮助实验老师拆封学校新购的一批仪器时,发现-只标有“6V6W”专用灯泡说明书,带有一幅电流随电压变化的关系曲线,如图所示.

(1)图片说明,随着灯泡两端电压的增大,通过灯泡的电流是_____

_____.(选填“增大”、“减小”或“不变”)的,灯丝的电阻值是_____

_____ (选填“增大”、“减小”或“不变”)的.

(2)灯泡正常发光时,灯丝的阻值是多少?

试题详情

26.李明同学在研究电热器的性能时,取了两只相同的杯子,装入质量相等的同种液体,将两只待研究的电热器A、B接入家庭,电路,分别给两只杯子中的液体加热如图甲所示.用温度计测出被加热的液体在不同时刻的温度,画出其温度随时间变化的图像,如图乙所示.

(1)由题意可知,李明同学研究该问题所建立的理想模型是:①电流通过电热器产生的电热全部转化为_____________;②加热过程中,液体对外没有_______________________。

(2)分析图像可知,电功率较大的电热器是________,电阻值较大的电热器是_________。

试题详情

25.有报道说:台湾一家厂商发明了一种“手机自生能”技术.手机上装了电池,上下左右摇晃手机即可产生电能,每摇一分钟可通话两分钟,如果将手机上下摇晃-次,相当于将200g的重物举高10cm,每秒约摇一次,则可推知,每摇一次可以获得电能为________J,该手机通话时的功率约为________W.

试题详情

24.用一个400W的电热器对某液体加热,如图所示是液体的温度随时间变化的图线(设电热器提供的热量全部被液体所吸收).在5min时间内,液体吸收的热量是__________J,若该液体的质量为1kg,则该液体的比热容是______________。

试题详情

23.超导现象是20世纪的重大发明之一.科学家发现某些物质在温度很低时,如铅在265.95℃以下,电阻就变成了零.超导材料用途很多,它的主要优点是_____________,但目前还不能大量应用,主要困难是_________________________。

试题详情

22.如图所示,B是一个被销钉锁住的活塞,气缸A密封有压缩空气,C是

-支温度计.若活塞与气缸壁之间没有摩擦,当把销钉K拔出后,将观察到

活塞向右移动,温度计的示数______ (选填“变大”、“变小”或“不变”),

原因是_______________________。

试题详情

21.据报道:近几年确有许多重大火灾都是因线路连接处接触不良所造成的,教训十分深刻.线路连接处接触不良引起火灾的原因是:当线路连接处接触不良时,该处的电阻将______ (选填“减小”“增大”或“不变”),在该接触处就会产生局部过热升温,接触处的电阻又将随着温度的升高而______ (选填“减小”“增大”或“不变”),……从而形成电热的逐步积累和恶性循环,以致引发火灾.

试题详情

20.如图是汽车陷进泥潭后,司机实行自救的示意图.自救使用到的滑轮是______ (选填“动滑轮”或“定滑轮”),其作用是_______________________。

试题详情


同步练习册答案