0  194387  194395  194401  194405  194411  194413  194417  194423  194425  194431  194437  194441  194443  194447  194453  194455  194461  194465  194467  194471  194473  194477  194479  194481  194482  194483  194485  194486  194487  194489  194491  194495  194497  194501  194503  194507  194513  194515  194521  194525  194527  194531  194537  194543  194545  194551  194555  194557  194563  194567  194573  194581  447090 

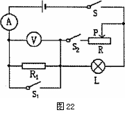
35.如图22所示电路中,电源电压不变,电流表的量程为O-O.6A,电压表的量程为O-3V,滑动变阻器R的规格为“50Ω 2.0A”,L为标有“6V 1.8W”的小灯泡,电阻R1=20Ω,当闭合开关S、S1、S2时,滑片P移至最右端时,小灯泡正常发光;不计温度对灯丝电阻的影响。求:

(1)当闭合开关S,断开开关S1、S2时,电压表的示数和电阻R1消耗的电功率。

(2)在电路元件安全使用的情况下,滑片移动过程中,整个电路消耗的最大电功率是多少?

 

试题详情

34.小明家的太阳能热水器,可以贮水100kg,天气好时,吸收的太阳辐射能可以使水温升   得足够高;阴雨天可用电辅助加热,它的电加热棒的额定电压是220V,额定功率是2000W。

  (1)若在阳光的照射下,100kg的水温从20℃上升到50℃,吸收太阳的热量是多少?[水的

    比热c = 4.2×103 J/(kg·℃)]

  (2)若在阴雨天仅用电热加热棒在额定电压下将这些水加热,使之升高相同的温度,需要多长的时间?(假设消耗的电能全部转化为水吸收的内能)

  (3)实际上用电加热时间需要2h,请你写出产生这种现象的原因。(写出一个即可)

试题详情

33.在如图21所示的电路中,已知电阻R1=5Ω,电流表A1

  示数为1A,电流表A的示数为1.5A,求:

(1)Rl两端的电压Ul

(2)通过R2的电流I2

(3)R2的阻值。

试题详情

32.在照明电路中接人大功率的电炉,电线将显著发热,有可能烧坏它的绝缘皮,甚至引起 火灾。这是为什么?根据你学过的物理知识,简要说出应该如何防止电线发热过大(只要说出一种方法即可)。

试题详情

31.如图20所示,在金属管内装一些酒精,当迅速来回拉动绕过金属管的粗绳时,筒壁会   发热,一会儿,看到紧塞在管口的塞子突然被射出,同时听到“呯”的一声。请自选文中某一现象,作简要解释。

现象:

 

原因:

试题详情

30.小明和小华用图18所示的器材做“测定小灯泡的额定功率”的实验,,小灯泡上标有

  “2.5V”的字样.

(1)对照图17所示的电路图,将图l8中未连接部分连好。(原电路中,已连接部分完好无误)

(2)小华连完电路并闭合开关后,发现电压表示数为零,电流表示数约为O.3A。产生这一现象的原因是_________________________________________________。

(3)他们纠正错误并检查电路无误后,闭合开关,发现小灯泡两端的电压只有2V,这时应调节滑动变阻器的滑片向     移动(依实物图),使电压表

的读数为_______V,灯泡才能正常发光,这时电流表示数

如图19所示,其示数为   A,则小灯泡的额定功率是____W.

(4)若电源电压为6V,滑动变阻器有“10Ω1.5A”和“20Ω1A”

两种规格,则本实验中应选用规格为     的滑动变阻器.

 

试题详情

29.一个研究性学习小组在探究“通过某种导电材料的电流与其两端电压的关系”时,得出电压U和电流I的数据如下表所示。

(1) 请在图1 6中画出I随U变化的图像。

(2) 从图像上可以看出I与U的关系是___________________________

(3) 从数据表中可以得出当U逐渐增大时,该导电材料的电阻的变化情况是__________

___________________________________.

试题详情

28.图15是“探究电流跟电压关系”的实物图,请你指出其中的三个错误或不妥之处。

(1)______________________________________________________________

(2)______________________________________________________________

(3)______________________________________________________________

 

试题详情

27.甲、乙、丙三位同学分别用动滑轮竖直向上匀速提升不

同的钩码,并记录了如下表所示的实验数据。

根据表中的数据可以知道,有一位同学做功最多,他做的功为       J;做功

最快的是   同学。(不计绳重和滑轮摩擦)

试题详情

26.研究杠杆平衡条件的实验装置如图14所示,在未挂钩码

  时,螺母A、B的作用是               

挂上钩码后,发现杠杆不平衡,则应__________________

_______________________.

试题详情


同步练习册答案