0  194356  194364  194370  194374  194380  194382  194386  194392  194394  194400  194406  194410  194412  194416  194422  194424  194430  194434  194436  194440  194442  194446  194448  194450  194451  194452  194454  194455  194456  194458  194460  194464  194466  194470  194472  194476  194482  194484  194490  194494  194496  194500  194506  194512  194514  194520  194524  194526  194532  194536  194542  194550  447090 

3.一台机器的功率是750W,它表示这台机器

A.1min做的功是750W   B.1min做的功是750J 

C.1s做的功是750J     D.1s做的功是750W

试题详情

2.下列说法中正确的是 

A.物体吸收热量,温度一定升高   B.物体内能增加,一定是物体吸收了热量

C.物体温度不变,内能也可能增加  D.物体内能增加,一定是外界对物体做了功

试题详情

1.下列器械都是杠杆原理在生活中的应用,其中属于省力杠杆的是

A.钓鱼杆     B.天平    C.镊子    D.开瓶盖的扳手

试题详情

34.小柯为了解不同照明灯的性价比,制作了如图甲所 

  示的装置.在正对观察孔的纸箱内平放一张写有“E”

  字的卡片,移动照明灯,使从观察孔恰能看清“E”字,

  测出灯与箱之间的距离,以比较灯的照明效果:实

  验后,他又查阅了相关资料,数据如下表:

 

(1)分析实验数据,你可以发现灯的照明效果不仅与灯的功率利距灯的距离有关,还与灯泡的    ___________________________ 有关;

(2) 白炽灯工作时的能量转化情况如图乙,试推测11W节能灯与60W的白炽灯照效果相同的可能原因:   _____________________________________  

(3)小柯了解到白炽灯的发光效率大约只有8%,请计算一下60W的白炽灯如-年正常工作

  2000h,会白白浪费掉多少      kW·h的电能.

试题详情

32.如图所示,让钢球从斜面上由静止滚下,撞到一个小木块上,将木块推出一段距离,木块被推得越远,表示钢球的动能越大.现用质量不同的钢球从同一高度滚下,观察木块被推的情况,回答下列问题:

  (1)让质量不同的钢球从同一高度滚下是为了     

  (2)该实验可得出的结论是      .

  (3)下表给出一头牛慢步行走和一名普通中学生百米赛跑的一些数据.从分析数据中可以看出对物体动能大小影响较大的因素是    。为此判断的依据是     

 

试题详情

31.如图所示电路中,当开关S闭合后,灯泡不发光,若已经

   确定问题是由于灯泡断路或短路引起的,在不允许拆开    

   电路的情况下,请你利用一只电压表或一只电流表接入

   电路中的a、b、c、d任意两点间(不造成短路).分别对故

  障进行分析判断,请参照示例,把你设计的方法和判断

   结果填入下表中.

  

试题详情

30.电动机是利用通电导体在    中受力的原理制成的.

  王鹏同学按照物理教材中实践活动的要求,安装了一台

   如图所示的直流电动机模型,图中    是转子:若要

   这台电动机反向转动,可采用的一种方法是    

试题详情

29.某人乘坐出租车在平直公路上匀速行驶,出租车的牵引力为

右表为他乘车到达目的地时的车费发票.求:      

(1)出租车行驶的速度:

(2)出租车在这段时问所做的功;

(3)出租车行驶时的功率.

试题详情

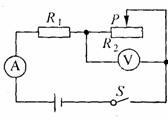
28.在图所示的电路中,电源电压为6伏且不变,滑动变阻器R2上标有“5022A”字样,

  闭合电键S,移动滑片P到某位置时,电压表、电流表的示数分别为2伏和0.2安,

  求:

  (1)滑动变阻器R2接入电路的电阻.

  (2)电阻R1的阻值.

  (3)在移动滑片P的过程中,通过电阻R1的最大电流.

试题详情


同步练习册答案