0  194822  194830  194836  194840  194846  194848  194852  194858  194860  194866  194872  194876  194878  194882  194888  194890  194896  194900  194902  194906  194908  194912  194914  194916  194917  194918  194920  194921  194922  194924  194926  194930  194932  194936  194938  194942  194948  194950  194956  194960  194962  194966  194972  194978  194980  194986  194990  194992  194998  195002  195008  195016  447090 

20.如图所示,绳子OO′悬吊着质量忽略不计的杆,在杆的a点挂上重物G,在O右侧某点b处挂上钩码.重物G的质量及a到O的距离不变,要使杆保持水平,b点挂的钩码个数(各个钩码质量相同)和b到O的距离的关系是下图中哪一幅图 (  ▲  )

试题详情

19. 欲除去不纯物质中的杂质(括号内为杂质),所用试剂和方法均正确的是(   )

选项
待提纯物质
选用试剂
操作方法
A
Na2CO3(Na2SO4)
氯化钡
溶解、过滤、洗涤
B
CaO(CaCO3)
盐酸
蒸发、结晶
C
CO2(CO)
氧气
点燃
D
Cu(Fe)
稀硫酸
过滤、洗涤、干燥

试题详情

18.对实验现象的观察和分析,有助于我们获得化学知识并学会科学探究的方法。下列对实验现象分析正确的是(   )      

A.碱性溶液能使酚酞试液变红,所以能使酚酞试液变红的溶液一定呈碱性

B.氧化钙溶于水使水温升高,所以能使水温升高的物质一定是氧化钙

C.碳酸盐与盐酸反应放出气体,所以与盐酸反应放出气体的物质一定是碳酸盐

D.氯化钠能使水的凝固点降低,所以能使水的凝固点降低的物质一定是氯化钠

试题详情

17..如图所示,两只完全相同的盛水容器放在磅秤上,用细线悬挂质量相同的实心铅球和铝球,全部没入水中,此时容器中水面高度相同,设绳的拉力分别为T1和T2,磅秤的示数分别为F1和F2,则(   )   A.F1=F2,T1=T2   B.F1>F2,T1<T2   C.F1=F2,T1>T2   D.F1<F2,T1>T2

思路点拨:两盛水容器中水的深度相同,所以水对容器底的压强相等,又两容器相同,则其底面积相同,由此两容器所受水对它的压力相同,则两磅秤的示数相同.显然,这一结论与水中是否悬有一铝球或铅球是无关系的,因为容器受到的是水对它的压力,而水中的铝球或铅球并没有力直接作用于容器上.所以有        F1=F2 又对于悬吊在水中的球来说,它受到自身的重力G、水对它的浮力f和悬线对它的拉力T三个力的作用而处于平衡,则此三力间应有关系为        T=G-f 以题述的铅球和铝球相比较,由于两者是质量相等的实心球,故有        G1=G2 而铅的密度大于铝的密度,则铅球的体积小于铝球的体积,故两者均浸没于水中时,铅球所受水的浮力f1小于铝球所受水的浮力f2,即 f1<f2 故得T1>T2 

试题详情

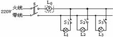
16.工人师傅常用一只标有“220V 40W”的灯泡L0(检验灯泡)取代保险丝来检查新安装的照明电路中每个支路的情况,如图所示。当只闭合S、S1时,L0不亮;当只闭合S、S2时,L0和L2都呈暗红色;当只闭合S、S3时,L0正常发光。由此可以判断(    )

A.L1所在支路短路   B.L2所在支路短路   C.L3所在支路短路   D.各支路均完好  

试题详情

15.20世纪26年代,就有人预言可能存在由4个氧原子组成的氧分子(O4),但一直没有得到证实。最近,意大利一所大学的科学家使用普通氧分子和带正电的氧离子制造出了这种新型氧分子,并用质谱仪探测到了它的存在。下列叙述中正确的是(    )

A.O4是一种新型的化合物     B.一个O4分子中含有2个O2分子

C.O4和O2的性质完全相同     D.O4和O2混合形成的是混合物

试题详情

14.A表示小白鼠呼吸耗氧量随其生活环境的温度不同而变化的情况;B表示酵母菌在代谢过程中CO2产生速率与O2浓度之间关系的曲线;C表示一片小树林中,一天内CO2浓度随时间变化情况;D表示在大豆种子萌发成幼苗的过程中,有机物含量的变化情况。下列各图曲线表示不正确是(     )

试题详情

13.如图6所示的四个电路中,电源电压已知,电阻R的阻值已知,根据电压表或电流表的示数,无论直接还是间接均不能求出灯泡电功率的电路是(    )

试题详情

12.学习和生活中常用到下列光学器具:①显微镜 ②穿衣镜 ③潜望镜 ④老花镜 ⑤汽车观后镜 ⑥近视镜。其中利用光的反射定律制成的是(   )

A.①②④     B.①④⑥      C.②③⑤      D.③④⑥

试题详情

11.右图表示四地在夏至这一天的昼夜长短情况,你认为位于北极圈以内的是(  )

试题详情


同步练习册答案