0  253598  253606  253612  253616  253622  253624  253628  253634  253636  253642  253648  253652  253654  253658  253664  253666  253672  253676  253678  253682  253684  253688  253690  253692  253693  253694  253696  253697  253698  253700  253702  253706  253708  253712  253714  253718  253724  253726  253732  253736  253738  253742  253748  253754  253756  253762  253766  253768  253774  253778  253784  253792  447090 

3.在通常条件下,下列各组物质的性质排列正确的是(  )。

A.熔点: KCl>SiO2> SO2       B.结合质子能力:CH3COO>OH>Cl

C.沸点:正戊烷>异戊烷>新戊烷    D.稳定性:H2S>H2O>PH3

试题详情

2.以下表示锂离子结构的轨道表示式是(  )。

A.Li+       B.       C.1s2    D.

试题详情

1.2010上海世博会园区建设采用了许多先进的技术,下列做法不能体现节能减排理念的是(  )。

A.采用绿颜色涂料         B.使用电动汽车 

C.利用太阳能作为能源       D.采用自然采光通风的技术

试题详情

30.山西省山大附中2010届高三12月月考如图20所示,电源电动势E=6V,电源内阻不计.定值电阻R1=2.4kΩ、R2=4.8kΩ.

⑴ 若在ab之间接一个C=100μF的电容器,闭合开关S,电路稳定后,求电容器上所带的电量;

⑵ 若在ab之间接一个内阻RV = 4.8kΩ的电压表,求电压表的示数.

解析:⑴设电容器上的电压为Uc.    

电容器的带电量 解得: Q=4×10-4C  

⑵设电压表与R2并联后电阻为R并           

则电压表上的电压为:  解得:=3V 

试题详情

29.湖南省长沙市一中2010届高三第五次月考一电路如图所示,电源电动势,内阻,电阻C为平行板电容器,其电容C=3.0pF,虚线到两极板距离相等,极板长,两极板的间距

(1)若开关S处于断开状态,则当其闭合后,求流过R4的总电量为多少?

(2)若开关S断开时,有一带电微粒沿虚线方向以的初速度射入C的电场中,刚好沿虚线匀速运动,问:当开关S闭合后,此带电微粒以相同初速度沿虚线方向射入C的电场中,能否从C的电场中射出?(要求写出计算和分析过程,g)

解析:(1)S断开时,电阻R3两端电压为

S闭合后,外阻为     端电压为

电阻R3两端电压为

则所求流过R4的总电量为

(2)设微粒质量为m,电量为q,当开关S断开时有:

当开关S闭合后,设微粒加速度为a,则

设微粒能从C的电场中射出,则水平方向:

竖直方向:

由以上各式求得:

故微粒不能从C的电场中射出。

试题详情

28.山西省山大附中2010届高三12月月考下图是用一个逻辑电路、电键S、安装在室外的光敏电阻R0、定值电阻R1和滑动变阻器R2组成的报警系统控制电路。该控制系统的功能是:工作日的晚上(光线较暗),报警系统自动开始工作;非工作日只要合上电键S,报警系统24小时都能工作(报警系统工作时,逻辑电路输出端为高电位)。

在两个虚线框内分别画上光敏电阻或定值电阻,并在实线框内标上门电路的符号,该门电路是________门电路。

答案:

 

试题详情

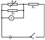
27.福建省厦门外国语学校2010届高三第三次月考如图所示,闭合开关S后,在滑动触头端滑向端的过程中,下列表述正确的是(  CD  )

   A.路端电压变大

B.电流表的示数变大

C.电源内阻消耗的功率变大

D.R2上的功率变大

试题详情

26.山西省山大附中2010届高三12月月考在图A-10-45-12所示电路中,电源电动势为12 v,内电阻不能忽略,闭合S后,调整R的阻值,使电压表的示数增大△U=2 V.在这一过程中

 ①通过R1的电流增大,增大量为△U/R1

 ②R2两端的电压减小,减小量为△U

③通过R2的电流减小,减小量小于△U/R2

④路端电压增大,增大量为△U

以上叙述正确的是   (  B  )

 A.①②    B.①③   C.②④   D.③④

试题详情

25.河南省豫南九校2010届高三上学期第三次联考如图所示,电路中电源的电动势为E,内阻为rA为电压表,内阻为10kΩ,B为静电计;两个电容器的电容分别为C1C2,将电键S合上一段时间后,下列说法中正确的是  (  CD  )

  A.若C1C2,则电压表两端的电势差大于静电计两端的电势差

  B.若将变阻器滑动触头P向右滑动,则电容器C2上带电量增大

  C.C1上带电量为零

  D.再将电键S打开,然后使电容器C2两极板间距离增大,则静电计张角也增大

试题详情

24.江苏省盐城、泰州联考2010届高三学情调研如图所示,当Rs的触头向右移动时,电压表V1和电压表V2的示数的变化量分别为△U1和△U2(均取绝对值);则下列说法中正确的是(  AC  )

A.△U1>△U2          B.△U1<△U2   

C.电压表V1的示数变小    D.电压表V2的示数变小

试题详情


同步练习册答案