0  258195  258203  258209  258213  258219  258221  258225  258231  258233  258239  258245  258249  258251  258255  258261  258263  258269  258273  258275  258279  258281  258285  258287  258289  258290  258291  258293  258294  258295  258297  258299  258303  258305  258309  258311  258315  258321  258323  258329  258333  258335  258339  258345  258351  258353  258359  258363  258365  258371  258375  258381  258389  447090 

10.如图所示是一火警报警器的部分电  路示意图.其中R2为用半导体热敏材料制成的传感器,电流表为值班室的显示器,a、b之间接报警器.当传感器R2所在处出现火情时,显示器的电流I、报警器两端的电压U的变化情况是(   )

A.I变大,U变大     B.I变大,U变小

C.I变小,U变大     D.I变小,U变小

试题详情

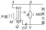
9.电容式话筒的保真度比动圈式话筒好,其工作原理如图所示.Q是绝缘支架,薄金属膜M和固定电极N形成一个电容器,被直流电源充电,当声波使膜片振动时,电容发生变化,电路中形成变化的电流.当膜片向右运动的过程中有(   )

A.电容变大    B.电容变小

C.导线AB中有向左的电流 

D.导线AB中有向右的电流

试题详情

8.惯性制导系统已广泛应用于弹道式导弹工程中,这个系统的重要元件之一是加速度计.加速度计的构造原理的示意图如图所示.沿导弹长度方向安装的固定光滑杆上套一质量为m的滑块,滑块两侧分别与劲度系数均为k的弹簧相连;两弹簧的另一端与固定壁相连.滑块原来静止,弹簧处于自然长度,滑块上有指针可通过标尺测出滑块的位移,然后通过控制系统进行制导.设某段时间内导弹沿水平方向运动,指针向左偏离O点的距离为s,则这段时间内导弹的加速度 (   )

A.方向向左,大小为 ks/m

B.方向向右,大小为ks/m

C.方向向左,大小为2ks/m

D.方向向右,大小为 2ks/m

试题详情

7.如图所示是一种利用电磁原理制成的充气泵的结构示意图.其工作原理类似打点计时器,当电流从电磁铁的接线柱 a流入,吸引小磁铁向下运动时,以下选项中正确的是(   )

A.电磁铁的上端为N极,小磁铁的下端为N极

B.电磁铁的上端为S极,小磁铁的下端为S极

C.电磁铁的上端为N极,小磁铁的下端为 S极

D.电磁铁的上端为S极,小磁铁的下端为N极

试题详情

6.如图所示为一种自动跳闸的闸刀开关,O是转动轴,A是绝缘手柄,C是闸刀卡口,MN接电源线,闸刀处于垂直纸面向里、磁感应强度B=1 T的匀强磁场中,CO间距离10 cm.当磁场力为0.2 N时,闸刀开关会自动跳开.则要使闸刀开关能跳开,CO中通过的电流的大小和方向为(  )

A.电流方向C→O   B.电流方向O→C

C.电流大小为1 A D.电流大小为0.5 A

试题详情

5.如图所示是霍尔元件的工作原理示意图,如果用d表示薄片的厚度,k为霍尔系数,对于一个霍尔元件dk为定值,如果保持电流I恒定,则可以验证UHB的变化情况.以下说法中正确的是   (   )

A.将永磁体的一个磁极逐渐靠近霍尔元件的工作面对, UH将变大

B.在测定地球两极的磁场强弱时,霍尔元件的工作面

应保持水平

C.在测定地球赤道上的磁场强弱时,霍尔元件的工作

面应保持水平

D.改变磁感线与霍尔元件工作面的夹角,UH将发生变化

试题详情

4.如图所示是观察电阻值随温度变化情况的示意图.现在把杯中的水由冷水变为热水,关于欧姆表的读数变化情况正确的是(   )

A.如果R为金属热电阻,读数变大,且变化非常明显

B.如果R为金属热电阻,读数变小,且变化不明显

C.如果R为热敏电阻(用半导体材料制作),读数变化非常明显

D.如果R为热敏电阻(用半导体材料制作),读数变化不明显

试题详情

3.如图所示为一测定液面高低的传感器示意图,A为固定的导体芯,B为导体芯外面的一层绝缘物质,C为导电液体,把传感器接到图示电路中,已知灵敏电流表指针偏转方向与电流方向相同。如果发现指针正向右偏转,则导电液体的深度h变化为(   )

A.h正在增大   B.h正在减小  C.h不变    D.无法确定

试题详情

2. 电容式传感器是用来将各种非电信号转变为电信号的装置.由于电容器的电容C取  决于极板正对面积S、极板间距离d以及极板间的电介质这几个因素,当某一物理量发生变化时就能引起上述某个因素的变化,从而又可推出另一个物理量的值,如图是四种电容式传感器的示意图,关于这四个传感器的作用下列说法正确的是(   )

 

A.甲图的传感器可以用来测量角度   B.乙图的传感器可以用来测量液面的高度

C.丙图的传感器可以用来测量压力     D.丁图的传感器可以用来测量速度

试题详情

1.下列说法正确的是  (    )

A.话筒是一种常用的声传感器,其作用是将电信号转换为声信号

B.电熨斗能够自动控制温度的原因是它装有双金属片温度传感器,这种传感器作用是控制电路的通断

C.电子秤所使用的测力装置是力传感器

D.半导体热敏电阻常用作温度传感器,因为温度越高,它的电阻值越大

试题详情


同步练习册答案