0  258196  258204  258210  258214  258220  258222  258226  258232  258234  258240  258246  258250  258252  258256  258262  258264  258270  258274  258276  258280  258282  258286  258288  258290  258291  258292  258294  258295  258296  258298  258300  258304  258306  258310  258312  258316  258322  258324  258330  258334  258336  258340  258346  258352  258354  258360  258364  258366  258372  258376  258382  258390  447090 

2. 注重基础知识的全面复习     对数学基础知识的考查,要既全面又突出重点,对于支撑学科知识体系的重点内容,要占有较大的比例,构成数学试卷的主体。注重学科的内在联系和知识的综合性,不刻意追求知识的覆盖面。从学科的整体高度和思维价值的高度考虑问题,在知识网络交汇点设计试题,使对数学基础知识的考查达到必要的深度。

试题详情

1.2  精点细拨,加强对学生的学法指导

高考是学生的高考,学生的应试能力和答题水平决定成败。复习中加强对学生的学法指导,无疑是提高复习实效不可或缺的重要环节。首先,要指导学生养成“学而后思”的良好习惯。数学试题的形式和知识背景可以千变万化,而其中运用的数学思想方法却往往是相通的。只有通过自己的思考,用自己的语言对知识进行提炼和归纳,学到的知识才能保持长久。其次,要解决学生中“会而不对,对而不全”这个老大难问题。因此复习中要时常指导学生对会做的题目要特别注意表达的准确、思考的周密、书写的规范、语言的科学。

试题详情

1.1 用老师的热情激发学生的兴趣

因为好的学生不是教出的,而是激发起学生的学习兴趣后,他们自己钻研出来的,因而要激发学生对数学的学习兴趣,首先就要让学生尊重和喜爱你这个数学老师,那么你就要真诚地关心和爱护学生,要不断地提高自己的教学水平,钻研教材、课标、考纲,使学生在每一节课都有收获,都有进步。

试题详情

1. 关心爱护学生

试题详情

17.如图所示,图甲是我市某中学在研究性学习活动中,吴丽同学自制的电子秤原理示意图.目的是利用理想电压表的示数指示物体的质量.托盘与电阻可忽略的金属弹簧相连,托盘与弹簧的质量均不计.滑动变阻器的滑动端与弹簧上端连接,当托盘中没有放物体时,刀片恰好指在变阻器R的最上端,此时电压表示数为零。设变阻器总电阻为R,总长度为L,电源电动势为E,内阻为r,限流电阻阻值为R0,弹簧劲度系数为k,不计一切摩擦和其他阻力.

 

(1)推出电压表示数U与所称物体质量m的关系式;

(2)为使电压表示数与待测物体质量成正比,请利用原有器材进行改进,在乙图的基础上完成改进后的电路原理图,并求出电压表示数U与所称物体质量m的关系式.

试题详情

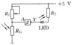
16.如图所示,当光敏电阻RG受到光照时,阻值______,非门输入端A出现_____电平,输出端Y出现______电平(填“高”或“低”),发光二极管LED反向截止,_____发光(填“能”或“不能”),当把光遮住时,RG阻值增大,输入端A出现____电平,Y端是_____电平(填“高”或“低”),二极管正向导通____发光(填“能”或“不能”,)达到路灯白天不亮晚上亮的目的。

试题详情

15.热敏电阻能够将_________信号转化为电阻变化信号,话筒能将_________信号转化为_________信号.霍尔元件能将_________信号转化为_________信号.

试题详情

14.常见的将光学信号转化为电信号的传感元件是_  __,当光照射时,它的导电性能_________。

试题详情

13.演示位移传感器的工作原理如右图示,物体M在导轨上平移时,带动滑动变阻器的金属滑杆p,通过电压表显示的数据,来反映物体位移的大小x。假设电压表是理想的,则下列说法正确的是  (    )

A.  物体M运动时,电源内的电流会发生变化

B.  物体M运动时,电压表的示数会发生变化。

C.  物体M不动时,电路中没有电流

D.  物体M不动时,电压表没有示数

试题详情

11.压敏电阻的阻值随所受压力的增大而减小。某实验小组在升降机水平地面上利用压敏电阻设计了判断升降机运动状态的装置。其工作原理图如图甲所示,将压敏电阻、定值电阻R、电流显示器、电源E连成电路,在压敏电阻上放置一个绝缘重物。0-t1时间内升降机停在某一楼层处,t1时刻升降机开始运动,从电流显示器中得到电路中电流i随时间t变化情况如图乙所示。则下列判断正确的是 (  )

A.t1-t2时间内绝缘重物处于超重状态

B.t3-t4时间内绝缘重物处于失重状态

C.升降机开始时可能停在10楼,从tt时刻开始,经向下加速、匀速、减速,最后停在l楼

D.升降机开始时可能停在l楼,从t1时刻开始,经向上加速、匀速、减速,最后停在10楼

12.利用光敏电阻制作的光传感器,记录了传送带上工件的输送情况,如图甲所示为某工厂成品包装车间的光传感记录器,光传感器B能接收到发光元件A发出的光,每当工件挡住A发出的光时,光传感器输出一个电信号,并在屏幕上显示出电信号与时间的关系,如图乙所示,若传送带始终匀速运动,每两个工件间的距离为0.2 m,则下述说法正确的是(  )

A.传送带运动的速度是0.1 m/s    B.传送带运动的速度是0.2 m/s   

C.该传送带每小时输送3600个工件  D.该传送带每小时输送7200个工件

试题详情


同步练习册答案