0  259801  259809  259815  259819  259825  259827  259831  259837  259839  259845  259851  259855  259857  259861  259867  259869  259875  259879  259881  259885  259887  259891  259893  259895  259896  259897  259899  259900  259901  259903  259905  259909  259911  259915  259917  259921  259927  259929  259935  259939  259941  259945  259951  259957  259959  259965  259969  259971  259977  259981  259987  259995  447090 

14.(09四川卷)关于电磁波,下列说法正确的是

  A.雷达是用X光来测定物体位置的设备

  B.使电磁波随各种信号而改变的技术叫做解调

  C.用红外线照射时,大额钞票上用荧光物质印刷的文字会发出可见光

 D.变化的电场可以产生变化的磁场

试题详情

2.(09天津卷)下列关于电磁波的说法正确的是

  A.电磁波必须依赖介质传播

B.电磁波可以发生衍射现象

  C.电磁波不会发生偏振现象

D.电磁波无法携带信息传播

答案B[解析]电磁波在真空中也能传播,A错;衍射是一切波所特有的现象,B对;电磁波是横波,横波能发生偏振现象,C错;所有波都能传递信息,D错。

试题详情

18.(09广东物理卷) (15分)如图18(a)所示,一个电阻值为R ,匝数为n的圆形金属线与阻值为2R的电阻R1连结成闭合回路。线圈的半径为r1 . 在线圈中半径为r2的圆形区域存在垂直于线圈平面向里的匀强磁场,磁感应强度B随时间t变化的关系图线如图18(b)所示。图线与横、纵轴的截距分别为t0B0 . 导线的电阻不计。求0至t1时间内

(1)通过电阻R1上的电流大小和方向;

(2)通过电阻R1上的电量q及电阻R1上产生的热量。

[解析]⑴由图象分析可知,0至时间内 

    由法拉第电磁感应定律有

  而

  由闭合电路欧姆定律有

  联立以上各式解得  通过电阻上的电流大小为

 由愣次定律可判断通过电阻上的电流方向为从b到a

⑵通过电阻上的电量

通过电阻上产生的热量

电磁场 电磁波  交变电流

试题详情

15.(1)设装置由静止释放到导体棒运动到磁场下边界的过程中,作用在线框上的安培力做功为W由动能定理 

解得 

(2)设线框刚离开磁场下边界时的速度为,则接着向下运动

由动能定理 

装置在磁场中运动时收到的合力

感应电动势  =Bd

感应电流   =

安培力   

由牛顿第二定律,在t到t+时间内,有

解得 

(3)经过足够长时间后,线框在磁场下边界与最大距离之间往复运动

   由动能定理 

   解得  

试题详情

15.(09江苏物理卷)(16分)如图所示,两平行的光滑金属导轨安装在一光滑绝缘斜面上,导轨间距为l、

   足够长且电阻忽略不计,导轨平面的倾角为,条形匀强磁场的宽度为d,磁感应强度大小为B、方向与导轨平面垂直。长度为2d的绝缘杆将导体棒和正方形的单匝线框连接在一起组成“”型装置,总质量为m,置于导轨上。导体棒中通以大小恒为I的电流(由外接恒流源产生,图中未图出)。线框的边长为d(d < l),电阻为R,下边与磁场区域上边界重合。将装置由静止释放,导体棒恰好运动到磁场区域下边界处返回,导体棒在整个运动过程中始终与导轨垂直。重力加速度为g。

求:(1)装置从释放到开始返回的过程中,线框中产生的焦耳热Q;

  (2)线框第一次穿越磁场区域所需的时间t1

  (3)经过足够长时间后,线框上边与磁场区域下边界的最大距离m

         

试题详情

19.(09宁夏卷)如图所示,一导体圆环位于纸面内,O为圆心。环内两个圆心角为90°的扇形区域内分别有匀强磁场,两磁场磁感应强度的大小相等,方向相反且均与纸面垂直。导体杆OM可绕O转动,M端通过滑动触点与圆环良好接触。在圆心和圆环间连有电阻R。杆OM以匀角速度逆时针转动,t=0时恰好在图示位置。规定从ab流经电阻R的电流方向为正,圆环和导体杆的电阻忽略不计,则杆从t=0开始转动一周的过程中,电流随变化的图象是

答案C

[解析]依据左手定则,可知在0-内,电流方向M到O,在在电阻R内则是由b到a,为负值,且大小为为一定值,内没有感应电流,内电流的方向相反,即沿正方向,内没有感应电流,因此C正确。

(09全国Ⅱ卷)24.(15分)如图,匀强磁场的磁感应强度方向垂直于纸面向里,大小随时间的变化率为负的常量。用电阻率为、横截面积为的硬导线做成一边长为的方框,将方框固定于纸面内,其右半部位于磁场区域中,求

(1)    导线中感应电流的大小;

(2)    磁场对方框作用力的大小随时间的变化

答案(1)     (2)

[解析]本题考查电磁感应现象.(1)线框中产生的感应电动势

……①在线框产生的感应电流……②

,……③

联立①②③得

导线框所受磁场力的大小为,

它随时间的变化率为,

由以上式联立可得.

试题详情

4.(09天津卷)如图所示,竖直放置的两根平行金属导轨之间接有定值电阻R,质量不能忽略的金属棒与两导轨始终保持垂直并良好接触且无摩擦,棒与导轨的电阻均不计,整个装置放在匀强磁场中,磁场方向与导轨平面垂直,棒在竖直向上的恒力F作用下加速上升的一段时间内,力F做的功与安培力做的功的代数和等于

A.棒的机械能增加量

B.棒的动能增加量

C.棒的重力势能增加量

D.电阻R上放出的热量

答案A[解析]棒受重力G、拉力F和安培力FA的作用。由动能定理:即力F做的功与安培力做功的代数和等于机械能的增加量。选A。

(09山东卷)21.如图所示,一导线弯成半径为a的半圆形闭合回路。虚线MN右侧有磁感应强度为B的匀强磁场。方向垂直于回路所在的平面。回路以速度v向右匀速进入磁场,直径CD始络与MN垂直。从D点到达边界开始到C点进入磁场为止,下列结论正确的是

  A.感应电流方向下

  B.CD段直线始终小受安培力

  C.应电动势最大值E=Ba

  D.感应电动势平均值

答案:ACD

考点:楞次定律、安培力、感应电动势、左手定则、右手定则

解析:在闭合电路进入磁场的过程中,通过闭合电路的磁通量逐渐增大,根据楞次定律可知感应电流的方向为逆时针方向不变,A正确。根据左手定则可以判断,受安培力向下,B不正确。当半圆闭合回路进入磁场一半时,即这时等效长度最大为a,这时感应电动势最大E=Bav,C正确。感应电动势平均值,D正确。

提示:感应电动势公式只能来计算平均值,利用感应电动势公式计算时,l应是等效长度,即垂直切割磁感线的长度。

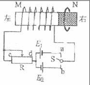
(09海南卷)4.一长直铁芯上绕有一固定线圈M,铁芯右端与一木质圆柱密接,木质圆柱上套有一闭合金属环N,N可在木质圆柱上无摩擦移动。M连接在如图所示的电路中,其中R为滑线变阻器,为直流电源,S为单刀双掷开关。下列情况中,可观测到N向左运动的是

    A.在S断开的情况下,S向a闭合的瞬间

    B.在S断开的情况下,S向b闭合的瞬间

    C.在S已向a闭合的情况下,将R的滑动头向c端移动时

    D.在S已向a闭合的情况下,将R的滑动头向d端移动时

(09江苏理综卷)17.如图所示,在磁感应强度大小为B、方向竖直向上的匀强磁场中,有一质量为、阻值为的闭合矩形金属线框用绝缘轻质细杆悬挂在点,并可绕点摆动。金属线框从右侧某一位置静止开始释放,在摆动到左侧最高点的过程中,细杆和金属线框平面始终处于同一平面,且垂直纸面。则线框中感应电流的方向是

A.

B.

C.先是,后是

D.先是,后是

答案B

[解析]由楞次定律,一开始磁通量减小,后来磁通量增大,由“增反”“减同”可知电流方向是

试题详情

20.(09重庆卷)题20图为一种早期发电机原理示意图,该发电机由固定的圆形线圈和一对用铁芯连接的圆柱形磁铁构成,两磁极相对于线圈平面对称,在磁极绕转轴匀速转动过程中,磁极中心在线圈平面上的投影沿圆弧运动,(是线圈中心),则

A.从X到O,电流由E经G流向F,先增大再减小

B.从X到O,电流由F经G流向E,先减小再增大

C.从O到Y,电流由F经G流向E,先减小再增大

D. 从O到Y,电流由E经G流向F,先增大再减小

答案:D

解析:在磁极绕转轴从X到O匀速转动,穿过线圈平面的磁通量向上增大,根据楞次定律可知线圈中产生瞬时针方向的感应电流,电流由F经G流向E,又导线切割磁感线产生感应电动势E=BLV,导线处的磁感应强度先增后减可知感应电动势先增加后减小、则电流先增大再减小,AB均错;

在磁极绕转轴从O到Y匀速转动,穿过线圈平面的磁通量向上减小,根据楞次定律可知线圈中产生逆时针方向的感应电流,电流由E经G流向F,又导线切割磁感线产生感应电动势E=BLV,导线处的磁感应强度先增后减可知感应电动势先增加后减小、则电流先增大再减小,C错、D对。

试题详情

21.(19分)

   (1)滑块从静止释放到与弹簧刚接触的过程中作初速度为零的匀加速直线运动,设加速度大小为a,则有   qE+mgsin=ma           ①

               ②

联立①②可得           ③

(2)滑块速度最大时受力平衡,设此时弹簧压缩量为,则有

            ④

   从静止释放到速度达到最大的过程中,由动能定理得

       ⑤

联立④⑤可得   s

(3)如图

  

(09江苏理综卷)25.(22分)如图所示,x轴正方向水平向右,y轴正方向竖直向上。在xOy平面内有与y轴平行的匀强电场,在半径为R的圆内还有与xOy平面垂直的匀强磁场。在圆的左边放置一带电微粒发射装置,它沿x轴正方向发射出一束具有相同质量m、电荷量q(q>0)和初速度v的带电微粒。发射时,这束带电微粒分布在0<y<2R的区间内。已知重力加速度大小为g。

(1)从A点射出的带电微粒平行于x轴从C点进入有磁场区域,并从坐标原点O沿y轴负方向离开,求点场强度和磁感应强度的大小和方向。

(2)请指出这束带电微粒与x轴相交的区域,并说明理由。

(3)若这束带电微粒初速度变为2v,那么它们与x轴相交的区域又在哪里?并说明理由。

答案(1);方向垂直于纸面向外

(2)见解析

(3)与x同相交的区域范围是x>0.

[解 析]本题考查带电粒子在复合场中的运动。

带电粒子平行于x轴从C点进入磁场,说明带电微粒所受重力和电场力平衡。设电场强度大小为E,由  

可得    方向沿y轴正方向。

带电微粒进入磁场后,将做圆周运动。 且  r=R

如图(a)所示,设磁感应强度大小为B。由 

得  方向垂直于纸面向外

(2)这束带电微粒都通过坐标原点。

方法一:从任一点P水平进入磁场的带电微粒在磁场中做半径为R的匀速圆周运动,其圆心位于其正下方的Q点,如图b所示,这束带电微粒进入磁场后的圆心轨迹是如图b的虚线半圆,此圆的圆心是坐标原点为。

方法二:从任一点P水平进入磁场的带电微粒在磁场中做半径为R的匀速圆周运动。如图b示,高P点与O′点的连线与y轴的夹角为θ,其圆心Q的坐标为(-Rsinθ,Rcosθ),圆周运动轨迹方程为

          x=0           x=-Rsinθ

          y=0      或     y=R(1+cosθ)

(3)这束带电微粒与x轴相交的区域是x>0

带电微粒在磁场中经过一段半径为r′的圆弧运动后,将在y同的右方(x>0)的区域离开磁场并做匀速直线运动,如图c所示。靠近M点发射出来的带电微粒在突出磁场后会射向x同正方向的无穷远处国靠近N点发射出来的带电微粒会在靠近原点之处穿出磁场。

所以,这束带电微粒与x同相交的区域范围是x>0.

(09广东物理卷)12.图9是质谱仪的工作原理示意图。带电粒子被加速电场加速后,进入速度选择器。速度选择器内相互正交的匀强磁场和匀强电场的强度分别为BE。平板S上有可让粒子通过的狭缝P和记录粒子位置的胶片A1A2。平板S下方有强度为B0的匀强磁场。下列表述正确的是

A.质谱仪是分析同位素的重要工具

B.速度选择器中的磁场方向垂直纸面向外

C.能通过的狭缝P的带电粒子的速率等于E/B

D.粒子打在胶片上的位置越靠近狭缝P,粒子的荷质比越小

[答案]ABC。

[解析]由加速电场可见粒子所受电场力向下,即粒子带正电,在速度选择器中,电场力水平向右,洛伦兹力水平向左,如图所示,因此速度选择器中磁场方向垂直纸面向外B正确;经过速度选择器时满足,可知能通过的狭缝P的带电粒子的速率等于E/B带电粒子进入磁场做匀速圆周运动则有,可见当v相同时,,所以可以用来区分同位素,且R越大,比荷就越大,D错误。

电磁感应  法拉第定律

(09福建卷)18.如图所示,固定位置在同一水平面内的两根平行长直金属导轨的间距为d,其右端接有阻值为R的电阻,整个装置处在竖直向上磁感应强度大小为B的匀强磁场中。一质量为m(质量分布均匀)的导体杆ab垂直于导轨放置,且与两导轨保持良好接触,杆与导轨之间的动摩擦因数为u。现杆在水平向左、垂直于杆的恒力F作用下从静止开始沿导轨运动距离L时,速度恰好达到最大(运动过程中杆始终与导轨保持垂直)。设杆接入电路的电阻为r,导轨电阻不计,重力加速度大小为g。则此过程

A.杆的速度最大值为

B.流过电阻R的电量为

C.恒力F做的功与摩擦力做的功之和等于杆动能的变化量

D.恒力F做的功与安倍力做的功之和大于杆动能的变化量

答案BD

[解析]当杆达到最大速度vm时,,A错;由公式,B对;在棒从开始到达到最大速度的过程中由动能定理有:,其中,恒力F做的功与摩擦力做的功之和等于杆动能的变化量与回路产生的焦耳热之和,C错;恒力F做的功与安倍力做的功之和等于于杆动能的变化量与克服摩擦力做的功之和,D对。

试题详情

14.(1)设粒子第1次经过狭缝后的半径为r1,速度为v1   qu=mv12    qv1B=m   解得 

同理,粒子第2次经过狭缝后的半径    则

(2)设粒子到出口处被加速了n圈解得 

(3)加速电场的频率应等于粒子在磁场中做圆周运动的频率,即

当磁场感应强度为Bm时,加速电场的频率应为   粒子的动能

时,粒子的最大动能由Bm决定

解得

时,粒子的最大动能由fm决定

解得

(09福建卷)21.(19分)如图甲,在水平地面上固定一倾角为θ的光滑绝缘斜面,斜面处于电场强度大小为E、方向沿斜面向下的匀强电场中。一劲度系数为k的绝缘轻质弹簧的一端固定在斜面底端,整根弹簧处于自然状态。一质量为m、带电量为q(q>0)的滑块从距离弹簧上端为s0处静止释放,滑块在运动过程中电量保持不变,设滑块与弹簧接触过程没有机械能损失,弹簧始终处在弹性限度内,重力加速度大小为g。

(1)求滑块从静止释放到与弹簧上端接触瞬间所经历的时间t1

(2)若滑块在沿斜面向下运动的整个过程中最大速度大小为vm,求滑块从静止释放到速度大小为vm过程中弹簧的弹力所做的功W;

(3)从滑块静止释放瞬间开始计时,请在乙图中画出滑块在沿斜面向下运动的整个过程中速度与时间关系v-t图象。图中横坐标轴上的t1t2及t3分别表示滑块第一次与弹簧上端接触、第一次速度达到最大值及第一次速度减为零的时刻,纵坐标轴上的v1为滑块在t1时刻的速度大小,vm是题中所指的物理量。

试题详情


同步练习册答案