0  264678  264686  264692  264696  264702  264704  264708  264714  264716  264722  264728  264732  264734  264738  264744  264746  264752  264756  264758  264762  264764  264768  264770  264772  264773  264774  264776  264777  264778  264780  264782  264786  264788  264792  264794  264798  264804  264806  264812  264816  264818  264822  264828  264834  264836  264842  264846  264848  264854  264858  264864  264872  447090 

16.如图10所示,在坐标系xoy平面的x>0区域内,有电场强度E=2×105N/C,方向沿y轴负向的匀强电场和磁感应强度B=0.20 T,方向与xoy平面垂直向里的匀强磁场。在y轴上有一足够长的荧光屏MN,在x轴上的P(10,0)点处有一粒子发射枪连续不断的发射大量质量m=6.4×10-27kg,电量q=3.2×10-19C的带正电粒子,其向x轴方向发射的粒子恰能沿x轴做匀速直线运动。若撤去电场,并使粒子发射枪以P为轴在

xoy平面内以角速度ω=2πrad/s逆时针转动(整个装置都处在真空中),求:

(1)带电粒子在磁场中运动的轨迹半径;

(2)荧光屏上闪光点的范围;

(3)荧光屏上闪光点从最高点移动到最低点所用的时间。

试题详情

15.如图9甲所示,一半径R=1m、圆心角等于143°的竖直圆弧形光滑轨道,与斜面相

切于B处,圆弧轨道的最高点为M,斜面倾角θ=370t=0时刻有一物块沿斜面上滑,其在斜面上运动的速度变化规律如图9乙所示。若物块恰能到达M点,(取g=10m/s2,sin370=0.6,cos370=0.8),求:

(1)物块经过B点时的速度

  (2)物块与斜面间的动摩擦因数

  (3)AB间的距离

试题详情

14.一位同学利用手边现有器材,设计了一个既能测量待测

电阻Rx的阻值(约500Ω),又能测量电源E电动势的

电路(如图8)

其中R1:滑动变阻器 阻值1000Ω; 

R2:电阻箱 最大阻值999.9Ω

G:电流表 量程3mA,内阻约50Ω

E:电源 电动势约为3V,内阻很小但不可忽略

①试写出测量电阻Rx的实验步骤:

                                         

                                         

                                         

   ②在测出电阻Rx的值后,再利用此电路测量电源E的电动势。

需要测量的物理量有:           

电源E电动势的表达式                 (用所测物理量表示)

试题详情

13.某同学要测量圆柱体的电阻率。他先用20分度的游标卡尺和螺旋测微器测量其长度和直径,如下图甲、乙。由图可知其长度为      cm,直径为      mm。

试题详情

12.一同学拿着底部穿孔、每秒滴两滴水的

饮料瓶测试自己的行走速度(如图7所          

示)。测出地下各水迹间的距离分别为

SAB=100.1cm、SBC=121.4cm,

SCD=142.9cm,SDE=164.2cm。分析地下

的水迹可知该同学在AE段做    运动,

经过C点时的速度为      m/s。

试题详情

11.如图6虚线为一匀强电场的等势面。一带负电微粒从A点

沿图中直线在竖直平面内运动到B点,不计空气阻力,此

过程中粒子电势能      ,动能      。

(填“增加”、“不变”或“减少”)

试题详情

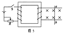
10.如图5所示的装置中,若光滑金属导轨上的金

属杆ab向右发生移动,其原因可能是(   )

A.突然将S闭合

B.突然将S断开

C.S闭合,增大R的阻值

D.S闭合,减小R的阻值

第Ⅱ卷

本卷包括必考题和选考题两部分。第11题-第16题为必考题,每个试题考生都必须做答.第17题-第19题为选考题,考生根据要求做答.

试题详情

9.汽车在平直公路上以速度v0匀速行驶,发动机功率为P。进入高速公路时,司机加大了油门,使汽车的功率立即增大一倍并保持该功率继续行驶。下面图象中,能比较正确表示从司机加大油门开始,汽车的牵引力F与速度v、速度v与时间t的关系的是(设运动过程中阻力始终不变)                                (   )

A          B          C          D

试题详情

8.某类地行星的直径约为地球的1.5倍 ,质量约为地球的5倍,其绕恒星运行的周期约为13天。一卫星在该行星的近“地”轨道运行,下列说法正确是                            (   )

A.卫星的运行周期约为13天

B.卫星的运行速度大于7.9km/s

C.该行星的平均密度比地球平均密度小

D.人在该行星上所受重力比在地球上所受重力大

试题详情

7.一马拉着车原来以5m/s的速度运动,马受惊后突然加速,则              (   )

  A.车的惯性增大了                 B.车的惯性保持不变

  C.马拉车的力大于车拉马的力        D.马拉车的力始终等于车拉马的力

试题详情


同步练习册答案