0  265029  265037  265043  265047  265053  265055  265059  265065  265067  265073  265079  265083  265085  265089  265095  265097  265103  265107  265109  265113  265115  265119  265121  265123  265124  265125  265127  265128  265129  265131  265133  265137  265139  265143  265145  265149  265155  265157  265163  265167  265169  265173  265179  265185  265187  265193  265197  265199  265205  265209  265215  265223  447090 

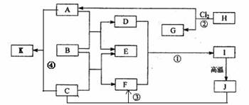
9.(15分)下图中B为日常生活中常见的金属,E是一种新型的清洁能源,H、G是正四面体结构的非极性分子,H是一种重要的能源,J是一种耐高温材料, K是生理盐水主要成分(图中部分反应物或生成物没有列出)。

请按要求回答:

  (1)写出B在周期表的位置第_____周期_____族,G的电子式_________________。

  (2)反应①的离子方程式为_______________________________________。

  (3)反应②进行的条件是___________________,_____________________。

  (4)反应③的化学方程式为________________________________________。

试题详情

8.实验台上有贴有标签的酚酞试液、滴管和若干试管,甲、乙、丙、丁四位同学分别做鉴别失去标签的NaOH溶液、NaCl溶液、稀H2SO4(用三支试管分别装)的实验,若规定用滴管取一次液滴加到另一种溶液(滴一次)算操作一步。以下结论正确的是                                    (   )

    A.甲认为操作合理最少要三步可完成实验   

    B.乙认为操作合理最少要两步可完成实验

    C.丙认为操作合理最多要三步可完成实验   

    D.丁认为操作合理最多要两步可完成实验

试题详情

7.如图所示为一恒压容器。在恒定温度下,将1molN2和3molH2混合后由A 口快速充入封闭容器,反应N2+3H22NH3在t1时刻达到平衡,t2时刻再从A口快速充入一定量NH3,封闭A,t3重新达平衡至t4。在0→t4时间内混合气中NH3的体积分数(纵坐标)随时间(横坐标)变化的曲线正确的是(   )           

试题详情

5.中学阶级介绍的应用电解法制备的物质主要有三种:一是铝的工业制备、二是氯碱工业、三是金属钠的制备。下列关于这三个工业生产的描述中正确的是                      (   )

    A.电解法制金属钠时,负极反应式:Na++e=Na,3 

    B.电解法生产铝时,需对铝土矿进行提纯,在提纯过程中应用了氧化铝或氢氧化铝的两性

    C.在氯碱工业中,电解池中的阴极产生的是 H2 , NaOH 在阳极附近产生

    D.氯碱工业和金属钠的冶炼都用到了NaCl ,在电解时它们的阴极都是 C1失电子

  6.下图是铝热反应(2Al+Fe2O3高温Al2O3 +2Fe)的实验装置,有关该反应的下列说法中正确的是(   )

    A.a 为镁条       

    B.b为氧化铁与铝粉混合物 

    C. 2mol氧化剂参与反应则电子转移6NA个电子

    D.还原剂与氧化产物的物质的量之比为1:2

试题详情

4.四支试管分别充满O2、NO2、Cl2、NH3四种气体,把它们分别倒立于盛有下列各种流体的水槽中,发生的现象如下图所示,其中充满Cl2的试管是                                               (   )

     

A         B          C       D

试题详情

3.归纳是一种由特殊(个别)到一般的概括,但是归纳出的规律也要经过实践检验才能决定其是否正确。下面几位同学自己总结出的结论中不正确的是                                              (   )

    A.不是所有醇都能被氧化成醛,但所有含碳原子大于2的醇都能发生消去反应

    B.标准状况下,0.5molN2和0.5molO2的混合气体所占的体积约为22.4L

    C.原子晶体熔点不一定比金属晶体高,分子晶体熔点不一定比金属晶体低

    .反应是吸热还是放热的,必须看反应物和生成物所具有总能量的大小

试题详情

2.能影响水的电离平衡,并使溶液中的c(H+)> c(OH-)的操作是                    (   )

    A.向水中投入一小块金属钠       B.将纯水加热煮沸

    C.向水中通入二氧化碳气体       D.向水中加食盐晶体

试题详情

1.下列现象或应用中,不能用胶体知识解释的是                                   (   )

    A.清晨,在茂密的树林,常常可以看到从枝叶间透过的一道道光柱

    B.电影放映时的丁达尔效应

    C.肾功能衰竭等疾病引起的血液中毒,可利用血液透析进行治疗

    D.在饱和FeCl3溶液中逐滴加入NaOH溶液,产生红褐色沉淀

试题详情

10.如图所示,质量分别为m1m2的两个小球AB带有等量异种电荷,通过绝缘轻弹簧相连接,置于绝缘光滑的水平面上。当突然加一水平向右的匀强电场后,两小球AB将由静止开始运动,在以后的运动过程中,对两个小球和弹簧组成的系统(设整个过程中不考虑电荷间库仑力的作用,且弹簧不超过弹性限度),以下说法中正确的是

A.两个小球所受电场力等大反向

B.电场力分别对球A和球B做正功,系统机械能不断增加

C.当弹簧长度达到最大值时,系统机械能最大

D.当小球所受电场力与弹簧的弹力相等时,系统动能最大

试题详情

9.如图所示,边长为L的等边三角形abc为两个匀强磁场的理想边界,三角形内的磁场方向垂直纸面向外,磁感应强度大小为B,三角形外的磁场范围足够大,方向垂直纸面向里,磁感应强度也为B。把一粒子源放在顶点a处,它将沿∠a的角平分线发射质量为m、电荷量为q、初速度为的带负电粒子(粒子重力不计)。在下列说法中正确的是

A.带电粒子在磁场中做匀速圆周运动的半径是L/2

B.带电粒子在磁场中做匀速圆周运动的半径是L/2

C.带电粒子第一次到达c点所用的时间是πm/(qB)

D.带电粒子第一次返回a点所用的时间是7πm/(3qB)

试题详情


同步练习册答案