0  265199  265207  265213  265217  265223  265225  265229  265235  265237  265243  265249  265253  265255  265259  265265  265267  265273  265277  265279  265283  265285  265289  265291  265293  265294  265295  265297  265298  265299  265301  265303  265307  265309  265313  265315  265319  265325  265327  265333  265337  265339  265343  265349  265355  265357  265363  265367  265369  265375  265379  265385  265393  447090 

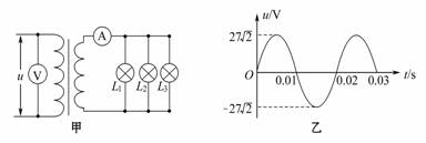
12. (2010德州一模)如图甲所示,理想变压器原、副线圈的匝数比为3∶1,L1、L2、L3为三只规格均为“9V 6W”的相同灯泡,各电表均为理想交流电表,输入端接入如图乙所示的交变电压,则以下说法中正确的是:

A.电流表的示数为2A

B.电压表的示数为27V

C.副线圈两端接入耐压值为9V的电容器恰能正常工作

D.变压器副线圈中交变电流的频率为50Hz

试题详情

11.如图所示,某山区小型水力发电站的发电机有稳定的输出电压,它发出的电先通过电站附近的变压器升压,然后通过高压输电线路把电能输送到  升压变压器远处村寨附近的降压变压器,经降低降压变压器电压后再输送至村寨中各用户.设变压器都是理想的,那么随着村寨中接入电路的用电器消耗的总功率的增加,则       (   )

   

    A.通过升压变压器初级线圈中的电流变大

    B.升压变压器次级线圈两端的电压变小

    C.高压输电线路中损失的功率变大

    D.降压变压器次级线圈两端的电压变小

试题详情

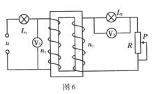
9.如图6所示的电路中,有一个理想变压器,原线圈匝数为n1,串联一只小灯泡L1,再并联一只电压表V1后接在稳定的交流电源上;副线圈匝数为n2,串联灯泡 L2和变阻器R,L2上并联电压表V2.现在向下移动滑动变阻器R的滑动触头P下列判断正确的是        (   )

A.V1读数将变大,V2读数将变小

B.V1读数不变,V2读数增大

C.灯泡L1和L2上消耗的功率都变小

D.灯泡L1及L2上电流强度IlI2与变压器原副线圈匝数n1n2成正比

  10.如图所示,理想变压器、副线圈的匝数之比为4:1。原线圈接入一电压为的交流电源,副线圈接一个R=的负载电阻。下述结论正确的是                              (   )

    A.副线圈中电压表的示数为55V

    B.副线圈中输出交流电的周期为

    C.原线圈中电流表的示数为

    D.原线圈的输入功率为

试题详情

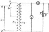
8.如图所示,理想变压器原、副线圈的匝数比为10:1,是屑线圈的中心抽头,电压表和电流表均为理想电表,从某时刻开始在原线圈两端加上交变电压,其瞬时值表达式为,则

    A.当单刀双掷开关与连接时.电压表的示数为

    B.当时,间的电压瞬时值为

   C.单刀双掷开关与连接,在滑动变阻器触头向上移动的过程中,电压表和电流表的示数均变小

D.保持滑动变阻器触头不动,当单刀双掷开关由扳向时,电压表和电流表的示数均变大

试题详情

6.某变压器原、副线圈匝数比为55:9,原线圈所接电源电压按图示规律变化,副线圈接有负载.下列判断正确的是 

A.输出电压的最大值为36V

B.原、副线圈中电流之比为55:9

C.变压器输入、输出功率之比为55:9

D.变压器输入电压有效值为220V,频率为50Hz

  7.如图所示电路中的变压器为理想变压器,S为单刀双掷开关,P是滑动变阻器R的滑动触头,原线圈两端接电压恒定的交变电流,则能使原线圈的输入功率变大的是(   )

    A.保持P的位置不变,S由b切换到a

    B.保持P的位置不变,S由口切换到b

    C.S掷于b位置不动,P向上滑动

    D.S掷于b位置不动,P向下滑动

试题详情

5.去年冬天,我国东北地区由于低温、雨雪、冰冻使输电线路结冰而影响正常供电.为消除高压输电线上的凌冰,有人设计了这样的融冰思路:利用电流的热效应除冰.若在正常供电时,为了减少输电损耗,需经过升压变压器将电压升高后采用高压输电,假设升压变压器原、副线圈匝数比为1: N ,高压线上送电电压为U,电流为I,热损耗功率为△P;除冰时,调整升压变压器原、副线圈的匝数比,使输电线上的热损耗功率变为9△P,通过增加焦耳热达到除冰的目的.则除冰时(认为输电功率和输电线电阻不变)

A.输电电流变为3I        

B.输电电流变为9I

C.输电电压变为3U        

D.升压变压器原、副线圈匝数比变为1:3N

试题详情

3. (09年山东卷)某小型水电站的电能输送示意图如下。发电机的输出电压为200V,输电线总电阻为r,升压变压器原副线圈匝数分别为n,n2。降压变压器原副线匝数分别为n3、n4(变压器均为理想变压器)。要使额定电压为220V的用电器正常工作,则

A.                      

B.

C.升压变压器的输出电压等于降压变压器的输入电压

D.升压变压器的输出功率大于降压变压器的输入功率

2010山东各地一模汇编

  4.()如图所示,一理想变压器原、副线圈的匝数之比

为n1:n2=6:1。交流电源电动势瞬时值表达式为

V,不计交流电源的

内阻。电阻,其电功率为P2=100W,

则以下说法正确的是         (   )

    A.R1的电功率为100W

    B.R1两端的电压为100V

    C.变压器原线圈两端电压的效值为120V

    D.交流电源的输出功率等于变压器的输出功率

试题详情

2. (08年山东卷)图1、图2分别表示两种电压的波形,其中图1所示电压按正弦规律变化。下列说法正确的是

A.图1表示交流电,图2表示直流电

B.两种电压的有效值相等

C.图1所示电压的瞬时值表达式为u=311sin100V

D.图1所示电压经匝数比为10:1的变压器变压后,频率变为原来的

试题详情

1. (07年山东卷)某变压器原、副线圈匝数比为55:9,原线圈所接电源电压按图示规律变化,副线圈接有负载。下列判断正确的是

A.输出电压的最大值为36V

B.原、副线圈中电流之比为55:9

C.变压器输入、输出功率之比为55:9

D.交流电源有效值为220V,频率为50Hz

试题详情

10.国

(1)国破山河在,城春草木深(   )国家

(2)六国破灭,非兵不利(   )诸侯国

(3)登斯楼也,则有去国怀乡(   )国都、京城

(4)逝将去女,适彼乐国(   )地区、地域

(5)等死,死国可乎(   )国事

试题详情


同步练习册答案