0  267748  267756  267762  267766  267772  267774  267778  267784  267786  267792  267798  267802  267804  267808  267814  267816  267822  267826  267828  267832  267834  267838  267840  267842  267843  267844  267846  267847  267848  267850  267852  267856  267858  267862  267864  267868  267874  267876  267882  267886  267888  267892  267898  267904  267906  267912  267916  267918  267924  267928  267934  267942  447090 

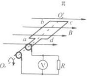
15.如图所示,交流发电机线圈的面积为0.05,共200匝,

在磁应强度B为T的匀强磁场中,以10rad/s的角速度

匀速转动,电阻R的阻值为25,线圈的总电阻为25

若从图示位置开始计时,则以下结论正确的是:(   )

    A.线圈中的电动势为100sin10(V)

 B.电压表的示数为25V

 C.通过R的电流为2A

      D.电阻R上消耗的电功率为25W

试题详情

14.关于物理学的研究方法,以下说法错误的是:     

A.在用实验探究加速度、力和质量三者之间关系时,应用了控制变量法

B.在利用速度时间图像推导匀变速直线运动位移公式时应用的是微元法

C.在定义电场强度时应用了比值法,因而电场强度与电场力和试探电荷的电量无关

D.在不需要考虑物体本身的大小和形状时,建立质点概念是应用近似替代法

试题详情

13. 下列说法正确的是

A. 铅蓄电池放电时铅电极发生还原反应

B. 电解饱和食盐水在阳极得到氯气,阴极得到金属钠

C. 给铁钉镀铜可采用CuSO4作电镀液

D. 生铁浸泡在食盐水中发生析氢腐蚀

试题详情

12. 将下列离子混合在同一溶液中,一定会产生沉淀的一组是

A. Na、Al、Cl、OH   B.Ag、NH、NO、OH

C. H3O、Na、AlO2、Cl   D.Na、Al、Cl、AlO2

试题详情

11. 0.02mol·L-1的HCN溶液与0.02mol·L-1的NaCN溶液等体积混合,则下列关系正确的是

A. C()>C(HCN)        B. C(HCN)+C()=0.04 mol·L-1

C. C(Na+)=C()+C(HCN)     D. C(Na+)>C()>C()>C(H+)    

试题详情

10. X、Y、Z、W四种短周期元素在周期表中相对位置如表所示,Y、Z质子数之和为21,下列说法中正确的是

A. X、Y、Z、W均为非金属元素

B. X、Y、W的氢化物中,Y的氢化物沸点最高

C. Z的阳离子与Y的阴离子电子层结构相同

D. W元素的简单离子半径大于Z元素的简单离子半径

试题详情

9. 设NA表示阿伏加德罗常数,下列说法正确的是

A. 1mol Na2O2 中有4 NA个离子

B. 常温常压下,11.2L氧气所含的原子数为NA

C. 1L 1mol/L CH3COONa溶液中含NA个CH3COO-离子

D. 42g C2H4和C3H6的混合物中一定含有6NA个氢原子

试题详情

8.下列装置所示的实验中,能达到实验目的的是 

试题详情

7. 下列说法正确的是

A. 小苏打是制作馒头和面包的膨松剂

B. 棉、麻、丝、毛完全燃烧只生成CO2和H2O

C. 葡萄糖、脂肪在一定条件下都能发生水解反应

D. 汽油、柴油、植物油都是碳氢化合物

试题详情

6.①、②两植株杂交得到③,将③作进一步处理,如下图所示。有关分析错误的是(   )

    A.③到④过程发生了等位基因的分离和非等位基因的自由组合

    B.⑤×⑥到⑧的育种过程,发生了基因重组和染色体变异

    C.若③的基因型为AaBbdd,则⑩植株中能稳定遗传的个体占总数的1/4

    D.③到⑦过程如果出现突变和重组,将为生物进化提供原材料

试题详情


同步练习册答案