0  310592  310600  310606  310610  310616  310618  310622  310628  310630  310636  310642  310646  310648  310652  310658  310660  310666  310670  310672  310676  310678  310682  310684  310686  310687  310688  310690  310691  310692  310694  310696  310700  310702  310706  310708  310712  310718  310720  310726  310730  310732  310736  310742  310748  310750  310756  310760  310762  310768  310772  310778  310786  447090 

19.(10分)某探究性学习小组对一辆自制小遥控车的性能进行研究.他们让这辆小车在水平地面上由静止开始运动,并将小车运动的全过程记录下来,通过数据处理得到如图所示的v-t图像,已知小车在0-t s内做匀加速直线运动;ts-10s内小车牵引力的功率保持不变,且7s-10s为匀速直线运动;在10s末停止遥控让小车自由滑行,小车质量m=1kg,整个过程中小车受到的阻力f大小不变.求:

(1)小车所受阻力f的大小;

(2)在ts-10s内小车牵引力的功率P

(3)小车在加速运动过程中的总位移S.  

试题详情

18.(6分)质量的物块(可视为质点)在水平恒力F的作用下,从水平面上A点由静止开始运动,运动一段距离撤去该力,物块继续滑行停在B点.已知A、B两点的距离,物块与水平面间的动摩擦因数,求恒力F多大?

试题详情

16.(6分)某同学采用一1/4圆弧轨道做平抛运动实验,其部分实验装置示意图如图甲所示.实验中,通过调整使出口末端B的切线水平后,让小球从圆弧顶端的A点由静止释放.图乙是小球做平抛运动的闪光照片,照片中的每个正方形小格的边长代表的实际长度为4.85cm.己知闪光频率是10Hz.则根据上述的信息可知:

①小球到达轨道最低点B时的速度大小vB  m/s,当地的重力加速度 g  m/s2

②已知1/4圆弧轨道的半径R=25 cm,那么小球在圆弧槽轨道上是否受到了摩擦力:______________(填“受到”、“未受到”或“条件不足,无法确定”).

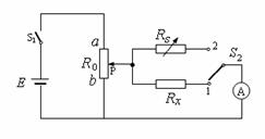
  17.(6分)用替代法测一个未知电阻Rx的阻值可以用如图所示电路,图中RS为电阻箱(RS的最大阻值大于待测电阻Rx的阻值),S2为单刀双掷开关,R0为滑动变阻器,最大阻值为20Ω.为了电路安全,测量前应将滑动变阻器的滑片P调至   (选填“a”或“b”),电阻箱RS阻值应调至   (选填“最大”或“最小”) .闭合S1开始实验,接下来有如下一些操作:

A.慢慢移动滑片P

B.将S2闭合在2端

C.将S2闭合在1端

D.将S1断开,整理实验器材

E.调节电阻箱RS的值,使电流表指针指在         (请补充完整)

F.使电流表指针变化至某一适当位置

G.记下电阻箱上电阻读数

实验操作的合理次序是:             .(填字母)

试题详情

15.如图所示,质量为m,带电量为+q的粒子,从两平行电极板正中央垂直电场线和磁感线以速度v飞入.已知两板间距为d,磁感强度为B,这时粒子恰能直线穿过电场和磁场区域(重力不计).今将磁感强度增大到某值,则粒子将落到极板上.当粒子落到极板上时的动能为    

试题详情

14.在如图所示的电路中,电阻R1=12Ω,R2=8Ω,R3=4Ω.当电键K断开时,电流表示数为0.25A,当K闭合时电流表示数为0.36A,则电源的电动势为    ;内电阻为   

试题详情

13.一个矩形线圈在匀强磁场中绕垂直于磁场的轴匀速转动.周期为T,从中性面开始计时,当时,感应电动势的瞬时值为2V,则此交流电动势的有效值为    

试题详情

12.如图甲所示,长直导线与闭合金属线框位于同一平面内,长直导线中的电流i随时间t的变化关系如图乙所示.在0-T/2时间内,直导线中电流向上,则在T/2-T时间内,线框中感应电流的方向与所受安培力情况是

A.感应电流方向为顺时针,线框受安培力的合力方向向左

t
 
B.感应电流方向为逆时针,线框受安培力的合力方向向右

C.感应电流方向为顺时针,线框受安培力的合力方向向右

D.感应电流方向为逆时针,线框受安培力的合力方向向左

第Ⅱ卷 (非选择题,共52分)

本卷共三道大题,包括8小题.请将每小题的正确答案写在答题卡的相应位置上.

试题详情

11.放在水平地面上的一物块,受到方向不变的水平推力F的作用,F的大小与时间t的关系和物块速度v与时间t的关系如图所示.取重力加速度g=10m/s2.由此两图线可以求得物块的质量m和物块与地面之间的动摩擦因数μ分别为

A.m=1.5kg   μ=0.4

B.m=0.5kg   μ=0.4

C.m=0.5kg   μ=0.2

D.m=1kg    μ=0.2

试题详情

10.如图所示圆柱形区域的横截面.在没有磁场的情况下,带电粒子(不计重力)以某一初速度沿截面直径方向入射时,穿过此区域的时间为t;若该区域加沿轴线方向的匀强磁场,磁感应强度为B,带电粒子仍以同一初速度沿截面直径入射,粒子飞出此区域时,速度方向偏转了,根据上述条件可求得的物理量为

A.带电粒子的初速度

B.带电粒子在磁场中运动的半径

C.带电粒子在磁场中运动的周期

D.带电粒子的比荷

试题详情

9.某中学实验小组的同学在电梯的天花板上固定一根弹簧秤,使其测量挂钩(跟弹簧相连的挂钩)向下,并在钩上悬挂一个重为10N的钩码.弹簧秤弹力随时间变化的规律可通过一传感器直接得出,如图所示的F-t图象.根据F-t图象,下列分析正确的是

A.从时刻t1t2,钩码处于超重状态

B.从时刻t3t4,钩码处于失重状态

C.电梯可能开始停在15楼,先加速向下,接着匀速向下,再减速向下,最后停在1楼

D.电梯可能开始停在1楼,先加速向上,接着匀速向上,再减速向上,最后停在15楼

试题详情


同步练习册答案