0  313758  313766  313772  313776  313782  313784  313788  313794  313796  313802  313808  313812  313814  313818  313824  313826  313832  313836  313838  313842  313844  313848  313850  313852  313853  313854  313856  313857  313858  313860  313862  313866  313868  313872  313874  313878  313884  313886  313892  313896  313898  313902  313908  313914  313916  313922  313926  313928  313934  313938  313944  313952  447090 

11、(6分)(1)一个定值电阻和一个半导体二极管的伏安特曲线如图所示,则该电阻的阻值为   Ω,若把此电阻和二极管串联接到某恒压电源上,通过电阻的电流为2A时,二极管两端的电压为    V。

(2)、在进行测定电源电动势和内电阻的实验时,除了需有待测电源、开关和导线外,下列各组器材可以完成实验的是     (填字母代号)

A.电压表和电流表     B.电流表和电阻箱

C.电流表和滑动变阻器   D.电压表和电阻箱

E.电压表和滑动变阻器   F.电压表、电流表和滑动变阻器

试题详情

10.用细线拴着小球在光滑水平面上做半径为R的匀速圆周运动,YC小球的向心加速度大小为a,则(   )

    A.小球运动的线速度      B.小球运动的角速度

    C.小球运动的周期      D.小球在时间t内通过的路程

试题详情

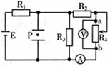
9.如图所示,平行金属板中的带电质点P处于静止状态,不考虑电流表和电压对电路的影响,当滑动变阻器R4滑片向b端移动时                                              (   )

    A.电流表读数增大

    B.电压表读数增大

    C.R3上消耗的电功率增大

    D.质点P将向上运动

试题详情

8.高血压已成为危害人类健康的一种常见病,现已查明,血管变细是其诱因之一.为研究这一问题,我们可做一些简化和假设:设血液通过一定长度血管时受到的阻力f与血液流速v成正比,即f=kv(其中k与血管粗细无关),为维持血液匀速流动,在这血管两端需要有一定的压强差.设血管内径为d时所需的压强差为△p,若血管内径减为d’时,为了维持在相同时间内流过同样多的血液,压强差必须变为

试题详情

7.传感器是自动控制设备中不可缺少的元件,已经渗透到宇宙开发、环境保护、交通运输以及家庭生活等各种领域.如下图所示为几种电容式传感器,其中通过改变电容器两极间距离而引起电容变化的是.

试题详情

6.如图所法,M点固定一个带负电的球体,将一带电荷量为q = -1×10-5C的检验电荷从M点附近的N点由静止释放,该检验电荷从N点运动到无穷远处的过程中,电场力做的功为1×10-6J。取无穷远处电势为零,则      (   )

    A.N点的电势为0.1V

    B.N点的电势为-0.1V

    C.检验电荷q在N点具有的电势能为1×10-6J

    D.检验电荷q在无穷远处具有的电势能为1×10-6J

试题详情

5.一质点自x轴原点出发,沿正方向以加速度a加速,经过to时间速度变为v0,接着以-a加速度运动,当速度变为-v0/2时,加速度又变为a,直至速度变为v0/4时,加速度再变为-a。,直至速度变为-v0/8……,其v-t图象如图所示,则下列说法中正确的是

  A.质点一直沿x轴正方向运动

  B.质点将在x轴上-直运动,永远不会停止

  C.质点最终静止时离开原点的距离一定大于v0t0

  D.质点运动过程中离原点的最大距离为v0t0

试题详情

4.一只小船在静水中的速度大小始终为5m/s,在流速为3m/s的河中航行,则河岸上的人能看到船的实际航速大小可能是                                  (   )

    A.1m/s          B.3m/s          C.8m/s          D.10m/s

试题详情

3.在静电场中,一个电子只在电场力的作用下由A点沿直线运动到B点,在这个运动过程中,下列说法中正确的是                                   (   )

    A.该电子速度大小一定增加          B.电子可能沿等势面运动

    C.A点的场强一定比B点的场强大     D.电子的电势能可能增加

试题详情

2.如图所示,在波的传播方向上有间距均为l.0m的六个质点abcdef,均静止在各自的平衡位置。一列横波以l.0m/s的速度水平向右传播,t=0时到达质点a,使a开始由平衡位置向上运动,t=1.0s时,质点a第一次到达最高点。

则在质点a第二次到达最高点,并由最高点向其

平衡位置运动的时间内,下列说法中错误的是   

A.质点bf的加速度逐渐增大  B.质点ce的速度逐渐增大

C.质点df向下运动      D.质点bf向上运动

试题详情


同步练习册答案