0  313779  313787  313793  313797  313803  313805  313809  313815  313817  313823  313829  313833  313835  313839  313845  313847  313853  313857  313859  313863  313865  313869  313871  313873  313874  313875  313877  313878  313879  313881  313883  313887  313889  313893  313895  313899  313905  313907  313913  313917  313919  313923  313929  313935  313937  313943  313947  313949  313955  313959  313965  313973  447090 

3、用下列器材组装成描绘电阻R伏安特性曲线的电路,请将实物图连线成为实验电路。(08天津卷)

   微安表μA(量程200μA,内阻约200);

   电压表V(量程3V,内阻约10K);

   电阻R(阻值约20k);

   滑动变阻器R(最大阻值50,额定电流1 A).

   电池组E(电动势3V,内阻不计);

开关S及导线若干。                 答案:实物连接如图

  

试题详情

3、用示波器观察某交流信号时,在显示屏上显示出一个完整的波形,如图。经下列四组操作之一,使该信号显示出两个完整的波形,且波形幅度增大。此组操作是       。(填选项前的字母)C(08北京卷)

A.调整X增益旋钮和竖直位移旋钮  B.调整X增益旋钮和扫描微调旋钮

C.调整扫描微调旋钮和Y增益旋钮  D.调整水平位移旋钮和Y增益旋钮

试题详情

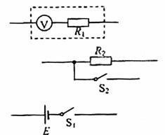
2、右图为一电学实验的实物连线图. 该实验可用来测量待测电阻Rx的阻值(约500Ω). 图中两具电压表量程相同, 内阻都很大. 实验步骤如下:(08全国2卷)

①调节电阻箱, 使它的阻值R0与待测电阻的阻值接近; 将滑动变阻器的滑动头调到最右端.

②合上开关S

③将滑动变阻器的滑动头向左端滑动, 使两个电压表指针都有明显偏转.

④记下两个电压表V1和V2的读数U1U2

⑤多次改变滑动变阻器滑动头的位置, 记下V1和V2的多组读数U1U2

⑥求Rx的平均值.

回答下面问题:

(Ⅰ)根据实物连线图在虚线框内画出实验的电路原理图,其中电阻箱的符号为, 滑动变阻器的符号为,其余器材用通用的符号表示。

(Ⅱ)不计电压表内阻的影响,用U1、U2和R0表示Rx的公式为Rx=___________

(Ⅲ)考虑电压表内阻的影响, 用U1U2R0、V1的内阻r1、V2的内阻r2表示Rx的公式为Rx=__________________

答案:I电路如图:.IIIII.

试题详情

1、一直流电压表V,量程为1V,内阻为1000Ω。现将一阻值在5000-7000Ω之间的固定电阻R1与此电压表串联,以扩大电压表的连成。为求得扩大后量程的准确值,再给定一直流电源(电动势E为6-7V,内阻可忽略不计),一阻值R2=2000Ω的固定电阻,两个单刀开关S1S2及若干导线。

(1)为达到上述目的,将答题卡上对应的图连成一个完整的实验电路图.

(2)连线完成以后,当S1S2均闭合时,电压表的示数为0.90 V;当S1闭合,S2断开时,电压表的示数为0.70 V,由此可以计算出改装后电压表的量程为     V,电源电动势为

     V. (08全国1卷)7,6.3

试题详情

2、某同学欲采用如图所示的电路完成相关实验。图中电流表A的量程为0.6A,内阻约0.1Ω;电压表V的量程为3V,内阻约6kΩ;G为小量程电流表;电源电动势约3V,内阻较小。下列电路中正确的是AB(07江苏卷)

试题详情

1、一个T型电路如图所示,电路中的电,  .另有一测试电源,电动势  为100V,内阻忽略不计。则AC(08宁夏卷)

A.当cd端短路时,ab之间的等效电阻是40

B. 当ab端短路时,cd之间的等效电阻是40

C.当ab两端接通测试电源时, cd两端的电压为80 V

D. 当cd两端接通测试电源时, ab两端的电压为80 V

试题详情

11、关于多用电表的使用,下列说法中正确的是A(06江苏卷)

A.用电流挡测电流或用电压挡测电压前,必须检查机械零点  B.用电阻挡测电阻前,不需要检查机械零点

C.用电阻挡测电阻时,若从一个倍率变换到另一个倍率,不需要重新检查欧姆零点

D.用电阻挡测电阻时,被测电阻的阻值越大,指针向右转过的角度就越大

试题详情

10、如图所示的电路中,电池的电动势为 E,内阻为 r,电路中的电阻 R1、R2 和 R3 的阻值都相同。在电键 S处于闭合状态下,若将电键 S1 由位置 1切换到位置 2,则B(06天津卷)

A.电压表的示数变大    

B.电池内部消耗的功率变大

C.电阻 R2 两端的电压变大 

D.电池的效率变大

试题详情

9、汽车电动机启动时车灯会瞬时变暗,如图,在打开车灯的情况下,电动机未启动时电流表读数为10 A,电动机启动时电流表读数为58 A,若电源电动势为12.5 V,内阻为0.05 Ω,电流表内阻不计,则因电动机启动,车灯的电功率降低了B(07重庆卷)

A.35.8 W  B.43.2 W  

C.48.2 W    D.76.8 W

试题详情

8、在如图所示的电路中,E为电源电动势,r为电源内阻,R1R3均为定值电阻,R2为滑动变阻器。当R2的滑动触点在a端时合上开关S,此时三个电表A1、A2和V的示数分别为I1I2U。现将R2的滑动触点向b端移动,则三个电表示数的变化情况是B(07宁夏卷)

A.I1增大,I2不变,U增大  B.I1减小,I2增大,U减小

C.I1增大,I2减小,U增大  D.I1减小,I2不变,U减小

试题详情


同步练习册答案