0  337276  337284  337290  337294  337300  337302  337306  337312  337314  337320  337326  337330  337332  337336  337342  337344  337350  337354  337356  337360  337362  337366  337368  337370  337371  337372  337374  337375  337376  337378  337380  337384  337386  337390  337392  337396  337402  337404  337410  337414  337416  337420  337426  337432  337434  337440  337444  337446  337452  337456  337462  337470  447090 

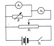
23.某同学用如图所示电路测量电流表的阻值,并将电流表改装成一只电压表,测量一段金属丝的阻值(阻值约为),可选用以下器材:

电流表,量程10 mA,内阻约为

电流表,量程0.6 A,内阻约为

电阻箱R,阻值

滑动变阻器,最大阻值

电源E,电动势6V,内阻不计;

开关,导线若干。

该同学进行如下操作:

(1)将闭合,调节滑动变阻器和电阻箱R,测得电流表的示数分别为5 mA和0.04 A,电阻箱阻值为,则电流表的阻值为_________

(2)该同学将电流表改装成一只量程为3V的电压表,电阻箱R阻值应调为_______,并与电流表___________联。

(3)该同学选用必要的器材测量金属丝的阻值,只移动滑动变阻器,测得电流表的示数哪下表:

A1/mA
0
1
2
3
4
5
6
7
8
9
10
A2/A
0
0.06
0.12
0.18
0.24
0.30
0.36
0.41
0.45
0.50
0.54

请在坐标纸上描点作出两电流表示数的关系图线。

试题详情

22.有些同学为了测量篮球从教学楼三楼自由落下时地面对篮球的最大弹力,提出了以下四个方案,你认为可行的是(  )

A.甲同学认为把一张白纸平放到地面,然后把得的表面洒上水,让篮球击到白纸上留下水印,然后把这张白纸放到体重计上,把球慢慢的向下压,当球和水印重合时,根据体重计的读数可知最大弹力的大小

B.乙同学认为可以通过测量篮球的质量和落地后弹起的高度,然后根据动能定理可求最大作用力

C.丙同学认为根据牛顿第二定律及篮球落地前以及跳离地面瞬间速度可求最大作用力

D.丁同学认为可以把球直接放到普通指针式体重计上,直接读数即可

试题详情

21.质量为m,电量为q的带正电小物块在磁感应强度为B,方向垂直纸面向里的匀强磁场中,沿动摩擦因数为的绝缘水平面以初速度开始向左运动。如图所示,物块经时间t移动距离s后停了下来,设此过程中,q不变,则(  )

A.                      B.

C.                      D.

第Ⅱ卷(非选择题)

本卷共13小题,共174分。

试题详情

20.如右图所示,在匀强磁场中的A点有一静止的放射性原子核,它发生某种衰变时,射出的粒子及新核做如图所示轨迹的圆周运动,测得两轨迹的半径之比为44:1,则下列判断正确的是(  )

A.这是衰变,衰变时新核向右运动,放射性元素的原子序数是43

B.这是衰变,衰变时新核向左运动,放射性元素的原子序数是43

C.这是衰变,衰变时新核向右运动,放射性元素的原子序数是90

D.这是衰变,衰变时新核向左运动,放射性元素的原子序数是90

试题详情

19.如图所示,沿x轴正方向传播的一列横波在某时刻的波形图为一正弦曲线,其波速为200 m/s,下列说法中正确的是(  )

A.从图示时刻开始,质点b比质点a先到平衡位置

B.从图示时刻开始,经过0.01s质点a 通过的路为0.4 m

C.若该波波源从O点沿x轴正向运动,则在x=2000 m处接收到的波的频率将小于50 Hz

D.若该波传播中遇到宽约3 m的障碍物能发生明显的衍射现象

试题详情

18.如图所示,小朋友在玩一种运动中投掷的游戏,目的是在运动中将手中的球投进离地面高3 m的吊环,他在车上和车一起以2 m/s的速度向吊环运动,小朋友抛球时手离地面1.2 m,当他在离吊环的水平距离为2 m时将球相对于自己竖直上抛,球刚好进入吊环,他将球竖直向上抛出的速度是(  )(取)

A.1.8 m/s  B.3.2 m/s      C.6.8 m/s      D.3.6 m/s

试题详情

17.汽车发动机的额定功率为80 kW的汽车,汽车的质量为,如果汽车从静止开始先做匀加速直线运动,加速度大小为,运动过程中阻力恒为,则(  )

A.汽车从静止起动后能达到的最大速度为20 m/s

B.汽车从静止起动后能达到的最大速度为10 m/s

C.匀加速直线运动的时间为5 s

D.汽车从静止达到最大速度的过程中的平均速度大于10 m/s

试题详情

16.如图甲所示,光滑的水平桌面上固定着一根绝缘的长直导线,可以自由移动的矩形导线框abcd靠近长直导线静止放在桌面上。当长直导线中的电流按图乙所示的规律变化时(图甲中电流所示的方向为正方向),则(  )

A.在时刻,线框内没有电流,线框不受力

B.时间内,线框内电流的方向为abcda

C.时间内,线框向右做匀减速直线运动

D.时间内,线框受到磁场力对其做负功

试题详情

15.如图所示为一自耦变压器工作时的电路原理图,保持电阻的阻值和输入电压不变,以下说法正确的是(  )

A.滑键P向b方向移动,滑键Q不动,电流表示数增大

B.滑键P不动,滑键Q上移,电流表示数不变

C.滑键P不动,滑键Q上移,电压表示数增大

D.滑键P向b方向移动,滑键Q不动,电压表示数减小

试题详情

14.根据热力学定律和分子动理论,可知下列说法中正确的是(  )

A.布朗运动是液体分子的运动,它说明了分子永不停息地做无规则运动

B.热现象过程中不可避免地出现能量耗散现象,能量耗散不符合热力学第二定律

C.密封在体积不变的容器中的气体,若温度升高,则气体分子对器壁单位面积上的平均作用力增大

D.对于一定质量的气体,如果压强不变,体积增大,那么它一定从外界吸热

试题详情


同步练习册答案