0  339595  339603  339609  339613  339619  339621  339625  339631  339633  339639  339645  339649  339651  339655  339661  339663  339669  339673  339675  339679  339681  339685  339687  339689  339690  339691  339693  339694  339695  339697  339699  339703  339705  339709  339711  339715  339721  339723  339729  339733  339735  339739  339745  339751  339753  339759  339763  339765  339771  339775  339781  339789  447090 

14、某一电学黑箱内可能有电容器、电感线圈、定值电阻等元件,在接线柱间以如图所示的“Z”字形连接(两接线柱间只有一个元件)。为了确定各元件种类,小华同学把DIS计算机辅助实验系统中的电流传感器(相当于电流表)与一直流电源、滑动变阻器、开关串联后,分别将ABBCCD接入电路,闭合开关,计算机显示的电流随时间变化的图象分别如图abc所示,则如下判断中正确的是 ABD

 

A.AB间是电容器

B.BC间是电感线圈

C.CD间是电容器

D.CD间是定值电阻

试题详情

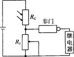
13、某同学设计了一路灯控制电路如图所示,光照射光敏电阻RG时,其阻值变小.设白天时继电器两端电压为U1,夜晚为U2,以下说法正确的有 BD

A.U1U2          

B.U1U2

C.要使路灯比平时早一些亮起来,应增大R1

D.要使路灯比平时早一些亮起来,应减小R1

试题详情

12、如图所示,电流表A1(0-3A)和A2(0-0.6A)是由两个相同的电流计改装而成,现将这两个电流表并联后接人电路中.闭合开关S,调节滑动变阻器,下列说法中正确的是BC

A.A1、A2的读数之比为1:1

B.Al、A2的读数之比为5:1

C、A1、A2的指针偏转角度之比为1:1

D.Al、A2的指针偏转角度之比为1.5

试题详情

11、我国的“神舟”七号载人飞船将于今年下半年择时发射,她上面的电子仪器及各种动作的控制都是靠太阳能电池供电的.由于光照而产生电动势的现象称为光伏效应.“神舟”飞船上的太阳能电池就是依靠光伏效应设计的单晶硅太阳能电池.在正常照射下,太阳能电池的光电转换效率可达23﹪.单片单晶硅太阳能电池可产生0.6V的电动势,可获得0.1A的电流 ,求每秒照射到这种太阳能电池上太阳光的能量是  (   )  C

A.0.24J  B.0.25J  C.0.26J      D.0.28J

试题详情

10、如右图所示,曲线C1、C2分别是纯电阻直流电路中,内、外电路消耗的电功率随电流变化的图线.由该图可知下列说法中错误的是(    )C

   A.电源的电动势为4V

B.电源的内电阻为1Ω

   C.电源输出功率最大值为8W

   D.电源被短路时,电源消耗的最大功率可达16W

试题详情

9、如图所示电路中,L1、L2、L3是三盏相同的电灯,当电源为220V的交流电源时,L1、L2、L3的发光情况相同.如将电源改为220V的直流电源,则稳定后观察到的现象是

A.L1、L2、L3三盏电灯的亮度保持不变

B.L1不亮,L2、L3两盏电灯的亮度保持不变

C.L2变得最亮

D.L3变得最亮

试题详情

8、温度能明显地影响金属导体和半导体材料的导电性能,在右图所示的图像中分别为某金属和某半导体的电阻随温度变化的关系曲线,则CD

A.图线1反映半导体材料的电阻随温度的变化

B.图线2反映金属导体的电阻随温度的变化

C.图线1反映金属导体的电阻随温度的变化

D.图线2反映半导体材料的电阻随温度的变化

试题详情

7、如图所示的电路,闭合开关S,滑动变阻器滑片P向左移动,下列结论正确的是A

A.电流表读数变小,电压表读数变大

B.小电泡L变亮

C.电容器C上电荷量减小

D.电源的总功率变大

试题详情

6、一中学生为即将发射的“神州七号”载人飞船设计了一个可测定竖直方向加速度的装置,其原理可简化如图,拴在竖直弹簧上的重物与滑动变阻器的滑动头连接,该装置在地面上静止时其电压表的指针指在表盘中央的零刻度处,在零刻度的两侧分别标上对应的正、负加速度值,当加速度方向竖直向上时电压表的示数为正.这个装置在“神州七号”载人飞船发射、运行和回收过程中,下列说法中正确的是ABD

A.飞船在竖直减速上升的过程中,处于失重状态,电压表的示数为负

B.飞船在竖直减速返回地面的过程中,处于超重状态,电压表的示数为正

C.飞船在圆轨道上运行时,电压表的示数为零

D.飞船在圆轨道上运行时,电压表的示数为负

试题详情

5、某兴趣小组对一火灾报警装置的部分电路进行探究,其电路如图所示,其中R2是半导体热敏电阻,它的电阻随温度变化关系如图乙所示.当R2所在处出现火情时,通过电流表的电流Iab两端电压U与出现火情前相比D

A.I变大,U变大   B.I变小,U变小

C.I变小,U变大   D.I变大,U变小

试题详情


同步练习册答案