0  349663  349671  349677  349681  349687  349689  349693  349699  349701  349707  349713  349717  349719  349723  349729  349731  349737  349741  349743  349747  349749  349753  349755  349757  349758  349759  349761  349762  349763  349765  349767  349771  349773  349777  349779  349783  349789  349791  349797  349801  349803  349807  349813  349819  349821  349827  349831  349833  349839  349843  349849  349857  447090 

4.下列句子中,加点成语使用不恰当的一句是                     ( )

A.没有人仅因富甲一方而被长久纪念,相反,人们念念不忘的,大都是超脱于物质利益的追逐的人。

B.在军阀混战的北平沦陷期间,碧云寺孙中山衣冠冢得以保全,这多亏中山先生生前卫士谭惠等人恪尽职守,矢志护灵。

C.自行车队被两只高大威猛的藏獒追赶得几入绝境,最后靠下坡高速骑行才得以摆脱,队员们至今仍心有余悸

D.暮春时节是潭柘寺“二乔玉兰”的盛花期,4月上旬,这两株玉兰的树冠上就布满了含英咀华的花蕾。

试题详情

3.下列各句中,加点成语使用恰当的一句是                       ( )

A.电话给人们带来了莫大的方便,但打电话有时并不是最好的联系方法,有些事情非得耳提面命,一边说一边比划才能真正讲清楚。

B.为了让人们体验与世界冠军比赛的感受,这家科技馆独出心裁地设置了与冠军赛跑的模拟互动平台,引起了观众的浓厚兴趣。

C.看完电影《虎口脱险》后,大家给小王对号入座,说他就像影片中的那个有才能的音乐指挥,常常因粗心做出一些有惊无险的事。

D.在丛飞病重期间,受过他资助的人,没有一个来探望他,但他虚怀若谷,毫不介意,还劝大家不要责怪这些人,这种胸怀令人钦佩。

试题详情

2.下列各句中,加点的成语使用恰当的一句是                     ( )

A.为纪念中国话剧百年诞辰,话剧界一些前辈粉墨登场,重新排演了《雷雨》等经典剧目。

B.风格鲜明、体系完整、精细雅致的徽州文化,在洋洋洒洒的中华地方文化中独树一帜。

C.在野外发现化石固然重要,而要把它完美无缺地取出并加以研究,就显得更为重要了。

D.集电话、电脑、相机、信用卡等功能于一体,手机在生活中的作用被发挥得酣畅淋漓

试题详情

1.下列各句中,加点的词语运用正确的一句是                     ( )

A.我国不少理工科院校把大学语文排斥在必修课之外,而近年来,外国留学生报考HSK(中国汉语水平考试)的人数大幅度上升,真可谓“外来的和尚好念经”。

B.求学期间,他春风得意,事事顺心。没料到踏入社会后,几桩生意下来,就被骗得血本无归,于是他总是感叹遇人不淑,命途多舛。

C.同学们,考入大学仅仅是一个新的起点,让我们志存高远,学海无涯苦作舟,在老师们的推波助澜下,直挂云帆济沧海!

D.等我赶到赛场,乒乓球赛已经结束,遇见小李,我忙打听战绩,他说:“我们几个本来就是‘马尾巴串豆腐’,碰到强手,当然是‘孔夫子搬家’了!”

试题详情

24.如图所示是淋浴用的即热式电热水器.由于即热式电热水器水流过即热,无需像储水式电热水器那样先将水加热至一定温度时方可使用,减少散热造成的能量损失.所以它具有体积小、节能的优点.  

 (1)某品牌淋浴用的即热式电热水器的加热器分别由四条阻值为R1、R2、R3、R4 (R1<R2<R3=R4)的电热丝通过多个档位控制,得到多种不同的连接方式,但每种连接方式最多只有2条电热丝参与连接.现选取其中的四种连接如图所示,在这四种连接中,加热功率最大的是        (只填序号);若要得到比图中四种连接方式更小的加热功率,你认为可以采取怎样的连接方式:                   

(2)在家庭电路中,所选导线的横截面积应与家用电器的总功率相适应,以确保用电安全.右表是几种常见铜导线的安全载流量 (即长时间通电的最大安全电流).小明家现要安装一台最大额定功率为8.5kW的即热式电热水器,该用电器正常工作时最大电流是     A(结果保留一位小数),至少应选横截面积为     mm2的专用导线与之配套.

试题详情

BC―65B电冰箱
额定电压
220V
额定功率
70W
工作频率
50Hz
耗电量
0.5kW.h/24h

23.小伟家的电能表和电冰箱铭牌如下图所示:

根据图中信息回答下列问题:

(1).该电能表铭牌中的3000转/kW・h的含义是                 。.

(2).该电冰箱每天消耗的电能是   J;若小伟家中只有电冰箱在工作,每天电能表的转盘转     转,一个月后(30天).该电能表的读数变为       KW.h。.

试题详情

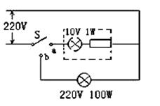
22.黑夜看不见开关位置,为此小明设计了如图所示的电路。.当单刀双掷开关S合向b时,照明灯亮、指示灯灭,避免指示灯费电;S合向a时,照明灯灭、指示灯亮,显示开关位置(S只能处于这两种状态).。.他在图示方框中完成指示灯和电阻丝的连接电路,指示灯规格 为“10V,1W”,照明灯规格为“220V,100W”

(1).照明灯正常工作时的电阻是多少?

(2).若照明灯正常工作6h,这段时间内照明灯需消耗多少度电能?

(3).为使指示灯正常发光,需串接上多大阻值的电阻丝R?

R
 
 

试题详情

21.如图是运动会的奖牌,冠军奖牌是银质镀金,亚军奖牌是银质,第三名奖牌为铜质,三种奖牌的体积、形状完全相同,几种物质的密度如下表所示。.若银牌中银的质量约为105g,则铜牌中铜的质量大约多少g?

几种物质的密度ρ/ kg·m-3



19.3×103
10.5×103
8.9×103

试题详情

20.额定电压为6V的小灯泡,其正常工作时的电流约为0.3A。.小明想测定这个小灯泡的额定功率:

(1).小明设计了如图甲所示电路图,并将实验器材连接成图乙所示的实验电路。.同小组的小亮在检查时认为,实验电路中有一根导线连接错了,建议小明改接。.

①请你在接错的那根导线上打“×”; ②另画一根导线,使电路连接正确。.

(2).小明同学按照自己的想法改接了一根导线,闭合开关后发现灯泡发光较暗,电流表和电压表均有示数.任意移动滑片,电压表示数始终不变,具体原因是         。.(3).小明改正错误后,当变阻器的滑片移到某位置时,电压表的示数为6V,电流表的示数如图丙所示,则小灯泡的额定电流为    A,额定功率为    W。.

试题详情


同步练习册答案