0  349839  349847  349853  349857  349863  349865  349869  349875  349877  349883  349889  349893  349895  349899  349905  349907  349913  349917  349919  349923  349925  349929  349931  349933  349934  349935  349937  349938  349939  349941  349943  349947  349949  349953  349955  349959  349965  349967  349973  349977  349979  349983  349989  349995  349997  350003  350007  350009  350015  350019  350025  350033  447090 

4.某小型水电站发电机的输出功率为100KW,输出电压为250V,现准备向远处输电,输电线的总电阻为8Ω,要求输电时输电线上损耗的功率不超过输送电功率的5%,用户获得220V电压,求应选用匝数比多大的升压变压器和降压变压器。

(该题考查远距离输电过程中各环节间的关系,画出远距离输电示意图解题很关键)

新活题网站

一选择题

试题详情

3.若输电线路输送的功率为P,输送的电压为U,输电线电阻为R,用户得到的电压为U则(  )

A输电线损失的功率为(P/U)2R 

B输电线损失的功率为(U-U)2/R

C用户得到的功率为 U,2/R  

D用户得到的功率为PU/U

(该题考查远距离输电功率问题,注意区分各个物理量的含义)

试题详情

2.如图46-A-1理想变压器的原线圈两端接高电压,降压后,通过输电线(有一定电阻)接用电器,A和V都是理想交流电表,当S断开后,A,V的示数及R1消耗的功率将分别(  )

 A 增大,增大,增大  B减小,增大,增大

C 增大,减小,增大,D 减小,增大,减小

(该题考查变压器的动态分析,注意P,U,I的决定关系和闭合回路欧姆定律的运用)

试题详情

远距离输电线路上损耗功率P=I2R线=(P/U)2R线,在输送功率一定的前提下,要减少线路损耗,可采用升高U和减小R线的办法。

典型题点击

1.把理想变压器接到交流电源上原线圈和副线圈上相同的物理量是(  )

A 电流  B 线圈两端的电压

C 电流变化的频率   D 电功率

(该题考查理想变压器的特点)

试题详情

3.理想变压器的特点:

(1)功率关系P=P

(2)电压关系U1/U2=n1/n2

(3)电流关系I1/I2=n2/n1(一原一副)或写成I1n1=I2n2+I3n3+……

(4)频率关系f1=f2

试题详情

2.工作原理:利用互感原理,所以变压器不能改变恒定电流的电压

试题详情

改变交流电压的设备

1.主要构件;闭和铁芯、原副线圈

试题详情

14.有条河流,流量为Q=2m3/s,落差h=5m,现利用其发电,若发电机总效率为50%,输出电压为240V,输电线总电阻R=30Ω,允许损失功率为总功率的6%,为满足用电的需求,则该输电线路所使用的理想的升压、降压变压器的匝数比各是多少?能使多少盏“220V,100W”的电灯正常发光?

试题详情

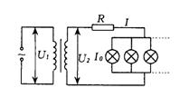
13.如图46-22所示,一台降压变压器原、副线圈匝数比为4:1,供一照明电路用电,原线圈所加交流电压u1=1410sin100πtV,照明电路连接导线的总电阻R=1.0Ω,问能使多少盏“220V,40W”的电灯正常发光?

   图46-22

试题详情

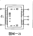
12.一个有两个不同负线圈的理想变压器,如图将两盏标有“6V 0.9W”的灯泡和一盏标有“3V 0.9W”的灯泡全部接入变压器的副级,且能正常发光,已知U1=220V,匝数如图46-21: (1)在次级画如何连接的示意图;(2)计算灯泡正常发光时变压器的原线圈中的电流`

 

试题详情


同步练习册答案