0  349840  349848  349854  349858  349864  349866  349870  349876  349878  349884  349890  349894  349896  349900  349906  349908  349914  349918  349920  349924  349926  349930  349932  349934  349935  349936  349938  349939  349940  349942  349944  349948  349950  349954  349956  349960  349966  349968  349974  349978  349980  349984  349990  349996  349998  350004  350008  350010  350016  350020  350026  350034  447090 

10.如图46-A-9所示,理想变压器的输出端接有一电动机,电动机的电阻R,电动机带动一质量为m的重物以ν匀速上升,若变压器的输入功率为P0,则图中电流表的读数应等于多少?

(该题考查变压器的输入、输出功率与电功率、机械功率的联系)

试题详情

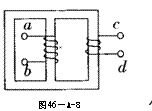
9.如图46-A-8为某变压器铁芯的示意图,原线圈匝数n1=22匝,副线圈匝数n2=6匝,原线圈ab两端输入交流电压U=220siωtV,则副线圈cd端输出电压的有效值为   

(该题变压器不是理想变压器,不能直接用电压关系式求解)

试题详情

8.如图46-A-7所示,理想变压器的原、副线圈匝数比n1:n2=4:1,原线圈回路中的电阻A与副线圈中的负载电阻B的阻值相等,a、b端加一交流电压后,两电阻消耗的功率比PA:PB=  ,两电阻两端电压UA:UB=   

(该题考查理想变压器的规律,要将变压器两端电压与电阻两端电压区分)

试题详情

7.某交流电路中,有一正在工作的变压器其原、副线圈匝数分别为n1=600匝,n2=120匝,电源电压U1=220V,原线圈中串有一个0.2A的保险丝,为保证保险丝不被烧坏,则(   )

A 负载功率不能超过44w

B 副线圈电流最大值不能超过1A

C副线圈电流有效值不能超过1A

D副线圈电流有效值不能超过0.2A             

(保险丝的额定电流指有效值)

试题详情

6.某输电线的电阻共计1Ω,输送的功率为100Kw,如果用10KV的高压输电(  )

A 输电线上产生的热功率为10w

B 输电线上的电流为104A

C 输电线中的电压损失为10V

D 输电线中的电流损失为10A

(该题考查远距离输电线路上的电流,电压损失和功率损耗)

试题详情

5.如图46-A-6所示,接在理想变压器中的四个灯泡完全相同,而且全部正常发光,则三个线圈的匝数比n1:n2:n3为  (   )

A 1:2:3  

B 1:2:1 

C 3:2:1  

D 2:1:3

(该题考查多个副线圈电流、电压与匝数比的关系)

试题详情

4.如图46-A-5所示,用理想变压器给负载供电,变压器输入电压不变,变压器降压后用总电阻为R的输电线对用电器供电,设两盏灯泡的电阻相同,且都在发光,若将滑动变阻器的触头P向N端滑动,会出现的现象是 (   )

A A的示数变大,灯泡L1、L2均变暗

B A的示数变小,灯泡L1、L2均变暗

C A的示数变大,灯泡L1变亮、L2变暗

D A的示数不变,灯泡L1变暗、L2变亮

(该题考查理想变压器的动态变化)

试题详情

3.如图46-A-4所示是一理想变压器的电路图,若初级回路A、B两端接交流电压U时,四个相同的灯泡均正常发光,则原副线圈匝数比为(该题采用电流求匝数比较为方便) (   )

 A、4:1 B、2:1 C、1:3 D、3:1

试题详情

2.    如图46-A-3所示两电路中,当a、b两端与e、f两端分别加上220V的交流电压时测得c、d与g、h间的电压均为110V,若分别在c、d与g、h两端加上110V的交流电压,则在a、b与e、f间的电压分别为 (  )

A 220V,220V  B  220V,110V 

C 110V,110V  D 220V,0

(该题考查变压器与滑动变阻器在改变电压上的区别)

试题详情

1.    理想变压器向负载R供电时,在如下情况中将使变压器输入电功率增加(  )

A.    减小负载电阻R,其他条件不变

B.增加原线圈匝数,其它条件不变  

C.增加副线圈匝数,其它条件不变

D. 增加原线圈两端的输入电压,其它条件不变

(该题考查P=P=, U1/U2=n1/n2)

试题详情


同步练习册答案