0  430828  430836  430842  430846  430852  430854  430858  430864  430866  430872  430878  430882  430884  430888  430894  430896  430902  430906  430908  430912  430914  430918  430920  430922  430923  430924  430926  430927  430928  430930  430932  430936  430938  430942  430944  430948  430954  430956  430962  430966  430968  430972  430978  430984  430986  430992  430996  430998  431004  431008  431014  431022  447090 

21.(09·天一中学模拟)高温超导限流器由超导部件R1和限流电阻R2并联组成,如图。超导部件有一个超导临界电流Ic,当通过限流器的电流I Ic时,将造成超导体失超,从超导态(电阻为零)转变为正常态(一个纯电阻)。以此来限制电力系统的故障电流,已知超导部件的正常态电阻为R1 = 3Ω,超导临界电流Ic = 1.2A,限流电阻R2 = 6Ω,小灯泡L上标有“6V,6W”的字样,电源电动势E=8V,内阻r =2Ω,原来电路正常工作,现L突然发生短路,则                                     (  BC  )

A.短路前通过R1的电流为A 

B.短路后超导部件将由超导状态转化为正常态

C.短路后通过R1的电流为A

D.短路后通过R1的电流为2A

D.电压表V1的偏转角等于电压表V2的偏转角;

试题详情

20.(09·睢宁中学模拟) 小灯泡通电后其电流I随所加电压U变化的图线如图所示,P为图线上一点,PN为图线的切线,PQU轴的垂线,PMI轴的垂线。则下列说法中正确的是               (  ACD  )

A.随着所加电压的增大,小灯泡的电阻增大

B.对应P点,小灯泡的电阻为R

C.对应P点,小灯泡的电阻为R

D.对应P点,小灯泡的功率为图中矩形PQOM所围的面积

试题详情

19. (09·海淀模拟)如图所示,电源的电动势为E,内阻r不能忽略。AB是两个相同的小灯泡,L是一个自感系数相当大的线圈。关于这个电路的以下说法正确的是                    (  A  )

A
 
A.开关闭合到电路中电流稳定的时间内,A灯立刻亮,而后逐渐变暗,最后亮度稳定

B.开关闭合到电路中电流稳定的时间内,B灯立刻亮,而后逐渐变暗,最后亮度稳定

C.开关由闭合到断开瞬间,A灯闪亮一下再熄灭

D.开关由闭合到断开瞬间,电流自左向右通过A

试题详情

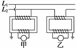
18.(09·南京模拟)如图所示,L1、L2是高压输电线,图中两电表示数分别是220V和10A,已知甲图中原

副线圈匝数比为 100:1,乙图中原副线圈匝数比为1:10,则              (  AD  )

A.甲图中的电表是电压表,输电电压为22000 V

B.甲图是电流互感器.输电电流是100 A

 C.乙图中的电表是电压表,输电电压为22000 V

 D.乙图是电流互感器,输电电流是100 A

试题详情

17.(湖南长沙二中2009届高三第一次质量检测试卷).运动电荷在磁场中受到洛伦

兹力的作用,运动方向会发生偏转,这一点对地球上的生命来说有十分重要的意

义。从太阳和其他星体发射出的高能粒子流,称为宇宙射线,在射向地球时,由于

地磁场的存在改变了带电粒子的运动方向,对地球起到了保护作用。如图所示为

磁场对宇宙射线作用的示意图,现在来自宇宙的一束质子流以与地球表面垂直

的方向射向赤道上空的某一点,则这些质子在进入地球周围的空间时将  ( B )

A.竖直向下沿直线射向地面              B.相对于预定地点向东偏转

C.相对于预定地点,稍向西偏转          D.相对于预定地点,稍向北偏转

试题详情

16.(郴州市2009届高三调研试题).如图所示,带电金属小球用绝缘丝线系住,丝线上端固定,形成一个单摆.如果在摆球经过的区域加上如图所示的磁场,不计摩擦及空气阻力,下列说法中

正确的是                          (  AD  )

 A.单摆周期不变      B.单摆周期变大

C.单摆的振幅逐渐减小   D.摆球在最大位移处所受丝线的拉力大小不变

试题详情

15.(09·崇文模拟)边长为L的正方形金属框在水平恒力F作用下运动,穿过方向如图的有界匀强磁场区域.磁场区域的宽度为d(d>L)。已知ab边进入磁场时,线框的加速度恰好为零.则线框进入磁场的过程和从磁场另一侧穿出的过程相比较,有                            ( AD ) 

A.产生的感应电流方向相反

B.所受的安培力方向相反

C.进入磁场过程的时间等于穿出磁场过程的时间

D.进入磁场过程的发热量少于穿出磁场过程的发热量

试题详情

14.(09·丰台模拟)如图,闭合线圈上方有一竖直放置的条形磁铁,磁铁的N极朝下。当磁铁向下运动 时(但未插入线圈内部)                    (  B  )

A.线圈中感应电流的方向与图中箭头方向相同,磁铁与线圈相互吸引

B.线圈中感应电流的方向与图中箭头方向相同,磁铁与线圈相互排斥                 

C.线圈中感应电流的方向与图中箭头方向相反,磁铁与线圈相互吸引

D.线圈中感应电流的方向与图中箭头方向相反,磁铁与线圈相互排斥

试题详情

13.(郴州市2009届高三调研试题).如图所示,P、Q是两个等量异种点电荷,MN是它们连线的中垂线,在垂直纸面的方向上有磁场.如果某正电荷以初速度V0沿中垂线MN运动,不计重力,则                       (  B  )

A:若正电荷做匀速直线运动,则所受洛伦兹力的大小不变

B.若正电荷做匀速直线运动,则所受洛伦兹力的大小改变

C.若正电荷做变速直线运动,则所受洛伦兹力的大小不变

D.若正电荷做变速直线运动,则所受洛伦兹力的大小改变

试题详情

12.(09·海淀模拟)如图所示,一质量为m的金属杆ab,以一定的初速度v0从一光滑平行金属轨道的底端向上滑行,轨道平面与水平面成θ角,两导轨上端用一电阻相连,磁场方向垂直轨道平面向上,轨道与金属杆ab的电阻不计并接触良好。金属杆向上滑行到某一高度h后又返回到底端,在此过程中    (C  )

A.整个过程中合外力的冲量大小为2mv0

B.下滑过程中合外力所做的功等于电阻R上产生的焦耳热

C.下滑过程中电阻R上产生的焦耳热小于

D.整个过程中重力的冲量大小为零

试题详情


同步练习册答案