题目列表(包括答案和解析)

 0  166560  166568  166574  166578  166584  166586  166590  166596  166598  166604  166610  166614  166616  166620  166626  166628  166634  166638  166640  166644  166646  166650  166652  166654  166655  166656  166658  166659  166660  166662  166664  166668  166670  166674  166676  166680  166686  166688  166694  166698  166700  166704  166710  166716  166718  166724  166728  166730  166736  166740  166746  166754  447348 

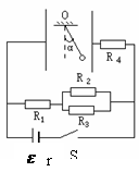
23、如图所示,一电荷量q=3×10-5C带正电的小球,用绝缘细线悬于竖直放置足够大的平行金属板中的O点。电键S合上后,当小球静止时,细线与竖直方向的夹角α=37°。已知两板相距d=0.1m,电源电动势=15V,内阻r=0.5Ω,电阻R1=3Ω,

R2=R3= R4 =8Ω。g取10m/s2,已知

求:(1)电源的输出功率;

(2)两板间的电场强度的大小;

(3)带电小球的质量。

试题详情

22、均匀导线制成的单位正方形闭合线框abcd,每边长为L,总电阻为R,总质量为m。将其置于磁感强度为B的水平匀强磁场上方h处,如图所示。线框由静止自由下落,线框平面保持在竖直平面内,且cd边始终与水平的磁场边界平行。当cd边刚进入磁场时,求:(1)求线框中产生的感应电动势大小;

(2)求cd两点间的电势差大小;(3)若此时线框加速度恰好为零,求线框下落的高度h所应满足的条件。

试题详情

21、如图所示,一矩形线圈在匀强磁场中绕OO' 轴匀速转动,磁场方向与转轴垂直.已知线圈匝数n=400,电阻r=0.1Ω,长L1=0.05m,宽L2=0.04m,角速度=l00 rad/s,磁场的磁感应强度B=0.25T.线圈两端外接电阻R=9.9Ω的用电器和一个交流电流表(内阻不计),求:(1)线圈中产生的最大感应电动势. 

(2)电流表A的读数.(3)用电器上消耗的电功率.

试题详情

20.(10分)将一测力传感器连接到计算机上就可以测量快速变化的力。图甲中O点为单摆的固定悬点,现将小摆球(可视为质点拉至A点,此时细线处于张紧状态,释放摆球,则摆球将在竖直平面内的A、B、C之间来回摆动,其中B点为运动中的最低位置,∠AOB=∠COB=α;α小于10°且是未知量.图乙表示由计算机得到的细线对摆球的拉力大小F随时间t变化的曲线,且图中t=0时刻为摆球从A点开始运动的时刻.试根据力学规律和题中(包括图中)所给的信息求:(g取10 m/s2)

(1)单摆的振动周期和摆长;

(2)摆球的质量; 

试卷Ⅱ(每题10分,共50分)

试题详情

19.(10分)一半径为R的1/4球体放置在水平面上,球体由折射率为的透明材料制成。现有一束位于过球心O的竖直平面内的光线,平行于桌面射到球体表面上,折射入球体后再从竖直表面射出,如图所示。已知入射光线与桌面的距离为。求出射角。

试题详情

18.(12分)如图所示,实线是某时刻的波形图线,虚线是0.2s后的波形图线.

   (1)若波向左传播,求它传播的最小距离;

(2)若波向右传播,求它的最大周期;

(3)若波速为35m/s,求波的传播方向.

试题详情

17、如图所示,一半圆形玻璃砖外面插上P1P2P3P4四枚大头针时,P3P4恰可挡住P1P2所成的像,则该玻璃砖的折射率n=________.有一同学把大头针插在P1′和P2′位置时,沿着P4P3的方向看不到大头针的像,其原因是______________________________。

试题详情

16.关于《用单摆测重力加速度的实验》,回答下列问题:

(1)在下面器材中你应选用什么器材为好?(      )

  A.长细线   B.长粗绳   C.长细线  D.厘米刻度尺  E.毫米刻度尺    F.泡沫塑料小球   G.大铝球     H.小铁球    I.大时钟     J.停表

(2)重力加速度的计算公式为____________________.

(3)测量振动时间,应从摆球经过__________位置开始计时(填“最高点”或“最低点”).

(4)某学生在实验过程中,数摆动次数时漏数了一次,也就是将摆动31次当作摆动了30次进行计算,那么测得值会_____(填“偏大”或“偏小”)。

试题详情

15.用如图所示的实验装置观察双缝干涉图样,双缝之间的距离是0.3mm,用的是红色滤色片,在毛玻璃屏上可以看到红色干涉条纹。

(1)毛玻璃屏上的干涉条纹与双缝垂直还是平行?____________

(2)如果把毛玻璃屏向远离双缝的方向移动,相邻两亮条纹中心的距离______.(填“增大”、“不变”或“减小”)

(3)把红色滤色片换成绿色,相邻两个亮条纹间的距离__________.(填“增大”、“不变”或“减小”)

(4)如果把单缝向双缝移近一些,相邻两亮条纹中心的距离____________.(填“增大”、“不变”或“减小”)

(5)在某次实验中,双缝间距d=0.5mm,双缝与光屏间距离L=0.5m,用某种单色光照射双缝得到干涉图样如图,分划板在图中A、B位置时游标卡尺读数如图,则图中A位置的游标卡尺读数为   mm,B位置的游标卡尺读数为      mm,单色光的波长为     m.

试题详情

14.下列说法正确的是  (   )      

A.用三棱镜观察太阳光谱是利用光的干涉现象

B.在光导纤维束内传送图象是利用光的全反射现象

C.用标准平面检查光学平面的平整程度是利用光的偏振现象

D.电视机遥控器是利用发出紫外线脉冲信号来变换频道的

试题详情


同步练习册答案