题目列表(包括答案和解析)

 0  168903  168911  168917  168921  168927  168929  168933  168939  168941  168947  168953  168957  168959  168963  168969  168971  168977  168981  168983  168987  168989  168993  168995  168997  168998  168999  169001  169002  169003  169005  169007  169011  169013  169017  169019  169023  169029  169031  169037  169041  169043  169047  169053  169059  169061  169067  169071  169073  169079  169083  169089  169097  447348 

7.质量为M的汽车,以额定的功率P由静止开始在平直路面上行驶,若汽车所受阻力恒为f,则由上述条件可求出的物理量有

A.汽车行驶的最大速度

B.达到最大速度的过程中汽车通过的路程

C.汽车速度为v(已知)时加速度的大小

D.达到最大速度的过程中汽车克服阻力所做的功

试题详情

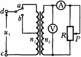
6.如图所示为一理想变压器,b是原线圈的中心接头,电压表V和电流表A均为理想交流电表,除滑动变阻器的电阻R以外,其余电阻均不计.在原线圈cd两端加上交变电压,下列说法中正确的是

A.单刀双掷开关始终与a连接,当滑动片P向下滑动时,电压表的示数增大

B.单刀双掷开关始终与a连接,当滑动片P向下滑动时,电流表的示数增大

C.保持P的位置不变,当单刀双掷开关由触点a拨到触点b后,电压表的示数减小

D.保持P的位置不变,当单刀双掷开关由触点a拨到触点b后,变压器的输入功率增大

试题详情

5.如图所示,AB两物体通过轻细绳跨过定滑轮相连接,已知物体A的质量大于物体B的质量,开始它们处于静止状态.在水平拉力F的作用下,物体A向右做变速运动,同时物体B匀速上升.设水平地面对物体A的支持力为N,对A的摩擦力为f,绳子对A的拉力为T.那么在物体B匀速上升的过程中,下列说法中正确的是

A.NfT都增大      B.NfT都减小

C.Nf增大,T不变     D.NT减小,f不变

试题详情

4.如图所示,带正电的点电荷固定于Q点,电子在库仑力作用下做椭圆运动,Q位于椭圆的一个焦点上.MPN为椭圆上的三点,其中P点是轨道上离Q最近的点.电子在从MP运动到N点的过程中

A.速率先增大后减小     B.速率先减小后增大

C.电势能保持不变     D.电势能先增大后减小

试题详情

3.美国的NBA篮球赛非常精彩,吸引了众多观众.经常有这样的场面:在临终场前,运动员把球投出且准确命中,获得比赛的胜利.如果运动员投篮的过程中对篮球做的功为W,出手高度(相对地面)为,篮筐距地面高度为,球的质量为,空气阻力不计.下列说法中正确的是

A.篮球出手时的动能为

B.篮球进框时的动能为

C.篮球从出手到进框的过程中,其重力势能增加了

D.篮球从出手到进框的过程中,重力对它做的功为

试题详情

2.如图所示的电路可将声音信号转化为电信号.该电路中, a是能在声波驱动下沿水平方向振动的镀有金属层的振动膜,b是固定不动的金属板,ab构成了一个电容器,且通过导线与稳恒电源两极相接.当声源S发出的声波推动a在一定范围内振动的过程中,下列说法中正确的是

A.ab板之间的电场强度不变

B.ab板所带的电荷量不变

C.电路中始终有方向不变的电流

D.a板向右的位移最大时,电容器的电容最大

试题详情

1.下列叙述中,不符合历史事实的是

A.法拉第发现了电磁感应现象

B.牛顿总结出了万有引力定律并测量出了万有引力常量

C.库仑总结并确认了真空中两个静止点电荷之间的相互作用

D.伽利略在研究自由落体运动时将实验事实和逻辑推理和谐地结合起来

试题详情

17、(13分)如图所示,在坐标系Oxy的第一象限中存在沿y轴正方向的匀强电场,场强大小为E。在其他象限中存在匀强磁场,磁场方向垂直纸面向里。Ay轴上的一点,它到坐标原点O的距离为hCx轴上的一点,到O的距离为l。一质量为m、电荷量为q的带负电的粒子以某一初速度沿x轴方向从A点进入电场区域,继而通过C点进入磁场区域,并再次通过A点,此时速度与y轴正方向成锐角。不计重力作用。试求:

(1)粒子经过C点是速度的大小和方向;

(2)磁感应强度的大小B

(1)以a表示粒子在电场作用下的加速度,有qE=ma    1

加速度沿y轴负方向。设粒子从A点进入电场时的初速度为v0,由A点运动到C点经历的时间为t,则有

      2           3

由23式得          4

设粒子从C点进入磁场时的速度为vv垂直于x轴的分量       5

由145式得         6

设粒子经过C点时的速度方向与x轴夹角为,则有    7

由457式得         8

(2)粒子从C点进入磁场后在磁场中做速率为v的圆周运动。若圆周的半径为R,则有           9

设圆心为P,则PC必与过C点的速度垂直,且有。用表示y轴的夹角,由几何关系得      10

             11

由81011式解得                  12

由6912式得 

试题详情

16、(12分)如图所示,电源电动势E=6V,电源内阻不计.定值电阻R1=2.4kΩ、R2=4.8kΩ.

⑴ 若在ab之间接一个C=100μF的电容器,闭合开关S,电路稳定后,求电容器上所带的电量;

⑵ 若在ab之间接一个内阻RV = 4.8kΩ的电压表,求电压表的示数.

 

答案:.⑴设电容器上的电压为Uc.

        

电容器的带电量   解得: Q=4×10-4C         

⑵设电压表与R2并联后电阻为R

    则电压表上的电压为:

     解得:=3V   

试题详情

15、(12分)如图所示,位于竖直平面内的光滑轨道,有一段斜的直轨道和与之相切的圆形轨道连接而成,圆形轨道的半径为R。一质量为m的小物块从斜轨道上某处由静止开始下滑,然后沿圆形轨道运动。要求物块能通过圆形轨道最高点,且在该最高点与轨道间的压力不能超过5mg(g为重力加速度)。求物块初始位置相对圆形轨道底部的高度h的取值范围。

设物块在圆形轨道最高点的速度为v,由机械能守恒得  1

物块在最高点受的力为重力mg、轨道压力N。重力与压力的合力提供向心力,有

          2

物块能通过最高点的条件是   0                3

由23两式得                     4

由14式得                       5

按题的要求,,由2式得            6

由16式得                        7

h的取值范围是                    8

试题详情


同步练习册答案