题目列表(包括答案和解析)

 0  168945  168953  168959  168963  168969  168971  168975  168981  168983  168989  168995  168999  169001  169005  169011  169013  169019  169023  169025  169029  169031  169035  169037  169039  169040  169041  169043  169044  169045  169047  169049  169053  169055  169059  169061  169065  169071  169073  169079  169083  169085  169089  169095  169101  169103  169109  169113  169115  169121  169125  169131  169139  447348 

10.(12分)(1)某同学使用游标为10个小等分刻度的游标卡尺测量一物体的尺寸,得到图中的游标卡尺的读数,由于遮挡,只能看到游标的后半部分,图中游标卡尺的读数为

    cm;

(2)在“测定金属的电阻率”的实验中,用螺旋测微器测量金属丝直径时的刻度位置如图所示,用米尺测量金属丝的长度。金属丝的电阻大约为4Ω。先用伏安法测出金属丝的电阻,然后根据电阻定律计算出该金属材料的电阻率。

(a)从图中读出金属丝的直径为_______mm。

(b)在用伏安法测定金属丝的电阻时,除被测电阻丝外,还有如下供选择的实验器材:

A.直流电源:电动势约4.5V,内阻很小;

B.电流表A1:量程0-0.6A,内阻0.125Ω;

C.电流表A2:量程0-3.0A,内阻0.025Ω;

D.电压表V:量程0-3V,内阻3kΩ;

E.滑动变阻器R1:最大阻值10Ω;

F.滑动变阻器R2:最大阻值50Ω;

G.开关、导线等。

在可供选择的器材中,应该选用的电流表是______,应该选用的滑动变阻器是_____

(c)根据所选的器材,在右边的方框中画出实验电路图。

(d)若根据伏安法测出电阻丝的电阻为Rx=4.1Ω,则这种金属材料的电阻率为  Ω·m。

(保留二位有效数字)

试题详情

9、地面附近空间中存在着水平方向的匀强电场和匀强磁场,已知磁场方向垂直于纸面向里。一个带电油滴沿着一条与竖直方向成α角的直线MN运动。由此可以判断:(   ) 

(A)如果油滴带正电,它是从M点运动到N点

(B)如果油滴带正电,它是从N点运动到M点

(C)如果水平电场方向向左,油滴是从M点运动到N点

(D)如果水平电场方向向右,油滴是从M点运动到N点 

第二卷(非选择题  共115分)

试题详情

8.如图所示,在水平面内固定一个“U”形金属框架,框架上置一金属杆ab,不计它们间的摩擦,在竖直方向有匀强磁场,则 

  A.若磁场方向竖直向上并增大时,杆ab将向右移动

  B.若磁场方向竖直向上并减小时,杆ab将向右移动

  C.若磁场方向竖直向下并增大时,杆ab将向右移动

  D.若磁场方向竖直向下并减小时,杆ab将向右移动

试题详情

7.如图所示的电路中,A为理想电流表,V1和V2为理想电压表,R1为定值电阻,R2为可变电阻,电池E内阻不可忽略,则下列说法中正确的是

  A.R2不变时,V2的读数与A读数之比等于R1

  B.R2不变时,V1的读数与A读数之比等于R1

  C.R2改变时,V1读数的变化量的绝对值大于V2读数的变化量的绝对值

  D.R2改变时,V1读数的变化量的绝对值小于V2读数的变化量的绝对值

试题详情

6、如图所示,一列简谐横波在某一时刻的波的图象,A、B、C是介质中的三个质点。已知波是向x正方向传播的,波速为v=20m/s,下列说法中正确的是(  )

A. 这列波的波长是10m

B. 质点A的振幅为零

C. 质点B此刻向y轴正方向运动

D. 质点C再经过0.15s通过平衡位置 

试题详情

5、如图所示,一面积为S的单匝矩形线圈处于一个交变的磁场中,磁感应强度的变化规律为。下列说法正确的是

A、线框中会产生方向不断变化的交变电流

B、在时刻,线框中感应电流将达到最大值

C、对应磁感应强度B=B0的时刻,线框中感应电流也一定为零

D、若只增大磁场交变频率,则线框中感应电流的频率也将同倍数增加,但有效值不变

试题详情

4、一个等腰直角三棱镜的截面如图所示,一细束绿光从AC面的P点沿平行底面AB方向射入棱镜后,经AB面反射,再从BC面的Q点射出,且有PQ∥AB(图中未画光在棱镜内的光路)。如果将一细束蓝光沿同样的路径从P点射入三棱镜,则从BC面射出的光线是(  ) 

A. 仍从Q点射出,出射光线平行于AB 

B. 仍从Q点射出,出射光线不平行于AB  

C. 可能从Q’点射出,出射光线平行于AB 

D. 可能从Q”点射出,出射光线不平行于AB

试题详情

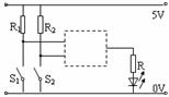
3、右图是一个电工应用某种逻辑电路制作的简单车门报警电路图.图中的两个按钮开关分别装在汽车的两道门上.只要其中任何一个开关处于开路状态,发光二极管就发光.请你根据报警装置的要求,在电路图的虚线框内应是何种电路(   )

A.与门

B.或门

C.非门

D.与非门

试题详情

2、物块A放在斜面体的斜面上,和斜面体一起向右做加速运动,如图所示。若物块与斜面体保持相对静止,物块A受到斜面对它的支持力和摩擦力的合力的方向可能是(  )

A. 向右斜上方    

B. 水平向右     

C. 向右斜下方    

 D. 上述三种方向都不可能

试题详情

1、原子核Y放出α粒子后变成新的原子核X。设Y、X和α粒子的质量分别为my、mx和m;带电荷量分别为qy、qx和q。那么下列关系式中不正确的是(  )

A.  B=A-4      B.  k=z-2   C.  my=mx+m     D.  qy=qx+q  

试题详情


同步练习册答案