题目列表(包括答案和解析)

 0  169835  169843  169849  169853  169859  169861  169865  169871  169873  169879  169885  169889  169891  169895  169901  169903  169909  169913  169915  169919  169921  169925  169927  169929  169930  169931  169933  169934  169935  169937  169939  169943  169945  169949  169951  169955  169961  169963  169969  169973  169975  169979  169985  169991  169993  169999  170003  170005  170011  170015  170021  170029  447348 

5、

(1)R1 R3              

(2)

(3)   

(4)S2

(5)2.04Ω

试题详情

4、:⑴A1;  V2   (各1分共2分)    

⑵电路原理图和对应的实物连接如图(各4分共8分)

 

试题详情

3、

(1)ACD                              

(2)水平位移(1分)  竖直位移(1分)  1.0m/s(2分)

试题详情

2.

(1)   

 (2)如图所示

试题详情

1.

答案:(1)(或:,或:,或:)

(2)1.00±0.02

试题详情

10. (Ⅰ)两位同学在实验室利用如图(a)所示的电路测定定值阻R0、电源的电动势E和内电阻r,调节滑动变阻器的滑动触头P向某一方向移动时,一个同学记录了电流表A和电压表V1的测量数据,另一同学记录的是电流表A和电压表V2的测量数据.并根据数据描绘了如图(b)所示的两条U-I直线.回答下列问题:

(1)根据两位同学描绘的直线,可知图线     (填“甲”或“乙”)是根据电压表V1和电流表A的数据所描绘的。

(2)图象中两直线的交点表示 (   )

A.滑动变阻器的滑动头P滑到了最右端    B.在本电路中该电源的输出功率最大

C.定值电阻R0上消耗的功率为0.5w     D.在本电路中该电源的效率达到最大值

(3)根据图(b),可以求出定值电阻R0=   Ω,电源电动势E=   V,内电阻r=    Ω.

(Ⅱ).某同学用如图所示的实验装置探究小车动能变化与合外力对它所做功的关系。图中A为小车,连接在小车后面的纸带穿过打点计时器B的限位孔,它们均置于水平放置的一端带有定滑轮的足够长的木板上,C为弹簧测力计,不计绳与滑轮的摩擦。实验时,先接通电源再松开小车,打点计时器在纸带上打下一系列点。

(1)该同学在一条比较理想的纸带上,从点迹清楚的某点开始记为O点,顺次选取5个点,分别测量这5个点到O之间的距离,并计算出它们与O点之间的速度平方差△v2(△v2= v2- v02),填入下表:

以△V2为纵坐标,以s为横坐标在方格纸中作出 

△v2-s图象.若测出小车质量为0.2kg,结合图象可

求得小车所受台外力的大小为    N

(2)若该同学通过计算发现小车所受合外力小于测力计读数,明显超出实验误差的正常范围.你认为主要原因是    ,实验操作中改进的措施是   

2009年高考三轮冲刺物理题型专练系列

实验题部分(七)答案

实验题

试题详情

9.(1)为了验证碰撞中的动量守恒,某同学选取了两个体积相同、质量不相等的小球,按下述步骤做了如下实验:

A.用天平测出两个小球的质量(分别为m1m2,且m1>m2)。

B.按照如图所示的那样,安装好实验装置。将斜槽AB固定在桌边,使槽的末端点的切线水平。将一斜面BC连接在斜槽末端。

C.先不放小球m2,让小球m1从斜槽顶端A处由静止开始滚下,记下小球在斜面上的落点位置。

D.将小球m2放在斜槽前端边缘处,让小球m1从斜槽顶端A处滚下,使它们发生碰撞,记下小球m1和小球m2在斜面上的落点位置。

E.用毫米刻度尺量出各个落点位置到斜槽末端点B的距离。图中DEF点是该同学记下的小球在斜面上的几个落点位置,到B点的距离分别为LDLELF

根据该同学的实验,回答下列问题:

①小球m1m2发生碰撞后,m1的落点是图中的_____点,m2的落点是图中的__  __点。

②用测得的物理量来表示,只要满足关系式________________________________,则说明碰撞中动量是守恒的

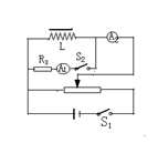
(2)用伏安法测电阻时,由于电压表、电流表内阻的影响,不论使用电流表内接法还是电流表外接法,都会产生系统误差。

为了消除系统误差,某研究性学习小组设计了如图所示的测量电路。

.

.

.

.

.

.

     .

     ①请完成下列操作过程

第一步:先将R2的滑动头调到最左端,单刀双掷开关S2合向a,然后闭合电键S1,调节滑动变阻器R1R2,使电压表和电流表的示数尽量大些(不超过量程),读出此时电压表和电流表的示数U1I1

第二步:保持两滑动变阻器的滑动触头位置不变,                                                 

②根据以上记录数据写出被测电阻的表达式=    

③根据实验原理图连接好实物图

试题详情

8、九江大桥撞船事故后,佛山交通部门加强了对佛山市内各种大桥的检测与维修,其中对西樵大桥实施了为期近一年的封闭施工,置换了大桥上所有的斜拉悬索。某校研究性学习小组的同学们很想知道每根长50m、横截的圆面积为400cm2的新悬索能承受的最大拉力。由于悬索很长,抗断拉力又很大,直接测量很困难,同学们则取来了同种材料制成的样品进行实验探究。

由胡克定律可知,在弹性限度内,弹簧的弹力F与形变量x成正比,其比例系数与弹簧的长度、横截面积及材料有关。因而同学们猜想,悬索可能也遵循类似的规律。

(1)同学们准备象《探究弹簧弹力与弹簧伸长量之间关系》的实验一样将样品竖直悬挂,再在其下端挂上不同重量的重物,来完成本实验。但有同学说悬索的重力是不可忽略的,为了避免悬索所受重力对实验的影响,你认为可行的措施应该是:                            

(2)同学们通过游标卡尺测样品的直径来测定其截面积,某次测量的结果如图所示,则该样品的直径为      

 

(3)经过同学们充分的讨论,不断完善实验方案,最后实验取得数据如下:

样 品
长 度
  
200N
400N
600N
800N
样品A
1m
0.50cm2
0.02cm
0.04cm
0.06cm
0.08cm
样品B
2m
0.50cm2
0.08cm
0.16cm
0.24cm
0.32cm
样品C
1m
1.00cm2
0.01cm
0.02cm
0.03cm
0.04cm
样品D
3m
0.50cm2
0.18cm
0.36cm
0.54cm
0.72cm
样品E
1m
0.25cm2
0.04cm
0.08cm
0.12cm
0.32cm

①分析样品C的数据可知,其所受拉力F(单位N)与伸长量X(单位m)遵循的函数关系式是         

②对比各样品的实验数据可知,悬索受到的拉力与悬索的伸长量成正比,其比例系数与悬索长度      成正比、与悬索的横截面积     成正比。

试题详情

7、同学们知道,将两个金属电极插入任何一个水果中就可以做成一个水果电池,但日常生活中我们很少用“水果电池”,这是为什么呢?某学习小组的同学准备就此问题进行探究。

(1)同学们通过查阅资料知道将锌、铜两电极插入水果中,电动势大约会有1伏多一点。晓宇同学找来了一个土豆做实验,当用量程为0-3V、内阻约50kΩ的伏特表测其两极时读数为0.96V。但当他将四个这样的水果电池串起来给标称值为“3V,0.5A”的小灯泡供电时,灯泡并不发光。检查灯泡、线路均没有故障,而用伏特表测量其电压确实能达到3V多。据您猜想,出现这种现象的原因应当是:                (不要求写分析、推导过程)。

(2)晓宇同学用欧姆表直接测“土豆电池”的两极,读得此时的读数为30Ω.小丽同学用灵敏电流表直接接“土豆电池”的两极,测得电流为0.32mA,根据前面用伏特表测得的0.96V电压,由全电路欧姆定律得:.因而晓宇同学说土豆的内阻为30Ω,而小丽同学则说是3kΩ。

请你判断,用晓宇或小丽同学的方法测量“土豆电池”的内阻,结果是否准确,为什么?请分别说明理由。

(3)若实验室除了导线和开关外,还有以下一些器材可供选择:

A.电流表A1(量程为0-0.6A ,内阻为1Ω)

B. 灵敏电流表A2(量程为0-0.6mA ,内阻为800Ω)

C.灵敏电流表A3(量程为0-300μA ,内阻未知)

D.滑动变阻器R1 (最大阻值约10Ω)

E.滑动变阻器R2(最大阻值约2kΩ)

F.定值电阻(阻值2kΩ)

G.变阻箱(0-9999Ω)

①为了能尽可能准确测定“土豆电池”的电动势和内阻,实验中应选择的器材是________   (填器材前的字母代号)。

②在右方框中画出应采用的电路。

试题详情

6.一个喷漆桶能够向外喷射不同速度的油漆雾滴,某同学决定测量雾滴的喷射速度,他采用如图1所示的装置,一个直径为d=40cm的纸带环, 安放在一个可以按照不同转速转动的固定转台上,纸带环上刻有一条狭缝A,在狭缝A的正对面画一条标志线,如图1所示。在转台开始转动达到稳定转速时,向侧面同样开有狭缝B的纸盒中喷射油漆雾滴,当狭缝A转至与狭缝B正对平行时,雾滴便通过狭缝A在纸带的内侧面留下痕迹。将纸带从转台上取下来,展开平放,并与毫米刻度尺对齐,如图所示。

请你帮该同学完成下列任务:

(1)设喷射到纸带上的油漆雾滴痕迹到标志线的距离为S,则从图2可知,其中速度最大的雾滴到标志线的距离S1=  ▲  cm;速度最小的雾滴到标志线的距离S2=  ▲  cm。

(2)如果转台转动的周期为T,则这些雾滴喷射速度范围的计算表达式为

v0=     ▲    (用字母表示)

(3)如果以纵坐标表示雾滴速度v0、横坐标表示雾滴距标志线距离的倒数1/S,画出v0-1/S图线,如图3所示,则可知转台转动的周期为T=  ▲   s

试题详情


同步练习册答案