0  123577  123585  123591  123595  123601  123603  123607  123613  123615  123621  123627  123631  123633  123637  123643  123645  123651  123655  123657  123661  123663  123667  123669  123671  123672  123673  123675  123676  123677  123679  123681  123685  123687  123691  123693  123697  123703  123705  123711  123715  123717  123721  123727  123733  123735  123741  123745  123747  123753  123757  123763  123771  447090 

12.在图4所示的电路中,电源两端电压保持不变,表①、②、③是电流表或电压表,下列有关这个电路的说法正确的是

A.若①、②、③是电流表,则两个电阻并联

B.若①、③是电流表,②是电压表,则两个电阻并联

C.若①、③是电压表,②是电流表,则两个电阻串联

D.若①、③是电压表,②是电流表,则两个屯阻并联

试题详情

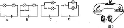
11.如图3的四个电路中与下边实物图对应的是

试题详情

10.在图2所示的电路中,开关S闭合后,电压表V1、V2的读数分别为6V、4V。则电阻R1与R2的阻值之比是

A.3:2            B.2:3           C.2:1           D.  1:2

试题详情

9.如图l所示,两个相同的验电器A和B,A带正电,B不带电,用一根带绝缘柄的铜棒把两个验电器的金属球连接起来的瞬间

   A.有质子从A向B移动               B.有电子从A向B移动

   C.电流方向从A到B                    D.电流方向从B到A

试题详情

8.关于机械能和内能,下列说法正确的是

A.具有内能的物体一定具有机械能

B.内能火的物体具有的机械能也一定大

C.物体的机械能可能为0,但是它的内能不可能为O

D.物体的内能和机械能是同一种形式的能

试题详情

7.小明从下表提供的信息中,得出以下几个结论,其中错误的是

几种物质的比热容(J/kg·℃)
水4.2×103
干泥土0.84×103
酒精2.4×103
铜0.39×103
冰2.1×103
铝0.88×103
水银0.14×103
铅0.13×103

A.汽车发动机用水来冷却效果好

B.液体的比热容都比固体大

C.同种物质在不同状态下比热容值不同

D.质量相等的铜和铅,升高相同的温度,铜吸收的热量大

试题详情

6.关于热量和热传递,下列说法中正确的是

A.温度高的物体含有的热量一定多

B.比热大的物体含有的热量一定多

C.热总是从含有热量多的物体传递到含有热量少的物体

D.热总是从温度高的物体传向温度低的物体

试题详情

5.分析下列几种现象中温度变化的原因,其中一种与其它三种不同,它应该是

A.开啤酒瓶盖的瞬间,瓶口的二氧化碳气体温度会降低

B.化妆品或杀虫剂之类的自动喷剂,当喷了一会儿,罐身温度会降低

C.川打气筒打气,过了一会儿就感到筒身发热

D.夏天,用嘴向手背快速吹气,会感到凉意

试题详情

4.甲、乙两质量相同的金属块,在吸收相同的热量后,甲金属块的温度由30℃升到50℃,乙金属块的温度由40℃升到50℃,则这两种金属的比热之比是

A.C1:C2=1:2      B.Cl:C2=1:1      C.Cl:C2=2:1   D.无法确定

试题详情

3.关于露、霜、雾和“白气”的成因,下列说法中正确的是

A.“白气”就是水蒸气                 B.雾是水升华的现象

C.露是水蒸气的液化现象               D.霜是水的凝固现象

试题详情


同步练习册答案