0  124520  124528  124534  124538  124544  124546  124550  124556  124558  124564  124570  124574  124576  124580  124586  124588  124594  124598  124600  124604  124606  124610  124612  124614  124615  124616  124618  124619  124620  124622  124624  124628  124630  124634  124636  124640  124646  124648  124654  124658  124660  124664  124670  124676  124678  124684  124688  124690  124696  124700  124706  124714  447090 

2、如图是小明在足球场上一个精彩的头球动作,他把一个迎面而来的足球顶了回去。请你写出两个与此现象相关的物理知识:

(1)______         _____;

(2)_____         _____ 。

试题详情

1、物体虽然振动,但以下情况中我们却听不到声音,在声源和人耳之间  (填“有”或“没有”)传播声音的介质;声源振动的频率高于      Hz或低于   Hz;传入人耳的声音太小,其声强级小于 dB。

试题详情

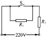
14.如图所示的电路是家用电饭锅的工作原理图.当开关S闭合时为加热状态,当开关S断开时为保温状态,已知加热的电功率为800W,保温时的电功率为100W,设R1、R2的阻值不随温度发生变化,请你根据以上已知条件,参照提供的范例设计四个电学计算问题,并分别解答.

范例:求加热时的电流.

I=

试题详情

13.如图所示是某家庭用的电能表及某月月初、月末的两次读数,求:

   (1)该用户在该月用电多少?

   (2)该用户接有“220V 40W”电视机一台,“220V 400W”电热水器一个,最多还能接“220V 40W”的电灯多少盏?

   (3)该用户其他用电器都关闭,只有热水器正常工作15 min时,电能表的转盘应转多少圈?

试题详情

12.现代家庭电器化程度越来越高,用电安全是一个十分突出的问题.有资料分析:人体触及带电体时,有电流通过人体.电流对人体的危险性跟电流的大小、通电时间的长短等因素有关.通过人体的电流为8-10mA时,人手就很难摆脱带电体,通过人体的电流达到100mA时,只要很短的时间,就会使人窒息,心跳停止,即发生触电事故.电流越大,从触电到死亡的时间越短.

  下表提供了一组人体电阻数据.

测量项目
完全干燥时
出汗或潮湿时
手与手之间电阻
200 k
5 k
手与脚之间电阻
300 k
8.8 k
手与塑料鞋底之间电阻
8000 k
10 k

   如图所示,用电器R接在电压为220V的电源上时,消耗电功率是l l00W,电路中还有额定电流为10A的保险丝.则:

   (1)只有用电器R接人电路时,通过保险丝的电流为多少?

   (2)一个潮湿的人赤脚站在地上,由于不小心手接触火线而发生了触电事故,则通过人体的电流是多少(上表电阻数据适用此人)?如果这个人触电时没有及时被救助,他是否有生命危险?并分析为什么保险丝不会断(即保险丝不能救人命)

试题详情

11.今天晚上,婷婷自己在家,她把空调、电视机都开着,厨房里的微波炉正在加热中午剩下的“比萨”饼,“对了!再用电水壶烧点水喝吧.”婷婷刚一插上电水壶,家里的保险丝就断了,请你帮婷婷回答以下问题:

   (1)电水壶是利用电流的_________效应工作的,它工作时将电能转化成_________能,婷婷家里保险丝熔断的原因是___________________________.

(2)在黑暗中,婷婷想:为什么电热水壶可以将水烧开,而与它相连的导线却一点也不热?

答:因为电热水壶和导线_________联(选填“串”或“并”),通过它们的电流_________ (选填“相等”或“不相等”),电热水壶的电阻比导线_________ (选填“大”或“小”),根据公式可知,当_________一定时,电能转换成内能的功率与导体的电阻成正比例,因此电热水壶可以将水烧开,而与它相连的导线却一点也不热.

   (3)邻居王爷爷帮婷婷修好了保险丝,婷婷想知道电热水壶的有关问题,她找出了说明书,看到说明书上有如下数据:

型号
额定电压
频率
额定功率
加热方式
壶体容积
外形
Ts一600
220V
50Hz
600W
电发热
800mL
170 cm×170 cm×195cm

   请帮婷婷计算一下电热水壶正常工作时的电流和电阻,如果烧开一壶水大概要l5 min,那么烧开一壶水需要消耗多少电能?

试题详情

8.以下是人们描述运动世界的几种方式,其中物理学家用的是   (   )

A.用语言的韵律和意境          B.用形态和色彩

C.用旋律和节奏               D.用特定的概念、数学工具以及实验方法

试题详情

7.对于电和磁的联系,下列说法中正确的是   (   )

A.利用电流的磁效应制成了发电机

B.利用电磁感应现象制成了电磁铁

C.利用磁场对电流的作用制成了电动机

D.法拉第发现了电流的磁效应,揭示了电与磁的联系

试题详情

6.如图所示,弹簧测力计下悬挂一个钢球,将弹簧测力计自左向右逐渐移动时,其读数   (   )

   A.不变                   B.先减小再增大

   C.逐渐变小               D.先增大再减小

试题详情


同步练习册答案