0  124758  124766  124772  124776  124782  124784  124788  124794  124796  124802  124808  124812  124814  124818  124824  124826  124832  124836  124838  124842  124844  124848  124850  124852  124853  124854  124856  124857  124858  124860  124862  124866  124868  124872  124874  124878  124884  124886  124892  124896  124898  124902  124908  124914  124916  124922  124926  124928  124934  124938  124944  124952  447090 

14.如图所示,电源电压保持不变,开关S闭合后,当滑动变阻器R2的滑片P向左移动时,电流表和电压表示数的变化情况是

A.电流表的示数变小,电压表的示数变大

B.电流表的示数变小,电压表的示数变小

C.电流表的示数变大,电压表的示数变大

D.电流表的示数变大,电压表的示数变小

试题详情

13.小刚同学用图所示的电路研究电流跟电阻的关系。在实验过程中,当A、B两点间的电阻由5Ω更换为l0Ω后,他下一步的操作是

A.记录电流表和电压表的示数        B.将变阻器滑片向左移动

C.将变阻器滑片向右移动           D.增加电池的数目

试题详情

12.小明同学在物理实践活动中,设计了图中的四种用电流表或电压表的示数反映弹簧所受压力大小的电路,其中R′是滑动变阻器,R是定值电阻,电源两极间电压恒定,四种电路中有一个电路实现压力增大,使电表的示数增大,这个电路是

试题详情

11.小红同学在做“探究串联电路电压的规律”的实验时,连好了如图所示的电路,接通开关后发现L1正常发光,L2只能微弱发光,对产生这一现象的原因分析,你认为合理的是

A.灯泡L2发生了断路

B.灯泡L2发生了短路

C.由于灯泡L2的电阻较大,其实际功率较小

D.由于灯泡L2的电阻较小,其实际功率较小

试题详情

10.图中所示的电路中,若要使L1和L2两灯组成并联电路,开关的断开与闭合情况应是

A.S1、S2断开,S3闭合            B.S1、S2闭合,S3断开

   C.S1 、S2、S3都闭合            D.S2、S3闭合,S1断开

试题详情

9.据ABCD四种家用电器铭牌上所提供的信息,可知额定电流为6安的用电器是

试题详情

8.将标有“6V3W”、“12V15W”和“6V6W”三个灯泡串联起来,接在可调的电源两端,其中一个灯泡正常发光,其它灯泡不超过额定电压,则下列说法正确的是

A.电源电压是24V                B.电路的总电流是1.2A

C.电路的总功率是6.9W            D.电路的总功率是26W

试题详情

7.电功和电功率的单位分别是

A.千瓦和瓦特    B.千瓦时和焦耳     C.焦耳和瓦特     D.安培和瓦特

试题详情

6.下面图中的四个电路图中哪一个与右边的实物电路相对应

试题详情

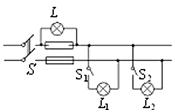
5.某日,小明家火线上的熔丝熔断,估计是电路某处短路。根据所学知识,他断开闸刀开关和所有用电器的开关,将一只普通白炽灯L接到图所示位置进行相关检查。当再闭合闸刀开关S和灯L1的开关S1时,如果

A.灯L正常发光,说明L1支路无故障      B.灯L正常发光,说明L1支路短路

C.灯L发光较暗,说明L1支路短路        D.灯L不发光,说明L1支路短路

试题详情


同步练习册答案