0  124891  124899  124905  124909  124915  124917  124921  124927  124929  124935  124941  124945  124947  124951  124957  124959  124965  124969  124971  124975  124977  124981  124983  124985  124986  124987  124989  124990  124991  124993  124995  124999  125001  125005  125007  125011  125017  125019  125025  125029  125031  125035  125041  125047  125049  125055  125059  125061  125067  125071  125077  125085  447090 

13.下列有关磁现象的说法中,正确的是

A.磁体周围存在着磁场          B.磁感线是真实存在的

C.同名磁极互相吸引            D.指南针能指南北是受地磁场的作用

试题详情

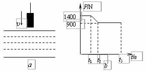
12.在图(a)中,石料在钢绳拉力的作用下从水面上方以恒定的速度下降,直至全部没入水中。图(b)是钢绳拉力随时间t变化的图像。若不计水对石料的阻力,可算出该石料的密度

A.1.8×103          B.2.3×103

C.2.8×103          D.3.2×103

试题详情

11.根据表格数据可推知所用凸透镜的焦距f满足

次序
蜡烛到凸透镜的距离
像的性质
1
26cm
倒立缩小的实像
2
20cm
倒立放大的实像
3
6cm
正立放大的虚像

  A.6cm<f<26cm   B.10cm<f<13cm    C.10cm<f<20cm   D.6cm<f<20cm

试题详情

10.一个物体在平衡力的作用下,在光滑水平面上做匀速直线运动,当这对平衡力突然消失,则物体将

A.立刻停止运动           B.运动速度越来越快

C.仍作匀速直线运动         D.速度减慢,最后停止

试题详情

9.李明去国泰商场购物,自动扶梯把他从一楼匀速送到二楼的过程中,他的

  A.动能增大,势能增大,机械能增大  B.动能增大,能增大,机械能不变

  C.动能不变,势能增大,机械能不变  D.动能不变,势能增大,机械能增大

试题详情

8.电阻R1R2串联时的总电阻为20,则并联时的总电阻                    

A.一定小于5            B.一定小于或等于5

C.一定大于5小于10          D.一定大于10

试题详情

7.把重5N、体积为0.4dm3的物体投入水中。若不计水的阻力,当物体静止时,下列说法中正确的是(g取10N/kg)

   A.物体沉底,F=4N       B.物体悬浮,F=4N

   C.物体漂浮,F=5N       D.物体漂浮,F=1N

试题详情

6.在图所示的四个电路中,闭合开关S,三盏灯都能发光。若其中任意一盏灯的灯丝烧断,其它两盏灯仍然发光的,一定是电路图

试题详情

5.关于电磁波,下列说法中正确的是

A.电磁波不能在真空中传播     B.电磁波在空气中传播速度为340m/s

C.光波不属于电磁波        D.手机通信是利用电磁波来传递信息

试题详情

4.下列数据中,比较符合实际情况的是

A.一支普通铅笔的长度约为50cm   B.教室地面到天花板的高度约为3m

  C.一件普通衬衫的质量约为2kg    D.一个普通中学生的体重大约是50 N 

试题详情


同步练习册答案