0  124928  124936  124942  124946  124952  124954  124958  124964  124966  124972  124978  124982  124984  124988  124994  124996  125002  125006  125008  125012  125014  125018  125020  125022  125023  125024  125026  125027  125028  125030  125032  125036  125038  125042  125044  125048  125054  125056  125062  125066  125068  125072  125078  125084  125086  125092  125096  125098  125104  125108  125114  125122  447090 

2.近年来,为了控制噪声污染,改善居民的生活环境,有些城市采取了城区禁止汽车鸣笛、道路两边种花植树、高架桥两侧安装隔声板等措施。下图所示的标志中,表示“禁止鸣笛”的是

试题详情

1.2009年4月,我国在西昌卫星发射中心成功发射了第二颗北斗导航卫星,它可以提供高精度的定位、测速和授时等服务。它传递信息利用的是

A.电磁波       B.超声波       C.次声波       D.各种射线

试题详情

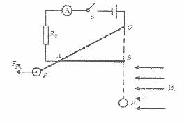
32.(9分)我市北部沿海耸起一片“风电林”,为威海经济发展提供了可再生绿色能源,为旅游业带来新亮点。小明对风力的研究也产生了浓厚的兴趣,和同学一起设计了“风力测试仪”的原理图,如图所示,已知电源电压12V,R0为20Ω,OB长为10cm,AB长为20cm.阻值为60Ω的均匀电阻丝。OP为质量.电阻均不计的金属细杆,下端连接一个重为3N的圆球P。金属细杆OP始终与电阻丝AB接触良好且无摩擦。闭合开关S,无风时,OP下垂并与电阻丝的B端接触;有风时,圆球P受风力作用,使金属细杆OP绕悬挂点O偏转。请你解答下列问题:

(1)无风时电流表示数是多少?

(2)当金属细杆OP滑到AB中点时电路消耗的总功率是多少?

(3)当金属细杆OP滑到A点时圆球P受的风力是多大?

(4)若将电流表的刻度改为风力表的刻度值,请问表盘刻度均匀吗?简要说明理由。

试题详情

31.(8分)电磁炉是一种新型灶具,炉子的内部有一个金属线圈,当电流通过线圈时会产生磁场,这个变化的磁场又会引起电磁炉上面的铁质锅底产生感应电流(即涡流),涡流使锅体及食物的温度升高,所以电磁炉煮食的热源来自于锅具本身。小明在探究“家用电器”的综合实践活动中,以家里的电磁炉为观察研究对象,在表中记录了有关数据。

观察对象
有关记录和相关活动
观察电磁炉铭牌
U=220V P=2KW
观察电能表铭牌
220V 10(40)A 50Hz 2000r/(kw·h)
用电磁炉加热m=1kg.初温t=25℃的水
关闭家里其它用电器,只将电磁炉接入电路中工作,观察电能表,表盘在2.5min内转了150r,此时用温度计测得的水温为85℃

请你解答下列问题:

(1)加热2.5min水所吸收的热量是多少?[水的比热容为4.2×103J/(kg·℃)]

(2)电磁炉工作2.5min消耗的电能是多少?比较(1)(2)两问的结果,说明了什么问题?

(3)电磁炉的实际功率是多少?请你将求解结果与表中的额定功率进行比较,发现了什么问题?并解释原因。

试题详情

30.(7分)小明同学注意到新闻节目中经常报道国际原油价格涨至多少美元一桶,又报道我国进口原油价格每吨提高多少元。他想知道原油的单位“桶”和质量常用单位“吨”之间有什么关系。经过努力,小明设法获得“胜利原油”样品若干,并将密度为0.6×103kg/m3.体积为200cm3的立方体木块放入原油中,木块漂浮在油面上,经测量木块有1/3的体积露出油面(g=10N/kg)。求:

(1)木块受到的浮力。

(2)原油的密度。

(3)若每桶原油的体积为1/6m3,1吨原油等于多少桶?

试题详情

29.(6分)某同学在“测量小灯泡电阻”的实验中,设计了如图甲所示的电路图。小灯泡上标有“3.8V1.5W”字样,请完成和解答下列问题。

(1)在图甲中a.b分别是     表。

(2)根据实验电路图,在图乙中用笔画线代替导线,补充完成实物图连接。

(3)连接电路时,应将开关  ;闭合开关前,滑动变阻器的滑片P应滑在  端。

(4)连接完电路后,闭合开关,无论怎样移动滑片P灯泡都不发光,电流表示数为零,电压表的示数为电源电压,这可能是由于       造成的。

试题详情

28.(6分)下面是小方设计的“测食用油密度”的实验方案:用天平测出空烧杯的质量m1,向烧杯内倒入适量食用油,再测出烧杯和食用油的总质量m2,然后把烧杯内的食用油全部倒入量筒内,读出量筒内食用油的体积为V1,根据他的设计,回答下面的问题:

(1)按该实验方案进行测量,食用油密度的表达式是   ,上述实验方案存在的问题是误差较大,试分析产生误差较大的主要原因        

(2)请你将上述实验方案进行改进并补充填写实验内容于下表,并将图中实验的数据及测量结果填入表中对应的下一行。

烧杯和食用油的总质量/g
 
 
 
 
33.3
 
 
 
 

试题详情

27.(6分)某中学科技创新兴趣小组制作出如图甲所示的水火箭。实验器材有:饮料瓶、气筒、自行车气门、铁丝、橡皮塞、水等。水火箭构造如图乙所示,原理如下:在瓶中装适量的水,塞好瓶塞后放在发射架上。用气筒向瓶内打气,瓶内上方气体压强达到一定程度,高压气体将水和橡皮塞从瓶口中压出,水的反冲作用把瓶推向高空。

(1)水火箭升空原理可利用我们学过的       知识来解释。从能量转化角度来看,水火箭的动能是由高压气体的  能转化来的。

(2)实验后小明提出了问题:水火箭上升的高度与什么因素有关呢?

猜想a:瓶塞插入深度不同;

猜想b:可能与瓶中水的体积有关;

猜想c:可能与瓶子形状有关;

你认为影响因素除上述三点外还与     有关(写出一条)。

(3)选用同一可乐瓶,瓶中水量为300ml,实验发现,瓶塞插入深度不同,用气筒充气次数就不同(设每一次充入气量相同),目测记录实验数据如表。可验证水火箭上升高度与

   有关的猜想是正确的。

试题详情

26.作图题:

(1)在图中做出人看到球的光路图。

(2)火车在车厢后面有两间厕所,只有当两间厕所的门都关上时(每扇门的插销相当于一个开关),车厢中的指示牌内的指示灯才会发光,指示牌就会显示“厕所有人”字样,提醒旅客两间厕所内部都有人,请你把图中的各元件符号连接成符合上述设计要求的电路图。

试题详情

25.今年3月29日,中国女子冰壶队在韩国江陵举行的2009世界女子冰壶锦标赛决赛中,战胜瑞典队夺得冠军,图是比赛时的一个画面。冰壶是以三人为单位在冰上进行的一种投掷性竞赛项目。当投掷手将冰壶投出后,冰壶向前运动时,同队有两名队员手持毛刷,在冰壶运行的前方用力左右擦刷冰面,使冰壶溜进营垒或接近营垒。请你根据上述描述,提出与你学过的物理知识有关系的两个问题并做出解答。

(1)           

(2)           

试题详情


同步练习册答案