0  125153  125161  125167  125171  125177  125179  125183  125189  125191  125197  125203  125207  125209  125213  125219  125221  125227  125231  125233  125237  125239  125243  125245  125247  125248  125249  125251  125252  125253  125255  125257  125261  125263  125267  125269  125273  125279  125281  125287  125291  125293  125297  125303  125309  125311  125317  125321  125323  125329  125333  125339  125347  447090 

7.下列现象中,通过做功改变物体的内能,并使内能减小的是

A.冬天,用手去摸户外的物体,感到非常凉

B.在内燃机的汽缸内,燃气推动活塞运动

C.寒冷的冬天,人们围在火炉周围取暖

D.用打气筒给自行车打气时,筒内气体被压缩

试题详情

6.小文同学坐在航行的游艇内,如果说他是静止的,则所选择的参照物是

A.游艇       B.湖岸        C.湖水       D.岸边的树

试题详情

5.如图所示的四个实例中,目的是为了增大摩擦的是

试题详情

4.通常情况下,下列物体属于导体的是

A.玻璃板      B.橡胶手套     C.塑料棒         D.铜线 

试题详情

3.如图所示的四种做法中,符合安全用电要求的是

试题详情

2.声控锁是一种新型锁具,只有主人说出设定的暗语才能把锁打开,别人即使说出暗语也打不开锁。这种声控锁辨别声音的主要依据是

A.音调           B.响度                C.音色                D.声速

试题详情

1.在国际单位制中,压强的单位是

A.牛顿(N)       B.米/秒 (m/s)   C.焦耳(J)          D.帕斯卡(Pa)

试题详情

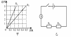
37.(8分)如图甲所示是两电阻R1、R2各自的U-I图线。

求:(1)电阻R1的阻值为多大?

(2)如果把R1、R2两个电阻串联接成如图乙所示的电路时,电流表的示数为0.1A。求:①电阻R2的电功率。②电阻R1、R2在1min内消耗的电能之和。

试题详情

36.(5分)节能是汽车性能的一个重要指标,但同一辆汽车每百公里的耗油量与行驶速度的快慢是否有关呢?端午节期间,小明乘坐爸爸的汽车由达州去成都,于是他决定借此机会对这一问题进行探究。他们去时走高速公路,回来时走318国道,得到了下表所示的数据。

目的地
项目
去成都
回达州
平均速度(Km/h)
90
50
里程(Km)
415
380
耗油量(L)
31
38

(1)分析数据后,小明觉得这与他事先的猜想相吻合。你认为小明的猜想应该是:

_________________________________________________________。

(2)若汽车在高速公路上行驶180km,求:

①汽车行驶的时间为多少?

②若该汽车发动机的功率为60kW,效率为30%,则汽车发动机所做的有用功为多少?

试题详情

35.(7分)在学习“串联电阻的总电阻与各串联电阻之间关系”的时候,小强和小刚利用滑动变阻器(铭牌上标有20Ω  1A)、两个定值电阻(5Ω  10Ω)、电压表、电源等器材对此进行了探究。他们设计了如下图甲所示的电路图。

(1)根据电路图,请你在上图乙中用笔画线代替导线,将没有连接完的实物电路连接好(导线不允许交叉且电流表的量程选取适当)。

(2)请你根据电路图分析:在闭合开关前,滑动变阻器的滑片应移到________(填“A”或“B”)端。

(3)上表是小强和小刚在这次实验中所记录的数据。请你根据他们三次测量的数据进行分析,可以得出的结论是:

________________________________________________________。

(4)若闭合开关后发现电流表有示数,而电压表无示数,则出现该现象的原因可能是下面哪一种情况?_______(只填字母序号即可)。

A.滑动变阻器某处断路     B.只有R1被短路

C.只有R2被短路        D.电压表的某一个接线柱接触不良

(5)在这次实验中,滑动变阻器的作用是:_________________________________________。

试题详情


同步练习册答案