0  125249  125257  125263  125267  125273  125275  125279  125285  125287  125293  125299  125303  125305  125309  125315  125317  125323  125327  125329  125333  125335  125339  125341  125343  125344  125345  125347  125348  125349  125351  125353  125357  125359  125363  125365  125369  125375  125377  125383  125387  125389  125393  125399  125405  125407  125413  125417  125419  125425  125429  125435  125443  447090 

21.(1)小明和同学到湛江市青少年科普教育基地--湖光岩参加实践活动,湖光岩是14~16万年前由平地火山爆发后冷却形成的玛珥式火山湖。小明带回了一块火山熔岩样品.用调节好的天平测样石的质量,所用的砝码和游码的位置如图12甲所示,样石质量为_______g.用量筒测出样石的体积如图12乙所示,体积为_______cm3,则样石的密度为_______g/cm3

(2)小明同学用一个焦距未知的凸透镜、蜡烛、光屏探究凸透镜成像规律.

①由图13可知,凸透镜的焦距是___________㎝.实验时,应使烛焰、凸透镜、光屏的中心大致在___________

②如图14所示,若在光屏上(光屏未画出)能得到清晰放大的烛焰实像,则蜡烛可能置于透镜左边a、b、c、d四点中的________点上,此成像特点可应用在___________机上.

③小明依次将蜡烛、凸透镜、光屏放置在光具座上,按①的要求调整好三者中心的位置,但无论怎样移动光屏,在光屏上始终都没能看到烛焰所成的像.原因可能是(写出一个原因即可)______________________________ .

试题详情

20.如图11所示,A、B是两个上端开口的连通器,当用一个管子沿B容器口吹气时,A容器的液面会_________(填“上升”、“下降”或“不变”).小明将一块橡皮泥捏成船状放入A容器中,“泥船”漂浮在水面上,小明是利用______________的方法来增大浮力的.

试题详情

19.小明设计并连接了如图9所示测量电阻的电路,所使用的电源为两节干电池.请指出他

在电路设计或连接上存在的一个问题:________________________;经改正后,所测得的数据绘出的图像如图10所示,该待测电阻的阻值为____________Ω.

试题详情

18.在图7所示电路中,当闭合开关后,两个电压表指针偏转均为图8所示,则电阻R1和R2两端的电压分别为_________V和__________V.

试题详情

17.古诗词中有许多描述光学现象的诗句,如“潭清疑水浅”说的就是光的_________现象,“池水照明月”说的就是光的__________现象.

试题详情

16.“南三听涛”是湛江八景之一,濒临浩瀚的南海,天水相连,涛声喧哗,巨浪排峰。声音是由物体的_______产生的,涛声是通过_______传到人耳的.

试题详情

15.2009年4月28日广东省政府批准了第十四届省运会于2014年在湛江举行,运动场上有许多地方用到了物理知识.下列分析正确的是( )

  A.跳板跳水运动员起跳后,在上升过程中势能不断转化为动能

  B.跳远运动员助跑是为了利用身体的惯性

  C.掷出去的铅球总是沿曲线落到地面上,是由于受到重力的作用

  D.在4×100m接力赛中,交接棒时两运动员应尽可能做到相对静止

试题详情

14.生活中处处有物理,小明同学养成了观察生活的好习惯,他对观察到的一些现象做了以下解释,其中解释正确的是(   )

   A.家里保险丝熔断,一定是用电器功率过大造成的

   B.不能用铜丝和铁丝代替保险丝

   C.发现有人触电时,应立即用手把他拉开

D.电饭锅用三脚插头和三孔插座,是为了防止锅体漏电造成触电事故

试题详情

13.下列说法正确的是(   )

A.美味佳肴的香气四溢,说明分子在做无规则运动

B.物体温度升高,内能减少

C.锯木时锯条温度升高,说明做功可改变物体内能

D.0℃的物体不具有内能

试题详情

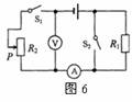
12.如图6所示电路,电源两端的电压一定,开关S1闭合,如果要使电压表示数减小,电流表的示数增大,则下列操作一定可行的是(   )

    A.滑动变阻器的滑片P向上移

 B.滑动变阻器的滑片P向下移

   C.开关S2闭合,滑动变阻器的滑片P向下移 

 D.开关S2闭合,断开开关S1,滑动变阻器的滑片P不动 

试题详情


同步练习册答案