0  125322  125330  125336  125340  125346  125348  125352  125358  125360  125366  125372  125376  125378  125382  125388  125390  125396  125400  125402  125406  125408  125412  125414  125416  125417  125418  125420  125421  125422  125424  125426  125430  125432  125436  125438  125442  125448  125450  125456  125460  125462  125466  125472  125478  125480  125486  125490  125492  125498  125502  125508  125516  447090 

25.小明同学的爸爸是一名潜水员,暑假期间他随爸爸参加一次水下考察活动,爸爸告诉他本次考察潜水的最大深度为150 m,还告诉他穿耐压低的潜水服比穿耐压高的潜水服活动更方便,让他帮爸爸选择潜水服。小明同学发现有两种潜水服,第一种最大耐压为2×106 Pa,第二种最大耐压为6×106 Pa。

  (1)小明同学为爸爸选了哪一种?通过计算说明理由。

  (2)爸爸带好一切潜水设备后总质量为80 kg,潜到水下后恰好能达到悬浮在水中的状态,在爸爸用了10 min从150 m深处浮到水面的过程中,浮力对他所做的功及功率分别是多少?

试题详情

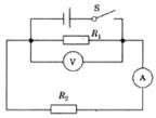
24.如图所示,R1=2,R2=4,开关s闭合后,电流表的示数为3 A,求:

     (1)电压表的示数;

(2)R1、R2消耗的电功率各是多少?

试题详情

23.小丽在做“测量小灯泡的电阻”实验时,实验桌上备有以下实验器材:电源(两节新的干电池)、待测小灯泡、电压表、电流表、滑动变阻器、开关各一个、导线若干。

(1)在图甲中用笔画线代替导线,将电路连接完整。(要求:1.当滑片向右滑动时灯泡变亮;2.导线不得交叉)

(2)在闭合开关前,滑动变阻器滑片应置于________端(填“A”或“B”)

(3)她将电路连接好之后,闭合开关发现小灯泡不亮,电流表几乎无示数,电压表的示数接近电源电压,则电路的故障可能是_________。

(4)图乙是小丽在一次测量中电压表和电流表的示数,则小灯泡的电阻为____

试题详情

22.在“测量某种液体的密度”的实验中。

   (1)把天平放在水平桌面上,将游码移至零刻度处,发现指针偏向分度盘中线左侧,这时应将平衡螺母向________调节(填“左”或“右”);

   (2)将待测液体倒入空烧杯中,用天平测出烧杯和液体的总质量m1,如图甲所示,则m1=_________g;

   (3)将烧杯中液体的一部分倒入量筒,如图乙所示,这部分液体的体积为V,则V=___________cm3;  

   (4)用天平测量烧杯和剩余液体的总质量m2=110 g;

   (5)根据以上数据,计算出这种液体的密度是________kg/m3

试题详情

21.小明做“探究凸透镜成像规律”的实验时,所用凸透镜焦距为10 cm。实验过程中,小明将蜡烛放在如图所示的位置,这时在右面的光屏上可以得到一个清晰的像,这个像是__________的(填“放大”“等大”或“缩小”),生活中____________就是利用这个原理制成的(填“照相机”“投影仪”或“放大镜”)。

试题详情

20.如图,弹簧测力计的读数为________N。  

试题详情

19.一个正方体物块悬浮在水中时的位置如左图所示。若将该物块放入浓盐水中,请在右图中画出该物块静止时的大致位置和所受浮力的示意图。

试题详情

18.由小磁针静止时的指向,在图中标出通电螺线管的N、S极和电源的“+”“-”极.

试题详情

17.在图中画出拉动汽车时,滑轮组最省力的绕绳方法。

试题详情

16.根据图中给出的入射光线和折射光线,在方框内画出一个适当类型的透镜。

试题详情


同步练习册答案