0  125256  125264  125270  125274  125280  125282  125286  125292  125294  125300  125306  125310  125312  125316  125322  125324  125330  125334  125336  125340  125342  125346  125348  125350  125351  125352  125354  125355  125356  125358  125360  125364  125366  125370  125372  125376  125382  125384  125390  125394  125396  125400  125406  125412  125414  125420  125424  125426  125432  125436  125442  125450  447090 

9.下图所示的做法中,属于用做功的方法改变物体内能的是(   )

试题详情

8.某物理兴趣小组的同学设计了如图所示的实验装置,当用力F挤压装满水的玻璃瓶,会看到细玻璃管内的水面明显上升,这是利用细玻璃管内水面的变化来放大玻璃瓶的微小形变.下列实验中也用到这利放大思想的是(   )

   A.将不同的电阻丝分别接到同一电路中,通过比较电流的大小来比较电阻的大小

B.将发声的音叉靠近乒乓球,通过乒乓球被弹开显示音叉在振动

C.让不同的纸锥从相同高度同时下落,通过落地的先后判断运动的快慢情况

D.将小铁屑均匀洒在磁体周围,通过观察铁屑的分布情况来认识磁场的分布情况

试题详情

7.“文明迎奥运,安全我先行”,以下几种做法中不存在安全隐患的是(   )

A.在公路上骑飞车

B.在高压线附近放风筝 

C.检修电器之前将电源断开

D.在泳池边看到水不很深就贸然下水游泳

试题详情

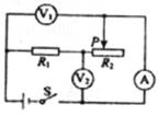
6.如图所示的电路中,电源两端的电压保持不变,闭合开关S,将滑动变阻器的滑片P向右移动,下列说法正确的是(   )

   A.电压表V1与电压表V2的示数之和保持不变

   B.电压表V2与电流表A的示数之比保持不变

   C.电流表A的示数变小,电压表V1的示数变大

D.电流表A的示数变小,电压表V2的示数变大

试题详情

5.下列四种电器中,利用电流热效应工作的是(   )

A.洗衣机          B.录音机           C.电视机          D.电饭锅

试题详情

4.如图所示,关于生活中力现象的描述,正确的是(   )

A.足球被福娃踢出后,会在惯性力的作用下继续向前运动

B.小张用吸管喝饮料,是利用了嘴对饮料的作用力将其吸入口中

C.运动鞋底刻有凹凸不平的花纹,是为了增大鞋子与地面的摩擦力

D.小王没有将地面上的箱子推动,是因为推力小于箱子受到的摩擦力

试题详情

3.如图所示的四种现象中,属于光的反射现象的是(   )

A.小姑娘站在穿衣镜前照镜子            B.自然界中的日全食现象

C.有趣的“一笔三折”现象              D.老师在上课时,用投影仪展示图片

试题详情

2.某些物质在存放过程中需减慢蒸发,可采取的措施是(   )

     A.升温           B.密闭            C.摊开           D.通风

试题详情

1.为了使教室内的学生上课免受周围环境噪声干扰,采取下面哪些方法是有效、合理的(   )

     A.老师讲话时声音要小一些

     B.每位学生都戴一个防噪声耳罩

     C.在教室周围植树

     D.教室内安装噪声监测装置

试题详情

29.(9分)在“用电流表和电压表测电阻”的实验中,所用的电源电压为6V,待测电阻约为15Ω。

(1)甲同学连接的部分电路如图1所示。请将电路连接完整。

(2)在实验中使用滑动变阻器的目的是:             

(3)设计出实验用的表格。

(4)乙同学测的是小灯泡电阻,其他器材和电路与甲同学的相同。当小灯泡两端电压是3V时,电流表的示数如图2所示,则此时小灯泡的电阻是_________Ω。改变小灯泡两端的电压,又测量两次,并将三次测得的电阻取平均值。这种取平均值的方法是否正确并说明理由:_________________________________________________

_________________________________________________________________

试题详情


同步练习册答案