0  194685  194693  194699  194703  194709  194711  194715  194721  194723  194729  194735  194739  194741  194745  194751  194753  194759  194763  194765  194769  194771  194775  194777  194779  194780  194781  194783  194784  194785  194787  194789  194793  194795  194799  194801  194805  194811  194813  194819  194823  194825  194829  194835  194841  194843  194849  194853  194855  194861  194865  194871  194879  447090 

33.陈明同学用电压表分别测出了由1节、2节、3节 …… 干电池及其串联而成的电池组的电压值,数据如下表所示:

电池串联节数
1
2
3
4
5
6
电压/V
1.5
3
4.5
6
7.5
9

(1)根据表中数据,可能得到结论:                  .

(2)收音机的工作电压是6V,应选用     节干电池    联使用.此时用电压表(0 - 3V、0 - 15V)测其电压时选用     的量程.

试题详情

32.用笔画线表示导线,将图甲中的电路连线完成。要求:灯泡L1与L2并联;用电流表测L2中的电流。闭合开关后,电流表的指针如图乙所示,则通过L2的电流为    A。

试题详情

31.几位同学在一起,想比比谁的功率大,于是测一测他们上楼的功率,那么需要测的物理量有_________、_________、_________。下列选项中是某同学上楼的功率,请选出合理的一项(  )

A.2W     B.20W    C.200W     D.2000W

试题详情

30.将一个篮球向地面抛去,球被地面弹起落下,又弹起落下,再弹起落下……为了研究球弹起落下的规律,某同学用白纸记录了相邻三次球在地面上留下的球印如图A、B、C所示。

(1)观察图示的球印,按时间先后排列球印的顺序是:__ 

(2)简述你的理由:                 

试题详情

29.某同学在做“杠杆的平衡条件”实验时,使用的杠杆如图所示:

(1)杠杆两端装置两只可调节的螺母,能起的作用是__________________________;

(2)在杠杆平衡的条件下,如果在A处挂三个相同的钩码,则在B处要挂_____个同样的钩码,杠杆才能保持在水平位置平衡;

(3)如果在B处挂5N的钩码,在C处用弹簧测力计作用在C点,要使杠杆在水平位置平衡,拉力的方向是__________________,大小为__________N;

试题详情

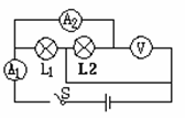
28.如图所示,当S闭合时,电压表的示数为6V,电表        

A1示数为0.3A , 电流表A2示数为0.1A.。问:

(1)L1、L2的连接方式是怎样的?

(2)通过L1、L2的电流分别为多少?      

(3)L1、L2两端电压分别为多少?                                                                  

试题详情

27.如图所示,物体重200N,动滑轮重40N,绳重和摩擦不计.在拉力F的作用下,物体正以0.1m/s的速度匀速上升.求:

(1)拉力F;

(2)拉力做功的功率;

(3)滑轮组的机械效率.

试题详情

26.全市人民企盼已久的江苏国信淮安2×15MW生物质发电项目在江苏省委省政府、淮安市委市政府和楚州区委区政府及全市人民的大力支持下顺利开工了。

全部项目建成后,年消化秸秆量约25万吨,年发电量可达2亿千瓦时,根据农作物产量统计和秸秆量估算,我国的秸秆资源大约每年有5.6亿吨,折合标准煤约2.8亿吨;且秸秆还是一种煤无法媲美的清洁能源,其平均含硫量只有0.15%-0.31%(煤炭含硫量为1%),每年可减少二氧化硫排放量2.5×1011 kg。

根据以上材料回答下列问题:

(1)已知煤的热值是2 . 9×107 J / kg,2.8×108吨=    千克,这些煤完全燃烧将放出       J的热量;

(2)生物质发电与同等供电量的火电站相比,每年将少排放二氧化硫气体2.5×1011 kg,这将大大减少由排放过量二氧化硫气体而引起的酸雨.这些二氧化硫气体的体积是     m3 , 若将它们均匀覆盖在地面上高1 km的空间,则可覆盖的面积是      m2.(二氧化硫气体的密度取ρ=2.86 kg / m3).

(3)你对该项目的建设有何评价

试题详情

25.在万米高空,大气压要比地面上的低得多,而气温也在-40℃以下,在这样的高空飞行的民航客机,为了维持机舱内人体所需要的正常气压,就得用空气压缩机不停地将空气压入机舱;还要用空调调节舱内的温度,但出人意料的是,这里的空调不是用来升温的,而是用来降温的,请你说说其中的道理。

试题详情

24.如图所示,O是杠杆OA的支点。在图中画出拉 力F1和F2的力臂L1和L2.

试题详情


同步练习册答案