0  195453  195461  195467  195471  195477  195479  195483  195489  195491  195497  195503  195507  195509  195513  195519  195521  195527  195531  195533  195537  195539  195543  195545  195547  195548  195549  195551  195552  195553  195555  195557  195561  195563  195567  195569  195573  195579  195581  195587  195591  195593  195597  195603  195609  195611  195617  195621  195623  195629  195633  195639  195647  447090 

21.如图8所示是照相机的原理图,A’B’是AB的像。请画出图中与入射光线对应的折射光线,并确定凸透镜一侧焦点的位置,用字母F表示。

试题详情

20.现代社会中汽车是一种重要的交通工具,很多汽车使用的发动机是四冲程汽油机,在它工作的过程中,________冲程将内能转化为机械能。

试题详情

19.暑假,小雨和妈妈从沈阳去西藏旅游。返程那天,小雨将已喝了半瓶的矿泉水瓶盖儿拧紧,然后放到旅行箱中带上火车。回到家,小雨惊奇地发现塑料矿泉水瓶变瘪了,这是因为西藏地区比沈阳地区的大气压________(填“高”或“低”)。

试题详情

18.如图7所示,是小雨同学在做“探究物体对水平地面压强与压力关系”的实验后绘制的p-F,关系图象,由图象可知这个物体与水平地面的接触面积是_________m。

试题详情

17.如图6所示的两把剪刀,如果想用来裁剪厚铁皮,应选择剪刀_______(填“A”或“B”)更省力。

试题详情

16.滑板是一种时尚的运动项目。在水平地面上,将一只脚踏在滑板上,另一只脚向后蹬地,滑板就能向前运动,这是因为物体间力的作用是________;此时若停止向后蹬地,由于__________滑板还会继续向前运动一段距离。

试题详情

15.用天平称一个塑料瓶的质量,然后将其剪碎再放到天平上称量,比较两次测量结果发现测量值相等,这说明物体的质量与______无关;将一小块冰放入杯中用天平称量总质量,当冰熔化成水后,再称水和杯的总质量,比较两次测量结果发现测量值相等,这说明物体的质量与_______无关。

试题详情

14.如图5所示,是一种水位自动报警器的原理图。当水位到达金属块A时,控制电路接通,这时电磁铁的上端是________极,灯______发光(填“L1”或“L2”)。

试题详情

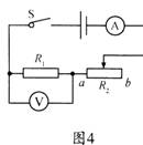
13.如图4所示,闭合开关S,将滑动变阻器R2的滑片向a端滑动,电流表的示数将__________;电压表与电流表的示数之比将_____________。(填“变大”、  “变小”或“不变”)

试题详情

12.温度计的“自述”:我在沸水中,我的示数如图3所示,此时水的沸点为_________℃;如果水继续吸热,则我的示数_________(填“变大”、“变小”或“不变”)。

试题详情


同步练习册答案